INFO: Dieses Forum nutzt Cookies...
Cookies sind für den Betrieb des Forums unverzichtbar. Mit der Nutzung des Forums erklärst Du dich damit einverstanden, dass wir Cookies verwenden.

Es wird in jedem Fall ein Cookie gesetzt um diesen Hinweis nicht mehr zu erhalten. Desweiteren setzen wir Google Adsense und Google Analytics ein.


Antwort schreiben 

4Byte Datenstrang aufteilen



Wenn dein Problem oder deine Frage geklärt worden ist, markiere den Beitrag als "Lösung",
indem du auf den "Lösung" Button rechts unter dem entsprechenden Beitrag klickst. Vielen Dank!

04.03.2009, 15:46
Beitrag #1

Schandmaul Offline
LVF-Grünschnabel
*


Beiträge: 30
Registriert seit: Mar 2009

8.5, 2011
2008
EN

82205
Deutschland
4Byte Datenstrang aufteilen
Hallo an alle,

ich arbeite zur Zeit mit LabVIEW(7.1...) und habe dort ein Problem,
und zwar folgendes:

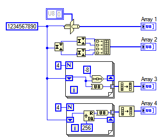
Ich habe ein 4Byte Datenstrang (U32), diesen Datenstrang möchte ich nun "zerhacken" und zwar in je 4x 1Byte- Stränge.
Wisst ihr da eine möglichkeit, dies zu bewerkstelligen?
Über eine Antwort wäre ich dankbar.

Gruß
Flo
Alle Beiträge dieses Benutzers finden
Diese Nachricht in einer Antwort zitieren to top
Anzeige
04.03.2009, 15:58
Beitrag #2

TSC Offline
LVF-Team
LVF-Team

Beiträge: 1.882
Registriert seit: Sep 2008

LV 2018 SP1
2008
EN

52379
Deutschland
4Byte Datenstrang aufteilen
Also ich weiß nciht obs sowas schon in fertig gibt, aber ist ja keine schwere Aufgabe wenn man bissl mit Konvertierungen und Arrays rumspielt:
   
Hilft dir das?

LG
Torsten

"Über Fragen, die ich nicht beantworten kann, zerbreche ich mir nicht den Kopf!" (Konrad Zuse)
Alle Beiträge dieses Benutzers finden
Diese Nachricht in einer Antwort zitieren to top
04.03.2009, 16:02
Beitrag #3

jg Offline
CLA & CLED
LVF-Team

Beiträge: 15.864
Registriert seit: Jun 2005

20xx / 8.x
1999
EN

Franken...
Deutschland
4Byte Datenstrang aufteilen
Bei 7.1, schau mal hier:
   

Bei 8.x, hier:
   

Gruß, Jens

Wer die erhabene Weisheit der Mathematik tadelt, nährt sich von Verwirrung. (Leonardo da Vinci)

!! BITTE !! stellt mir keine Fragen über PM, dafür ist das Forum da - andere haben vielleicht auch Interesse an der Antwort!

Einführende Links zu LabVIEW, s. GerdWs Signatur.
Alle Beiträge dieses Benutzers finden
Diese Nachricht in einer Antwort zitieren to top
04.03.2009, 16:20
Beitrag #4

TSC Offline
LVF-Team
LVF-Team

Beiträge: 1.882
Registriert seit: Sep 2008

LV 2018 SP1
2008
EN

52379
Deutschland
4Byte Datenstrang aufteilen
Torsten kam, sah und verzweifelte! Kann mir jemand sagen was genau da als High und Low raus kommt? also mir ist da nichts sinniges zu eingefallen! Auch die LV-Hilfe hat mich nciht weiter gebracht.

Danke!

"Über Fragen, die ich nicht beantworten kann, zerbreche ich mir nicht den Kopf!" (Konrad Zuse)
Alle Beiträge dieses Benutzers finden
Diese Nachricht in einer Antwort zitieren to top
04.03.2009, 16:21
Beitrag #5

Schandmaul Offline
LVF-Grünschnabel
*


Beiträge: 30
Registriert seit: Mar 2009

8.5, 2011
2008
EN

82205
Deutschland
4Byte Datenstrang aufteilen
Hmpf.....Smile,

sowas habe ich gesucht, aber nicht gefunden...

Vielen Dank euch beiden, hat mir sehr geholfen.

Gruß
Flo
Alle Beiträge dieses Benutzers finden
Diese Nachricht in einer Antwort zitieren to top
04.03.2009, 17:04
Beitrag #6

IchSelbst Offline
LVF-Guru
*****


Beiträge: 3.708
Registriert seit: Feb 2005

11, 14, 15, 17, 18
-
DE

97437
Deutschland
4Byte Datenstrang aufteilen
' schrieb:Torsten kam, sah und verzweifelte! Kann mir jemand sagen was genau da als High und Low raus kommt? also mir ist da nichts sinniges zu eingefallen! Auch die LV-Hilfe hat mich nciht weiter gebracht.
Die beiden Element sind polymorph.
Für Splitten gilt: Wenn du am Eingang ein U32 (U16) anschließt, kommen am Ausgang zwei U16 (U8) raus: das eine sind die High-Bits B0..B15 (B0..B7) vom U32 (U16), das andere die Low-Bits B16..B31 (B8..B15).
Für Zusammenfügen gilt analoges.

Jeder, der zur wahren Erkenntnis hindurchdringen will, muss den Berg Schwierigkeit alleine erklimmen (Helen Keller).
Alle Beiträge dieses Benutzers finden
Diese Nachricht in einer Antwort zitieren to top
Anzeige
04.03.2009, 19:21
Beitrag #7

TSC Offline
LVF-Team
LVF-Team

Beiträge: 1.882
Registriert seit: Sep 2008

LV 2018 SP1
2008
EN

52379
Deutschland
4Byte Datenstrang aufteilen
polymorph, das wars was mir fehlte. sprich man braucht insgesamt 3 davon,..

danke

"Über Fragen, die ich nicht beantworten kann, zerbreche ich mir nicht den Kopf!" (Konrad Zuse)
Alle Beiträge dieses Benutzers finden
Diese Nachricht in einer Antwort zitieren to top
04.03.2009, 19:41
Beitrag #8

jg Offline
CLA & CLED
LVF-Team

Beiträge: 15.864
Registriert seit: Jun 2005

20xx / 8.x
1999
EN

Franken...
Deutschland
4Byte Datenstrang aufteilen
@Torsten (ohne h)Big Grin: Wenn du damit meinst, um eine U32 auf 4 U8 aufzuteilen, ja, dazu braucht man 3x dieses VI.

Gruß, Jens

Wer die erhabene Weisheit der Mathematik tadelt, nährt sich von Verwirrung. (Leonardo da Vinci)

!! BITTE !! stellt mir keine Fragen über PM, dafür ist das Forum da - andere haben vielleicht auch Interesse an der Antwort!

Einführende Links zu LabVIEW, s. GerdWs Signatur.
Alle Beiträge dieses Benutzers finden
Diese Nachricht in einer Antwort zitieren to top
04.03.2009, 19:53
Beitrag #9

TSC Offline
LVF-Team
LVF-Team

Beiträge: 1.882
Registriert seit: Sep 2008

LV 2018 SP1
2008
EN

52379
Deutschland
4Byte Datenstrang aufteilen
@Jens (auch ohne H und ohne Zitat): Naja, das war ja die Aufgabenstellung! Einem U32 in 4 U8 umwandeln! *zwinker*

LG
Totti

"Über Fragen, die ich nicht beantworten kann, zerbreche ich mir nicht den Kopf!" (Konrad Zuse)
Alle Beiträge dieses Benutzers finden
Diese Nachricht in einer Antwort zitieren to top
05.03.2009, 09:30 (Dieser Beitrag wurde zuletzt bearbeitet: 05.03.2009 10:23 von Lucki.)
Beitrag #10

Lucki Offline
Tech.Exp.2.Klasse
LVF-Team

Beiträge: 7.699
Registriert seit: Mar 2006

LV 2016-18 prof.
1995
DE

01108
Deutschland
4Byte Datenstrang aufteilen
' schrieb:Ich habe ein 4Byte Datenstrang (U32), diesen Datenstrang möchte ich nun "zerhacken" und zwar in je 4x 1Byte- Stränge.
Tut mir Leid, aber von den vergeichweise einfachem Möglichkeiten fallen mir nur diese beiden ein Mellow
   
(Wenn Dir das nicht genügt, dann gäbe es , außer der Methode von Tschac, mit shift/And/Or-Operationen, oder auch mit rein mathematischen Rechenoperationen, noch etliche andere, aber allesamt umständlichere Methoden)

Edit: Hier noch mal die Möglichkeiten in aufsteigender Umständlichkeits-Reihenfolge:
   
Alle Beiträge dieses Benutzers finden
Diese Nachricht in einer Antwort zitieren to top
30
Antwort schreiben 


Möglicherweise verwandte Themen...
Themen Verfasser Antworten Views Letzter Beitrag
  ökonomisches Aufteilen in Anzeigeprozess und Speichernprozess Hasenfuss 2 3.542 24.06.2015 19:32
Letzter Beitrag: Hasenfuss
  Eine Datenreihe aufteilen Gahlunke 2 4.204 21.06.2012 16:16
Letzter Beitrag: Gahlunke
  String aufteilen mike8080 9 11.855 03.12.2010 13:01
Letzter Beitrag: mike8080
  Arraydarstellung aufteilen illson 8 8.347 03.12.2009 22:12
Letzter Beitrag: unicorn
  String Binär in Bytes aufteilen VisionaryS 14 16.496 27.11.2009 10:07
Letzter Beitrag: M Nussbaumer
  Aufteilen von Werten in ein 1D Array olmethn 3 4.909 11.07.2008 10:23
Letzter Beitrag: Y-P

Gehe zu: