INFO: Dieses Forum nutzt Cookies...
Cookies sind für den Betrieb des Forums unverzichtbar. Mit der Nutzung des Forums erklärst Du dich damit einverstanden, dass wir Cookies verwenden.

Es wird in jedem Fall ein Cookie gesetzt um diesen Hinweis nicht mehr zu erhalten. Desweiteren setzen wir Google Adsense und Google Analytics ein.


Antwort schreiben 

problem mit gespeicherter Datei



Wenn dein Problem oder deine Frage geklärt worden ist, markiere den Beitrag als "Lösung",
indem du auf den "Lösung" Button rechts unter dem entsprechenden Beitrag klickst. Vielen Dank!

08.01.2009, 14:03
Beitrag #1

scarlettay Offline
LVF-Grünschnabel
*


Beiträge: 27
Registriert seit: Sep 2008

labview 8.0
2008
de_en

1xxx9
Deutschland
problem mit gespeicherter Datei
Hallo zusammen!

Ich habe ein problem.Ich habe mein programm mit write/read binary file geschrieben und auch die alle Werte gespeichert.Aber bei der Öffnung der gespeicherter Datei kann ich die Code gar nicht sehen.einfach nicht lesbar!hab auch die codierung geändert,aber trotzdem.

Bin Super Neu.komme immer viele dumme Frage.Sorry!
suche Nette Leute,mir helfen können.
Alle Beiträge dieses Benutzers finden
Diese Nachricht in einer Antwort zitieren to top
Anzeige
08.01.2009, 14:37
Beitrag #2

Y-P Offline
☻ᴥᴥᴥ☻ᴥᴥᴥ☻
LVF-Team

Beiträge: 12.612
Registriert seit: Feb 2006

Developer Suite Core -> LabVIEW 2015 Prof.
2006
EN

71083
Deutschland
problem mit gespeicherter Datei
Lad' mal Dein VI für Schreiben und Lesen hoch.

Gruß Markus

--------------------------------------------------------------------------
Bitte stellt mir keine Fragen über PM, dafür ist das Forum da - andere haben vielleicht auch Interesse an der Antwort !!
--------------------------------------------------------------------------
Alle Beiträge dieses Benutzers finden
Diese Nachricht in einer Antwort zitieren to top
08.01.2009, 14:57
Beitrag #3

Lucki Offline
Tech.Exp.2.Klasse
LVF-Team

Beiträge: 7.699
Registriert seit: Mar 2006

LV 2016-18 prof.
1995
DE

01108
Deutschland
problem mit gespeicherter Datei
Das Problem hatten wir schon mal hier. Es war wohl fast so etwas wie ein Bug, daß es nicht funktionierte, es läßt ich aber leicht umgehen. Wichtig ist "Big Endian" wählen und an den Boolschen Eingang "Stringröße voranstellen" "true" anschließen.
Alle Beiträge dieses Benutzers finden
Diese Nachricht in einer Antwort zitieren to top
09.01.2009, 09:33 (Dieser Beitrag wurde zuletzt bearbeitet: 09.01.2009 09:33 von scarlettay.)
Beitrag #4

scarlettay Offline
LVF-Grünschnabel
*


Beiträge: 27
Registriert seit: Sep 2008

labview 8.0
2008
de_en

1xxx9
Deutschland
problem mit gespeicherter Datei
' schrieb:Das Problem hatten wir schon mal hier. Es war wohl fast so etwas wie ein Bug, daß es nicht funktionierte, es läßt ich aber leicht umgehen. Wichtig ist "Big Endian" wählen und an den Boolschen Eingang "Stringröße voranstellen" "true" anschließen.
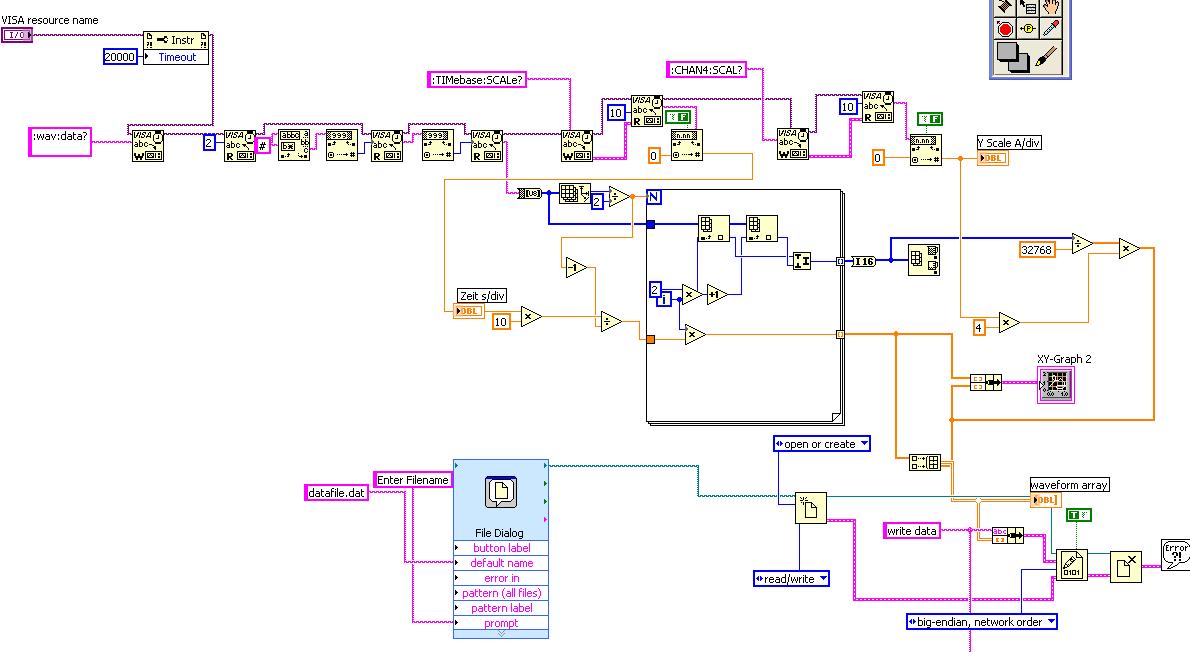
danke.ich habe soeben gemacht aber leider funktioniert auch nicht.:(ich haenge mein VIs an.Lv80_img


Angehängte Datei(en) Thumbnail(s)
       

Sonstige .vi  gda.vi (Größe: 98,24 KB / Downloads: 267)

Sonstige .vi  codelesen.vi (Größe: 44,58 KB / Downloads: 256)

Bin Super Neu.komme immer viele dumme Frage.Sorry!
suche Nette Leute,mir helfen können.
Alle Beiträge dieses Benutzers finden
Diese Nachricht in einer Antwort zitieren to top
09.01.2009, 10:21
Beitrag #5

rolfk Offline
LVF-Guru
*****


Beiträge: 2.318
Registriert seit: Jun 2007

alle seit 6.0
1992
EN

2901GG
Niederlande
problem mit gespeicherter Datei
' schrieb:danke.ich habe soeben gemacht aber leider funktioniert auch nicht.:(ich haenge mein VIs an.Lv80_img

Hmm wenn Du es mit anderen Methoden dann der binären LabVIEW Read File VIs lesen willst solltest Du es auch nicht als binäres LabVIEW File schreiben. Verwende dazu doch besser mal Write to Spreadsheet File oder ähnliches.

Rolf Kalbermatter

Rolf Kalbermatter
Technische Universität Delft, Dienst Elektronik und Mechanik
https://blog.kalbermatter.nl
Webseite des Benutzers besuchen Alle Beiträge dieses Benutzers finden
Diese Nachricht in einer Antwort zitieren to top
09.01.2009, 10:58
Beitrag #6

scarlettay Offline
LVF-Grünschnabel
*


Beiträge: 27
Registriert seit: Sep 2008

labview 8.0
2008
de_en

1xxx9
Deutschland
problem mit gespeicherter Datei
' schrieb:Hmm wenn Du es mit anderen Methoden dann der binären LabVIEW Read File VIs lesen willst solltest Du es auch nicht als binäres LabVIEW File schreiben. Verwende dazu doch besser mal Write to Spreadsheet File oder ähnliches.

Rolf Kalbermatter
emm,ich habe vorher Write to Spreadsheet File verwendet,aber meine Daten(Messwerte) sind einfach zuviel.mit Excel kann ich nicht vollständig öffnen.

Bin Super Neu.komme immer viele dumme Frage.Sorry!
suche Nette Leute,mir helfen können.
Alle Beiträge dieses Benutzers finden
Diese Nachricht in einer Antwort zitieren to top
Anzeige
09.01.2009, 12:47 (Dieser Beitrag wurde zuletzt bearbeitet: 09.01.2009 12:50 von rolfk.)
Beitrag #7

rolfk Offline
LVF-Guru
*****


Beiträge: 2.318
Registriert seit: Jun 2007

alle seit 6.0
1992
EN

2901GG
Niederlande
problem mit gespeicherter Datei
' schrieb:emm,ich habe vorher Write to Spreadsheet File verwendet,aber meine Daten(Messwerte) sind einfach zuviel.mit Excel kann ich nicht vollständig öffnen.

Excel kann aber nur ASCI Spreadsheets oder sein eigenes OLE Stream Format öffnen. Und die Einschränkung mit der Tabellenlänge in Excel ist auch völlig unabhängig vom Format der Daten. Diese Einschränkung besteht schon solange es Excel gibt und wurde in neueren Versionen zwar etwas hinausgeschoben aber eben nicht vermieden und würde auch im OLE Stream Format von Excel noch bestehen.

Wenn Du wirklich alle Daten anschauen willst wirst Du nicht darum herum kommen, Excel zum Fenster rauszuwerfenBig Grin. Andere Spreadsheet Applikationen haben diese idiotische Beschränkung nicht aber Excel ist ja auch nicht als Engineeringtool gedacht sondern eigentlich nur für das mehr oder weniger farbige Visualisieren von finanziellen Daten konzipiert.

Entweder reduzierst Du die Daten irgendwie in LabVIEW bevor Du sie exportierst um in Excel gelesen zu werden, oder Du schaust nach einer intelligenteren Spreadsheetapplikation, der Du schreibst Dir die Visualisierung der Daten in LabVIEW selber, oder Du gehst gleich mit einem Tool das zur Visualisierung und Weiterverarbeitung von grossen Datenmengen gedacht ist so wie etwa Diadem.

Rolf Kalbermatter

Rolf Kalbermatter
Technische Universität Delft, Dienst Elektronik und Mechanik
https://blog.kalbermatter.nl
Webseite des Benutzers besuchen Alle Beiträge dieses Benutzers finden
Diese Nachricht in einer Antwort zitieren to top
10.01.2009, 09:17 (Dieser Beitrag wurde zuletzt bearbeitet: 12.01.2009 11:53 von Lucki.)
Beitrag #8

Lucki Offline
Tech.Exp.2.Klasse
LVF-Team

Beiträge: 7.699
Registriert seit: Mar 2006

LV 2016-18 prof.
1995
DE

01108
Deutschland
problem mit gespeicherter Datei
' schrieb:ich haenge mein VIs an.Lv80_img
Nachdem Du das gemacht hast, muß man ja gar nicht mehr viel reden.
Habe das säuisch liederlich angeordnete VI geordnet und die ganze VISA-Datenerfassung weggelassen und durch simulierte Daten ersetzt. Außerdem habe ich die mir unverständlichen 2 Express-Vis zur Erzeugung der Dateinamen gelöscht. Beides ist ja unwichtig in Bezug auf das eigentliche Problem.
Habe es laufen lassen, und, ohne daß ich sonst etwas geändert habe, funktioniert das Schreiben und das Lesen. Es dürfte also auch bei Dir funktioniert haben, Du hast es bloß nicht bemerkt.

Ich wundere mich überhaupt über die Frage. Es sollte sich doch so viel herumgesprochen haben, daß der Unterschied zwischen einer binären und einer ASCII-Aufzeichnung gerade darin besteht, daß die binäre Datei zwar kürzer ist, daß man aber die Daten nicht mit einem Editor lesen kann. Wenn also da nur wirres Zeug zu sehen ist, dann ist das immer so und überhaupt kein Beweis, daß irgendetwas nicht in Ordnung ist.
Lv80_img
Sonstige .vi  gda.vi (Größe: 22,43 KB / Downloads: 263)

Lv80_img
Sonstige .vi  codelesen.vi (Größe: 18,56 KB / Downloads: 285)
Alle Beiträge dieses Benutzers finden
Diese Nachricht in einer Antwort zitieren to top
12.01.2009, 09:57 (Dieser Beitrag wurde zuletzt bearbeitet: 12.01.2009 09:57 von scarlettay.)
Beitrag #9

scarlettay Offline
LVF-Grünschnabel
*


Beiträge: 27
Registriert seit: Sep 2008

labview 8.0
2008
de_en

1xxx9
Deutschland
problem mit gespeicherter Datei
' schrieb:Nachdem Du das gemacht hast, muß man ja gar nicht mehr viel reden.
Habe das säuisch liederlich angeordnete VI geordnet und die ganze VISA-Datenerfassung weggelassen und durch simulierte Daten ersetzt. Außerdem habe ich die mir unverständlichen 2 Express-Vis zur Erzeugung der Dateinamen gelöscht. Beides ist ja unwichtig in Bezug auf das eigentliche Problem.
Habe es laufen lassen, und, ohne daß ich sonst etwas geändert habe, funktioniert das Schreiben und das Lesen. Es dürfte also auch bei Dir funktioniert haben, Du hast es bloß nicht bemerkt.

Ich wundere mich überhaupt über die Frage. Es sollte sich doch so viel herumgesprochen haben, daß der Unterschied zwischen einer binären und einer ASCII-Aufzeichnung gerade darin besteht, daß die binäre Datei zwar kürzer ist, daß man aber die Daten nicht mit einem Editor lesen kann. Wenn also da nur wirres Zeug zu sehen ist, dann ist das immer so und überhaupt kein Beweis, daß irgendetwas nicht in Ordnung ist.
Lv80_img[attachment=43692:gda.vi] [attachment=43691:codelesen.vi]
Danke für die grosse Hilfe!Leider kann ich deine VIs nicht vollständig öffnen:(kannst du nochmal hochladen?


Angehängte Datei(en) Thumbnail(s)
   

Bin Super Neu.komme immer viele dumme Frage.Sorry!
suche Nette Leute,mir helfen können.
Alle Beiträge dieses Benutzers finden
Diese Nachricht in einer Antwort zitieren to top
12.01.2009, 10:14
Beitrag #10

scarlettay Offline
LVF-Grünschnabel
*


Beiträge: 27
Registriert seit: Sep 2008

labview 8.0
2008
de_en

1xxx9
Deutschland
problem mit gespeicherter Datei
' schrieb:Nachdem Du das gemacht hast, muß man ja gar nicht mehr viel reden.
Habe das säuisch liederlich angeordnete VI geordnet und die ganze VISA-Datenerfassung weggelassen und durch simulierte Daten ersetzt. Außerdem habe ich die mir unverständlichen 2 Express-Vis zur Erzeugung der Dateinamen gelöscht. Beides ist ja unwichtig in Bezug auf das eigentliche Problem.
Habe es laufen lassen, und, ohne daß ich sonst etwas geändert habe, funktioniert das Schreiben und das Lesen. Es dürfte also auch bei Dir funktioniert haben, Du hast es bloß nicht bemerkt.

Ich wundere mich überhaupt über die Frage. Es sollte sich doch so viel herumgesprochen haben, daß der Unterschied zwischen einer binären und einer ASCII-Aufzeichnung gerade darin besteht, daß die binäre Datei zwar kürzer ist, daß man aber die Daten nicht mit einem Editor lesen kann. Wenn also da nur wirres Zeug zu sehen ist, dann ist das immer so und überhaupt kein Beweis, daß irgendetwas nicht in Ordnung ist.
Lv80_img[attachment=43692:gda.vi] [attachment=43691:codelesen.vi]
noch eine Frage,funktioniert das Schreiben und Lesen bei dir mit Ms Word Datei?Habe unter VI Find Examples die Beispiele read binary file.vi und write binary file.vi laufen gelassen,selber Problem,Das Format der Daten ist nicht erkennbar.

Bin Super Neu.komme immer viele dumme Frage.Sorry!
suche Nette Leute,mir helfen können.
Alle Beiträge dieses Benutzers finden
Diese Nachricht in einer Antwort zitieren to top
30
Antwort schreiben 


Möglicherweise verwandte Themen...
Themen Verfasser Antworten Views Letzter Beitrag
  Datei öffnen Problem jak888 2 6.507 21.06.2010 13:42
Letzter Beitrag: jak888
  Problem mit Queues in Exe Datei Uwe Mnich 0 3.343 19.09.2006 12:44
Letzter Beitrag: Uwe Mnich

Gehe zu: