INFO: Dieses Forum nutzt Cookies...
Cookies sind für den Betrieb des Forums unverzichtbar. Mit der Nutzung des Forums erklärst Du dich damit einverstanden, dass wir Cookies verwenden.

Es wird in jedem Fall ein Cookie gesetzt um diesen Hinweis nicht mehr zu erhalten. Desweiteren setzen wir Google Adsense und Google Analytics ein.


Antwort schreiben 

Picotech TC-08 Thermologger



Wenn dein Problem oder deine Frage geklärt worden ist, markiere den Beitrag als "Lösung",
indem du auf den "Lösung" Button rechts unter dem entsprechenden Beitrag klickst. Vielen Dank!

12.12.2008, 21:48 (Dieser Beitrag wurde zuletzt bearbeitet: 12.12.2008 22:22 von jg.)
Beitrag #1

AndiMetzger Offline
LVF-Gelegenheitsschreiber
**


Beiträge: 77
Registriert seit: Jan 2006

7.1
2005
kA


Deutschland
Picotech TC-08 Thermologger
Hallo ,

habe die usbtc08.dll über oben genannte Funktion in LabVIEW 7.1 integriert.

Problem, nur bei dieser Funktion, LabVIEW absturtz mit Fehlermeldungsfenster: LabVIEW.exe hat Fehler verursacht und muß beendet werden. Weitere Meldungen: memory.cpp Fehler, Operation kann nicht beendet werden, Speicher überlauf. Sind keine Clusterfehlermeldungen aus LabVIEW sondern Windows Fehlermeldungen. Danach schließt sich mein Programm bzw. der Rechner hängt sich auf.

Siehe auch folgender Artikel: http://www.picotech.com/support/post-13481.html&fid=20

ist so wie es aussieht das selbe Problem wie bei mir.

Brauche aber unbedingt diese Funktion. Diese liest mir die Seriennummer vom Device aus. Habe mehrere, daher benötigt zur Festellung welches Gerät welche Messwerte sendet.

Ohne diese Funktion läuft alles prima, seither. Nur die Messwerte sind total unzuordenbar.

Das VI ist nicht von mir, konnte es auch hier am Rechner nicht anschauen, da kein LabVIEW installiert.

Könnte meines auch noch nachladen. Ist aber bestimmt gleich.

Lv85_img


Angehängte Datei(en)
Sonstige .vi  USB_TC_08_get_unit_info_query.vi (Größe: 44,49 KB / Downloads: 473)
Alle Beiträge dieses Benutzers finden
Diese Nachricht in einer Antwort zitieren to top
Anzeige
12.12.2008, 22:27
Beitrag #2

jg Offline
CLA & CLED
LVF-Team

Beiträge: 15.864
Registriert seit: Jun 2005

20xx / 8.x
1999
EN

Franken...
Deutschland
Picotech TC-08 Thermologger
Sorry vorab für die harten Worte, aber bei der Frage geht mir jetzt der Hut hoch:

1. Du lädst auf gut Dünken das VI aus dem Picotech-Forum hoch (Version 8.5), kannst also gar nicht wissen, ob das wirklich exakt deinem Fehler entspricht. Lade wenn schon DEIN VI hoch.
2. Meinst du, ich mach mir jetzt die Mühe, und lade irgendwo den Treiber von Picotech runter. Minimum ist es, die Header-Datei zur DLL hochzuladen. Woher soll man sonst wissen, wie die Parameter beim Funktionsaufruf, der dir Probleme macht, sind. Und wenn du noch einen Link zur Doku der DLL selber hast (oder die Doku selber), dann her damit.

Gruß, Jens

Wer die erhabene Weisheit der Mathematik tadelt, nährt sich von Verwirrung. (Leonardo da Vinci)

!! BITTE !! stellt mir keine Fragen über PM, dafür ist das Forum da - andere haben vielleicht auch Interesse an der Antwort!

Einführende Links zu LabVIEW, s. GerdWs Signatur.
Alle Beiträge dieses Benutzers finden
Diese Nachricht in einer Antwort zitieren to top
12.12.2008, 23:57 (Dieser Beitrag wurde zuletzt bearbeitet: 12.12.2008 23:58 von AndiMetzger.)
Beitrag #3

AndiMetzger Offline
LVF-Gelegenheitsschreiber
**


Beiträge: 77
Registriert seit: Jan 2006

7.1
2005
kA


Deutschland
Picotech TC-08 Thermologger
Hallo Jens,

sorry, da ich gerade keinen direkten Zugriff auf mein VI habe dachte ich dass dieses zumindest weiterhelfen könnte.

Hast du dir mal die Mühe gemacht die englischen Beiträge von dort zu lesen. Fehlerbeschreibung ist zumindest die selbe. :-)

Sorry deiner Verärgerung. ;-) Wieda guat??? :-)

So hier mal mehr Stoff, danke für den Hinweis, habe ich in dem Eifer des Gefechts leider vergessen.

Hier die usbtc08.dll, dann das Manual mit den functions und zwei VI's. Einmal zum einlesen im Streaming modus und einmal im Single Modus. Streaming ist der Bereich. In diesem VI sind Sub-VI's wo auch das besagte 'Problem VI' zu finden ist.

Desweiteren habe ich mal die C++ Dateien im *.txt Format zusätzlich hochgeladen.

Danke für die promte Antwort.


Angehängte Datei(en)
Sonstige .vi  USB_TC_08_Single_71.vi (Größe: 169,1 KB / Downloads: 459)

Sonstige .vi  USB_TC_08_Stream_71.vi (Größe: 269,11 KB / Downloads: 407)

Sonstige .dll  usbtc08.dll (Größe: 148,5 KB / Downloads: 440)

Sonstige .pdf  USBTC08.en.pdf (Größe: 488,95 KB / Downloads: 719)

Sonstige .txt  usb_tc08_c.txt (Größe: 4,49 KB / Downloads: 451)

Sonstige .txt  usbtc08_h.txt (Größe: 9,11 KB / Downloads: 847)

Sonstige .txt  usbtc08_inc.txt (Größe: 3,47 KB / Downloads: 530)

Sonstige .vi  usbtc08.vi (Größe: 22,4 KB / Downloads: 432)
Alle Beiträge dieses Benutzers finden
Diese Nachricht in einer Antwort zitieren to top
14.12.2008, 21:11
Beitrag #4

jg Offline
CLA & CLED
LVF-Team

Beiträge: 15.864
Registriert seit: Jun 2005

20xx / 8.x
1999
EN

Franken...
Deutschland
Picotech TC-08 Thermologger
Hallo,

ich habe mehrfach mit deiner Library rumgespielt, und ich glaube, jetzt habe ich was.

Import der Funktionen mit dem LV8.6-Dll-Assi geht hervorragend, sogar solche Aufrufe wie usb_tc08_get_unit_info werden importiert.

Jetzt aber zu deinem Aufruf usb_tc08_get_formatted_info, es hat gedauert, bis bei mir der Groschen gefallen ist. Zuerst habe ich nämlich die Funktions-Aufrufe mit Hilfe des DLL-Assi importiert und hatte gar keine Probleme. Dann habe ich es nochmal versucht und bekomme deine Fehlermeldung. Ebenso beim heruntergeladenen VI. Das was seltsam.Hmm

Am Schluß habe ich durch Zufall Folgendes ausprobiert, und zwar am Eingang "string_length" einen WertYahoo, keine Fehlermeldung mehr!

Wieso jetzt was in der Einleitung von mind. 256 steht, frag mich nicht.

Und ob das jetzt wirklich endgültig die Lösung ist, kann ich auch nicht versprechen, da ich es natürlich ohne Hardware probiert habe. (Vielleicht kommt auch daher der Fehler? Vielleicht darf man die Funktion nur bei angeschlossener Hardware aufrufen. Aber das musst du mal ausprobieren).

Außerdem sollte bei LV<8.6 der String schon mir der richtigen Länge vorbelegt sein, also z.B. so:
   
oder so:
   
ansonsten gabs bei mir auch wieder Fehlermeldungen.

Gruß, Jens

Wer die erhabene Weisheit der Mathematik tadelt, nährt sich von Verwirrung. (Leonardo da Vinci)

!! BITTE !! stellt mir keine Fragen über PM, dafür ist das Forum da - andere haben vielleicht auch Interesse an der Antwort!

Einführende Links zu LabVIEW, s. GerdWs Signatur.
Alle Beiträge dieses Benutzers finden
Diese Nachricht in einer Antwort zitieren to top
15.12.2008, 16:58
Beitrag #5

AndiMetzger Offline
LVF-Gelegenheitsschreiber
**


Beiträge: 77
Registriert seit: Jan 2006

7.1
2005
kA


Deutschland
Picotech TC-08 Thermologger
Hallo Jens,

habe deine Vorschläge geprüft. Danke dir vorab!

Funktionieren leider beide nicht so, als dass mir dass Gerät jegliche Daten liefert.


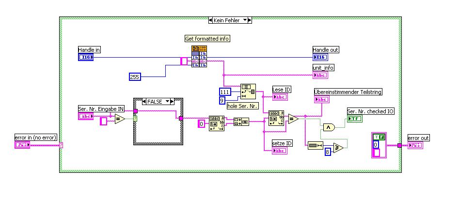
Unten stehendes Beispiel, so geht es zwar aber manchmal stürzt LabVIEW wie beschrieben ab.


Angehängte Datei(en) Thumbnail(s)
   
Alle Beiträge dieses Benutzers finden
Diese Nachricht in einer Antwort zitieren to top
15.12.2008, 18:48
Beitrag #6

jg Offline
CLA & CLED
LVF-Team

Beiträge: 15.864
Registriert seit: Jun 2005

20xx / 8.x
1999
EN

Franken...
Deutschland
Picotech TC-08 Thermologger
' schrieb:Funktionieren leider beide nicht so, als dass mir dass Gerät jegliche Daten liefert.
Was meinst du jetzt damit?
' schrieb:Unten stehendes Beispiel, so geht es zwar aber manchmal stürzt LabVIEW wie beschrieben ab.
:hmm:Und wie sieht es aus, wenn du den String mit 255 Leerzeichen vorbelegst, so wie vorgeschlagen?

Ansonsten, es gibt da noch einen Info-Funktionsaufruf, den unter LV8.6 ohne Probleme importiert wurde.

Hast du irgendwie Zugriff auf eine 8er-LV-Version, dann könnte ich das importierte VI runterspeichern und hier hochladen.

Gruß, Jens

Wer die erhabene Weisheit der Mathematik tadelt, nährt sich von Verwirrung. (Leonardo da Vinci)

!! BITTE !! stellt mir keine Fragen über PM, dafür ist das Forum da - andere haben vielleicht auch Interesse an der Antwort!

Einführende Links zu LabVIEW, s. GerdWs Signatur.
Alle Beiträge dieses Benutzers finden
Diese Nachricht in einer Antwort zitieren to top
17.12.2008, 10:50 (Dieser Beitrag wurde zuletzt bearbeitet: 17.12.2008 11:02 von AndiMetzger.)
Beitrag #7

AndiMetzger Offline
LVF-Gelegenheitsschreiber
**


Beiträge: 77
Registriert seit: Jan 2006

7.1
2005
kA


Deutschland
Picotech TC-08 Thermologger
Habe den String auch mit 255 Leerzeichen vorbelegt, kein positives Ergebnis.

Leider habe ich lediglich nur die LV Version 7.1!

Kann es möglich sein, das es auch vom Betriebssystem abhängig sein kann ob Fehler beim Funktionsaufruf auftreten können?

Das alles ist sehr seltsam und läßt mich auch rätseln. Die anderen Funktionen funktionieren ja auch, welche ja auch in der selben DLL aufgerufen werden.

Die andere Funktion (Info) auf die du ansprichst liefert zwar keinen Fehler beim Aufruf, es kommen aber keine Werte zurück.

Frage, meinst du es ist so möglich, daß du die Funktionen mit 8.6 lädst und sie wiederum unter 7.1 abspeicherst und hier hochlädst, so dass ich diese dann mit meiner Hardware testen kann?

Und noch eine Frage, (sorry das es wieder aus dem Pico Forum ist, aber ich würde es gerne testen ob dieses VI bei mir funktioniert) kannst du mir das VI in 7.1 konvertieren und hochladen?

Danke!


Angehängte Datei(en)
Sonstige .vi  get_unit_info_pico_forum.vi (Größe: 11,58 KB / Downloads: 332)
Alle Beiträge dieses Benutzers finden
Diese Nachricht in einer Antwort zitieren to top
17.12.2008, 11:14
Beitrag #8

jg Offline
CLA & CLED
LVF-Team

Beiträge: 15.864
Registriert seit: Jun 2005

20xx / 8.x
1999
EN

Franken...
Deutschland
Picotech TC-08 Thermologger
Naja, probieren können wir es mal, allerdings kann im nur bis zur Version 8.0 runterspeichern. Vielleicht kann es noch jemand weiter konvertieren.

Ich lade auch mal den Screenshot der Funktion hoch, so wie sie der Assistent erstellt hat:

   

Vielleicht hilft das weiter. Ich denke, die ganzen I8 Werte kann man wahrscheinlich auch durch U8 Werte ersetzen. Und dann natürlich aus den Arrays wieder einen String machen. Alles ohne Gewähr, ich kanns nicht testen und hoffe, der Import-Assi hat alles richtig gemacht.

Gruß, Jens

P.S.:
Wer kann dies auf LV 7.1 runterkonvertieren?
Lv80_img
Sonstige .vi  usb_tc08_get_unit_info.vi (Größe: 39,83 KB / Downloads: 370)

Wer die erhabene Weisheit der Mathematik tadelt, nährt sich von Verwirrung. (Leonardo da Vinci)

!! BITTE !! stellt mir keine Fragen über PM, dafür ist das Forum da - andere haben vielleicht auch Interesse an der Antwort!

Einführende Links zu LabVIEW, s. GerdWs Signatur.
Alle Beiträge dieses Benutzers finden
Diese Nachricht in einer Antwort zitieren to top
17.12.2008, 11:23 (Dieser Beitrag wurde zuletzt bearbeitet: 17.12.2008 11:49 von AndiMetzger.)
Beitrag #9

AndiMetzger Offline
LVF-Gelegenheitsschreiber
**


Beiträge: 77
Registriert seit: Jan 2006

7.1
2005
kA


Deutschland
Picotech TC-08 Thermologger
Hallo Jens,

danke für die schnelle Antwort. Da ich leider keinen Zugriff auf eine 8er Version habe, wäre es sehr hilfreich wenn du einen Screenshot.jpg (siehe *.jpg Beispiel unten) von der erstellten Funktionsdeklaration machen und einstellen würdest.

Danke!


Angehängte Datei(en) Thumbnail(s)
           
Alle Beiträge dieses Benutzers finden
Diese Nachricht in einer Antwort zitieren to top
17.12.2008, 11:33
Beitrag #10

jg Offline
CLA & CLED
LVF-Team

Beiträge: 15.864
Registriert seit: Jun 2005

20xx / 8.x
1999
EN

Franken...
Deutschland
Picotech TC-08 Thermologger
OK, ist eigentlich alles so wie bei dir, UI-Thread, handle 16bit Integer, ebenso return Value = 16 bit Integer.

Von Interesse für die ist wahrscheinlich nur noch der Cluster, und das sieht in 8.6 so aus:

   

Gruß, Jens

Wer die erhabene Weisheit der Mathematik tadelt, nährt sich von Verwirrung. (Leonardo da Vinci)

!! BITTE !! stellt mir keine Fragen über PM, dafür ist das Forum da - andere haben vielleicht auch Interesse an der Antwort!

Einführende Links zu LabVIEW, s. GerdWs Signatur.
Alle Beiträge dieses Benutzers finden
Diese Nachricht in einer Antwort zitieren to top
30
Antwort schreiben 


Möglicherweise verwandte Themen...
Themen Verfasser Antworten Views Letzter Beitrag
  Datenerfassung mit Daqmx und dem Thermologger TC08 peder 4 7.667 11.08.2010 15:27
Letzter Beitrag: peder

Gehe zu: