INFO: Dieses Forum nutzt Cookies...
Cookies sind für den Betrieb des Forums unverzichtbar. Mit der Nutzung des Forums erklärst Du dich damit einverstanden, dass wir Cookies verwenden.

Es wird in jedem Fall ein Cookie gesetzt um diesen Hinweis nicht mehr zu erhalten. Desweiteren setzen wir Google Adsense und Google Analytics ein.


Antwort schreiben 

Zuweisung



Wenn dein Problem oder deine Frage geklärt worden ist, markiere den Beitrag als "Lösung",
indem du auf den "Lösung" Button rechts unter dem entsprechenden Beitrag klickst. Vielen Dank!

25.08.2008, 11:42
Beitrag #1

of209 Offline
LVF-Grünschnabel
*


Beiträge: 16
Registriert seit: Jul 2008

8.00
2008
en

EX20 2SB
United Kingdom
Zuweisung
Hallo ihr fleissigen LAbVIEW-Experten,

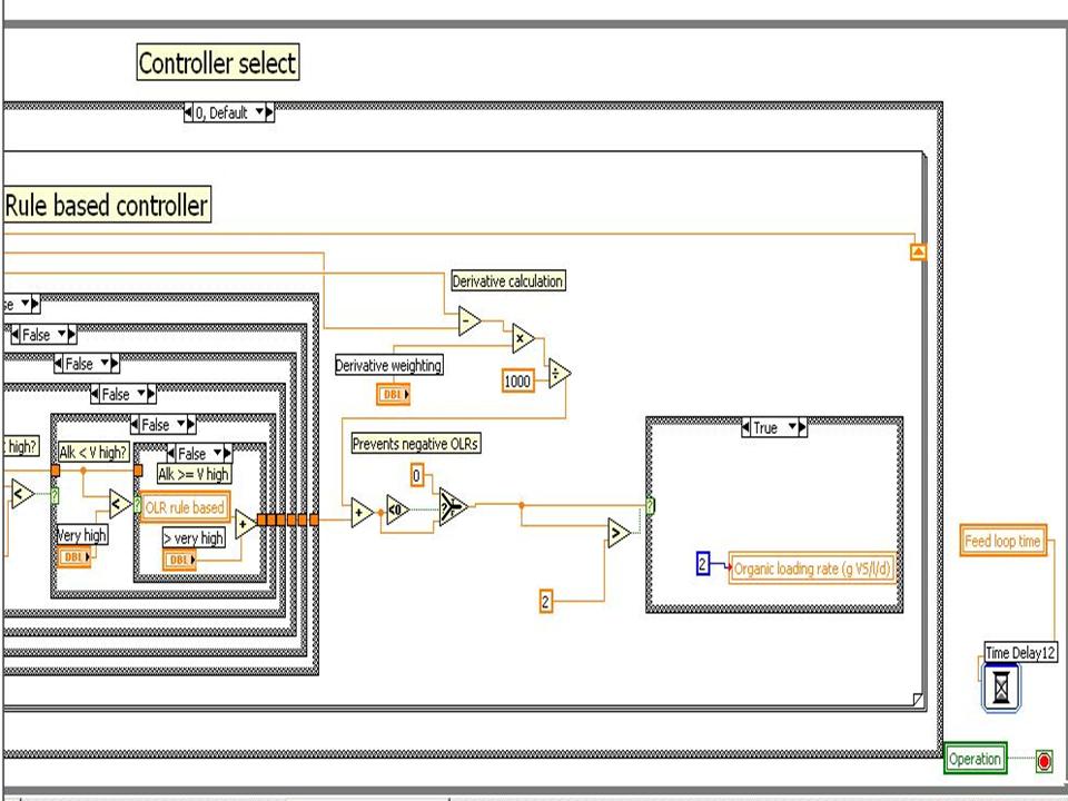
hab' ne Frage (wahrscheinlich stehh' ich nur gerade auf dem Schlauch). Aber ich weiss absolut nicht weiter. Hab unten Bild aus meinem Blockdiagramm eingefuegt. Ich betreibe eine Anlage, in der der Zulauf geregelt wird. Momentan wird er allerdings nur bedingt geregelt. Habe ein Bild in den Anhang gepackt, das die momentane Situation darstellt. Die "organic loading rate" in der case-structure soll mit dem momentanen Wert verglichen werden. Wenn sie ueber einen festen Wert ansteigt, soll der festgesetzte Wert als Maximum fuer die "organic loading rate" angenommen werden. Wie kann ich die Konstante fuer die "organic loading rate" in die case-structure implementieren?

of209        
Alle Beiträge dieses Benutzers finden
Diese Nachricht in einer Antwort zitieren to top
Anzeige
26.08.2008, 09:19 (Dieser Beitrag wurde zuletzt bearbeitet: 26.08.2008 09:20 von Kvasir.)
Beitrag #2

Kvasir Offline
LVF-Freak
****


Beiträge: 642
Registriert seit: May 2006

10
2004
DE_EN

0000
Oesterreich
Zuweisung
Hi,

also so ganz sicher bin ich mir nicht, ob ich dich verstanden habe.
Du willst also, dass deine Variable einen maximalen (und minimalen, wenn ich deinen Screenshot richtig interpretiere) nicht übersteigt?

Wenn dem so ist, würde ich dir die Funktion "Wertebereich prüfen und erzwingen" aus dem Vergleichmenü ans Herz legen.

Grüße

edit: Anbei Screenshot, falls du Probleme wegen der deutschen Bezeichnung hast


Angehängte Datei(en) Thumbnail(s)
   

A few weeks of developement and testing can save a WHOLE afternoon in the library!
Alle Beiträge dieses Benutzers finden
Diese Nachricht in einer Antwort zitieren to top
26.08.2008, 17:36
Beitrag #3

of209 Offline
LVF-Grünschnabel
*


Beiträge: 16
Registriert seit: Jul 2008

8.00
2008
en

EX20 2SB
United Kingdom
Zuweisung
' schrieb:Hi,

also so ganz sicher bin ich mir nicht, ob ich dich verstanden habe.
Du willst also, dass deine Variable einen maximalen (und minimalen, wenn ich deinen Screenshot richtig interpretiere) nicht übersteigt?

Wenn dem so ist, würde ich dir die Funktion "Wertebereich prüfen und erzwingen" aus dem Vergleichmenü ans Herz legen.

Grüße

edit: Anbei Screenshot, falls du Probleme wegen der deutschen Bezeichnung hast

Super Sache,
hab' ich vorhin ausprobiert und klappt ausgezeichnet. Dickes Lob an dich! Weiter so! Brilliant!
Alle Beiträge dieses Benutzers finden
Diese Nachricht in einer Antwort zitieren to top
Antwort schreiben 


Möglicherweise verwandte Themen...
Themen Verfasser Antworten Views Letzter Beitrag
  RGB Zuweisung INI-Datei simcum 4 4.472 25.03.2020 23:47
Letzter Beitrag: simcum
  Word Protokoll (Tabellen) Fehler in Zuweisung akoKE 7 9.559 08.03.2013 11:38
Letzter Beitrag: akoKE
  Prozessor/Thread Zuweisung win98 7 8.921 02.08.2011 13:43
Letzter Beitrag: Rene_B
  String abfrage und zuweisung kcccp 7 6.983 21.08.2009 13:13
Letzter Beitrag: TSC

Gehe zu: