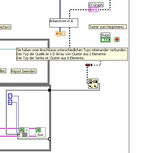
Dimension umwandeln? |
Wenn dein Problem oder deine Frage geklärt worden ist, markiere den Beitrag als "Lösung",
indem du auf den "Lösung" Button rechts unter dem entsprechenden Beitrag klickst. Vielen Dank!
| 30
|
|
|
| Möglicherweise verwandte Themen... | |||||
| Themen | Verfasser | Antworten | Views | Letzter Beitrag | |
| Array Dimension hochzählen | WinniePooh | 9 | 10.537 |
18.04.2011 09:34 Letzter Beitrag: WinniePooh |
|
| Dimension | wanze | 5 | 6.554 |
31.03.2011 16:46 Letzter Beitrag: wanze |
|
| Mehrere Arrays zusammenfügen (gleiche Dimension) | tanka | 4 | 11.369 |
11.08.2010 08:30 Letzter Beitrag: dimitri84 |
|






