INFO: Dieses Forum nutzt Cookies...
Cookies sind für den Betrieb des Forums unverzichtbar. Mit der Nutzung des Forums erklärst Du dich damit einverstanden, dass wir Cookies verwenden.

Es wird in jedem Fall ein Cookie gesetzt um diesen Hinweis nicht mehr zu erhalten. Desweiteren setzen wir Google Adsense und Google Analytics ein.


Antwort schreiben 

Dieses Thema hat akzeptierte Lösungen:

1D-Faltung (DBL)



Wenn dein Problem oder deine Frage geklärt worden ist, markiere den Beitrag als "Lösung",
indem du auf den "Lösung" Button rechts unter dem entsprechenden Beitrag klickst. Vielen Dank!

25.10.2012, 18:31
Beitrag #1

Arachnoid Offline
LVF-Grünschnabel
*


Beiträge: 25
Registriert seit: Nov 2009

12
-
DE

37073
Deutschland
1D-Faltung (DBL)
Hallo zusammen,
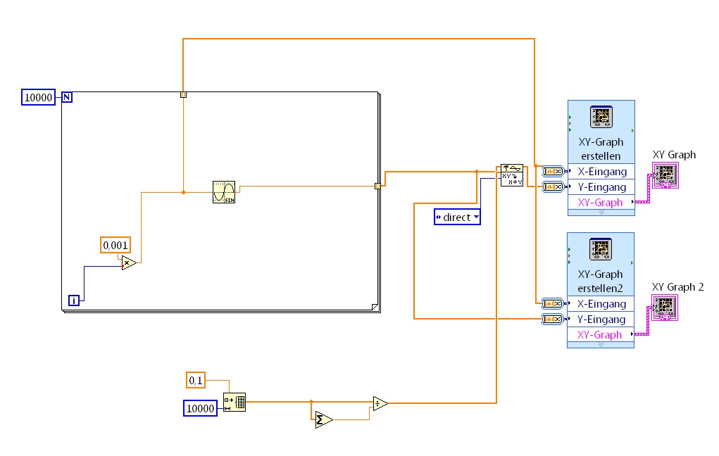
ich versuche mich gerade ein bisschen in die Thematik der Fourieroptik einzuarbeiten und wollte als Kontrolle die Faltung zweier Funktionen in LabView realisieren. Hierzu habe ich zu Beginn einen sinusförmigen Verlauf verwendet und möchte diesen vorerst mit einer Rechteckfunktion Falten. Prinzipiell würde ich erwarten, dass der sinusförmige Verlauf lediglich in der Amplitude abnimmt Frequenz und Phase müssten gleich bleiben. Irgendwie scheint das Faltungsergebnis jedoch jedesmal verschoben. Kann jemand Hilfestellung geben?

Viele Grüße,
Arachnoid


Angehängte Datei(en) Thumbnail(s)
   
Alle Beiträge dieses Benutzers finden
Diese Nachricht in einer Antwort zitieren to top
Anzeige
25.10.2012, 20:32
Beitrag #2

GerdW Offline
______________
LVF-Team

Beiträge: 17.534
Registriert seit: May 2009

LV2019 (LV2021)
1995
DE_EN

10×××
Deutschland
RE: 1D-Faltung (DBL)
Hallo Arachnoid,

warum ist es so schwierig, mal den Aufräumbutton zu drücken, bevor man hier ein Bild postet?
Warum hängst du nicht gleich das VI hier an? Dann müsste man nicht nachprogrammieren...

Mit ein paar Optimierungen käme sowas bei raus:
   
Hast du dir schon mal die Kontexthilfe durchgelesen? Und evtl. die dort angegebenen Formel von Hand nachgerechnet?

Alle Beiträge dieses Benutzers finden
Diese Nachricht in einer Antwort zitieren to top
25.10.2012, 21:52
Beitrag #3

Arachnoid Offline
LVF-Grünschnabel
*


Beiträge: 25
Registriert seit: Nov 2009

12
-
DE

37073
Deutschland
RE: 1D-Faltung (DBL)
Hallo GerdW,
ersteinmal vielen Dank für deine schnelle Antwort. Der Aufräumbutton war mir nicht geläufig sorry. Bezüglich deines VIs habe ich das Problem, dass mir die letzten drei Blöcke völlig unbekannt sind kannst du zu deren Bedeutung Angaben machen?

Beste Grüße,
Arachnoid
Alle Beiträge dieses Benutzers finden
Diese Nachricht in einer Antwort zitieren to top
25.10.2012, 22:06
Beitrag #4

jg Offline
CLA & CLED
LVF-Team

Beiträge: 15.864
Registriert seit: Jun 2005

20xx / 8.x
1999
EN

Franken...
Deutschland
RE: 1D-Faltung (DBL)
Dann zieh dir
1) die Einführungskurse rein (s. Gerds Signatur).
2) das Snippet ins Blockdiagramm.

Gruß, Jens

Wer die erhabene Weisheit der Mathematik tadelt, nährt sich von Verwirrung. (Leonardo da Vinci)

!! BITTE !! stellt mir keine Fragen über PM, dafür ist das Forum da - andere haben vielleicht auch Interesse an der Antwort!

Einführende Links zu LabVIEW, s. GerdWs Signatur.
Alle Beiträge dieses Benutzers finden
Diese Nachricht in einer Antwort zitieren to top
26.10.2012, 07:53 (Dieser Beitrag wurde zuletzt bearbeitet: 26.10.2012 07:54 von GerdW.)
Beitrag #5

GerdW Offline
______________
LVF-Team

Beiträge: 17.534
Registriert seit: May 2009

LV2019 (LV2021)
1995
DE_EN

10×××
Deutschland
RE: 1D-Faltung (DBL)
Hallo Arachnoid,

Zitat:Bezüglich deines VIs habe ich das Problem, dass mir die letzten drei Blöcke völlig unbekannt sind kannst du zu deren Bedeutung Angaben machen?
Der Hinweis auf den Einsteigerkurs kam ja schon.
Von mir noch der Tipp: Als Einsteiger immer die Kontexthilfe offen lassen - und ab und zu auch mal lesen!
Auch für den XY-Graph gibt es eine Kontexthilfe. Die zeigt, wie man Plots erstellt, ohne auf ExpressVIs zurückzugreifen. Und nennt auch die dafür nötigen Funktionen (BundleCluster, BuildArray)...

Zu den genannten Snippets: Die wurden mit LV2009 eingeführt. Laut deinem Profil hast du aber nur LV8, musst also selbst programmieren...

Alle Beiträge dieses Benutzers finden
Diese Nachricht in einer Antwort zitieren to top
26.10.2012, 09:21
Beitrag #6

THL Offline
LVF-Gelegenheitsschreiber
**


Beiträge: 111
Registriert seit: May 2011

2012
2009
EN


Deutschland
RE: 1D-Faltung (DBL)

Akzeptierte Lösung

Um aufs eigentliche Problem zurückzukommen:
Bei deinem Beispiel faltest du einen Sinus mit einer Konstanten. Eine Faltung (f*g)(x) ist definiert als Integral( f(t) g(x-t) dt )
f ist dein Sinus, g deine Konstante, d.h. deine Faltung reduziert sich auf ein Integral über einen Sinus und das ist nunmal -Cosinus.
Da hast du deine "Phasenverschiebung".
Alle Beiträge dieses Benutzers finden
Diese Nachricht in einer Antwort zitieren to top
26.10.2012, 16:56
Beitrag #7

Arachnoid Offline
LVF-Grünschnabel
*


Beiträge: 25
Registriert seit: Nov 2009

12
-
DE

37073
Deutschland
RE: 1D-Faltung (DBL)
Hallo zusammen,
erst einmal vielen Dank für die konstruktiven Hinweise bezüglich Kontexthilfe etc. (eine wirklich tolle Funktion).

Dank des letzten Hinweises von THL konnte ich meinen Fehler im VI finden (Rechteckfunktion erstreckt sich über Periodendauer der Sinusschwingung).

Viele Grüße,

Arachnoid
Alle Beiträge dieses Benutzers finden
Diese Nachricht in einer Antwort zitieren to top
Antwort schreiben 


Möglicherweise verwandte Themen...
Themen Verfasser Antworten Views Letzter Beitrag
  Faltung mit Filterkernel -> Ränder nicht mit Nullen füllen thz89 2 4.918 06.10.2017 13:09
Letzter Beitrag: thz89
  Faltung Physikus 8 9.420 06.02.2009 07:15
Letzter Beitrag: rolfk

Gehe zu: