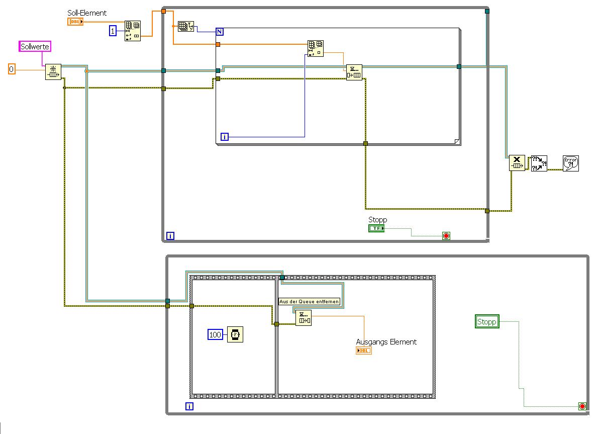
AO-Sollwerte im Takt ausgeben und zwischendurch Regeln |
Wenn dein Problem oder deine Frage geklärt worden ist, markiere den Beitrag als "Lösung",
indem du auf den "Lösung" Button rechts unter dem entsprechenden Beitrag klickst. Vielen Dank!
|
|
|
| Möglicherweise verwandte Themen... | |||||
| Themen | Verfasser | Antworten | Views | Letzter Beitrag | |
| Strom regeln | Zadomo | 20 | 16.879 |
18.03.2019 16:44 Letzter Beitrag: GerdW |
|
| Unregelmäßigen Takt erzeugen | LV-User00 | 5 | 5.790 |
25.10.2013 09:16 Letzter Beitrag: GerdW |
|
| Erfassung mehrere Spannungswerte bei einem Takt | Nullstrom | 11 | 11.961 |
28.03.2013 15:29 Letzter Beitrag: Andora |
|
| Servomotor regeln | johnnyP | 1 | 5.867 |
25.01.2011 16:31 Letzter Beitrag: RHeil |
|
| Anforderungen an externen Sample Takt | Surtre | 6 | 9.206 |
25.06.2010 11:04 Letzter Beitrag: Achim |
|
| Schleife Verzögern für stabilen Takt | Movie | 3 | 6.526 |
03.08.2009 07:56 Letzter Beitrag: Movie |
|






