Hallo LabView Users,
ich sitze schon seit Längerem an einem Problem mit der Ableitungsfunktion in LabView (

) und ich hoffe, mir kann hier jemand weiterhelfen.
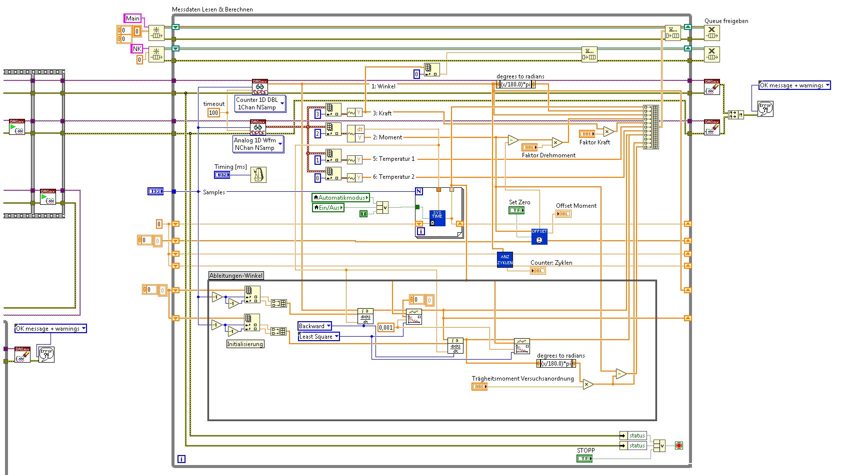
Ich habe ein etwas größeres Vi geschrieben, das die Datenerfassung und Steuerung eines Prüfstandes ermöglicht. Leider kann ich das Vi hier nicht hochladen, weil es mehrere SubVi's und Cluster umfasst. Aber vielleicht klappt es auch mit den Bildern zur betreffenden Stelle.
Ich erfasse mit einem Compact-DAQ Chassis mehrere analoge Signale sowie ein digitales Signal. Bei dem digitalen Signal handelt es sich um ein Winkelsensor, mit dem ich später die Geschwindigkeit / Beschleunigung berechnen möchte.
Die Signale werden mit 400 Hz erfasst und zur Zeit arbeite ich mit 40 Samples, die in Arrays weitergeleitet und zu Berechnungen zur Verfügung gestellt werden. Das heißt, dass das VI stets mit Arrays mit 40 Einträgen arbeitet. Leider habe ich etwas Probleme mit der Ableitung des Winkel-Arrays und speziell dafür an den Randbedingungen. Als Methode habe ich 'rückwärts' ausgewählt, damit sollten sich eigentlich einfache Randbedingungen für die Funktion ergeben. Ich habe somit die Initialisierung der Ableitung über ein Schieberegisters des Winkelarrays erstellt. Laut der Hilfe in LabVIEW sollte eigentlich der letzte Eintrag des vorhergehenden Arrays genügen, um eine "stetige Ableitung" zu erzeugen... In den Daten, die ich ganz am Ende in ein TXT-File schreibe, sehe ich allerdings, dass es zu deutlichen Übergangsproblemen kommt. Eigentlich wäre nur der erste Eintrag des vorhergehenden Arrays notwendig gewesen. Ich hatte die zwei letzten Einträge des Array entnommen, da ich eventuell mehrere Varianten ausprobieren wollte. Mit einer Fitting Funktion habe ich versucht, die Sache etwas zu glätten.
Auf Tipps und Tricks bzw. Kritik würde ich mich freuen...
Gruß