INFO: Dieses Forum nutzt Cookies...
Cookies sind für den Betrieb des Forums unverzichtbar. Mit der Nutzung des Forums erklärst Du dich damit einverstanden, dass wir Cookies verwenden.

Es wird in jedem Fall ein Cookie gesetzt um diesen Hinweis nicht mehr zu erhalten. Desweiteren setzen wir Google Adsense und Google Analytics ein.


Antwort schreiben 

Agilent Oszilloskop DSO-X 3024A



Wenn dein Problem oder deine Frage geklärt worden ist, markiere den Beitrag als "Lösung",
indem du auf den "Lösung" Button rechts unter dem entsprechenden Beitrag klickst. Vielen Dank!

19.02.2018, 08:22
Beitrag #1

xxokiehxx Offline
LVF-Grünschnabel
*


Beiträge: 40
Registriert seit: Jan 2018

2014
2017
DE



Agilent Oszilloskop DSO-X 3024A
Hallo zusammen,
ich möchte von meinem Oszilloskop 3 Channel mit dem Computer einlesen. Es geht nur um einmaliges einlesen, nicht kontinuierlich. Das Oszi erhält einen Trigger und zeichnet die gewünschten Signale auf. In Labview finde ich nur Programme um ein Signal aufzuzeichnen, was auch problemlos funktioniert. Jedoch finde ich keine Lösung um 3 Channel aufzuzeichnen und diese in einer Datei zu speichern, besser gesagt kommt bei meiner Lösung (siehe Bilder) immer ein Fehler![attachment=58807]

Vielleicht kann mir ja jemand weiter helfen Smile


Angehängte Datei(en) Thumbnail(s)
       
Alle Beiträge dieses Benutzers finden
Diese Nachricht in einer Antwort zitieren to top
Anzeige
19.02.2018, 08:47
Beitrag #2

GerdW Offline
______________
LVF-Team

Beiträge: 17.536
Registriert seit: May 2009

LV2019 (LV2021)
1995
DE_EN

10×××
Deutschland
RE: Agilent Oszilloskop DSO-X 3024A
Hallo xxo,

Zitat:Jedoch finde ich keine Lösung um 3 Channel aufzuzeichnen und diese in einer Datei zu speichern, besser gesagt kommt bei meiner Lösung (siehe Bilder) immer ein Fehler!
Wo genau werden in deinem Bild diese 3 Channels konfiguriert?

Dein Messgerät teilt dir mit, dass es einen der Befehle nicht versteht: "-113: Undefined header". Da müsstest du einfach mal debuggen und so herausfinden, welchen der Befehle das Oszi nicht mag. Dann im Handbuch nachlesen, warum es den Befehl nicht mag und wie man es dazu bringt, diesen doch zu mögen!

Alle Beiträge dieses Benutzers finden
Diese Nachricht in einer Antwort zitieren to top
19.02.2018, 08:54 (Dieser Beitrag wurde zuletzt bearbeitet: 19.02.2018 08:55 von xxokiehxx.)
Beitrag #3

xxokiehxx Offline
LVF-Grünschnabel
*


Beiträge: 40
Registriert seit: Jan 2018

2014
2017
DE



RE: Agilent Oszilloskop DSO-X 3024A
(19.02.2018 08:47 )GerdW schrieb:  Hallo xxo,

Zitat:Jedoch finde ich keine Lösung um 3 Channel aufzuzeichnen und diese in einer Datei zu speichern, besser gesagt kommt bei meiner Lösung (siehe Bilder) immer ein Fehler!
Wo genau werden in deinem Bild diese 3 Channels konfiguriert?

Dein Messgerät teilt dir mit, dass es einen der Befehle nicht versteht: "-113: Undefined header". Da müsstest du einfach mal debuggen und so herausfinden, welchen der Befehle das Oszi nicht mag. Dann im Handbuch nachlesen, warum es den Befehl nicht mag und wie man es dazu bringt, diesen doch zu mögen!

Hallo GerdW,
links oben bei der Bedienoberfläche (im Moment nur 2 channel), der Eingang des Multiple Baustein möchte einen 1D Array(Long) haben.
Alle Beiträge dieses Benutzers finden
Diese Nachricht in einer Antwort zitieren to top
19.02.2018, 09:01
Beitrag #4

GerdW Offline
______________
LVF-Team

Beiträge: 17.536
Registriert seit: May 2009

LV2019 (LV2021)
1995
DE_EN

10×××
Deutschland
RE: Agilent Oszilloskop DSO-X 3024A
Hallo xxo,

Zitat:inks oben bei der Bedienoberfläche (im Moment nur 2 channel)
Das sehe ich, nur: wo hast du die Channels konfiguriert???
(Wo sagst du dem Oszi, dass es diese Channels auch für die Messung verwenden und voirbereiten soll?)

Zitat:der Eingang des Multiple Baustein möchte einen 1D Array(Long) haben.
Anscheinend stimmt deine Aussage so nicht, sonst wäre da kein CoercionDot zu sehen…

Alle Beiträge dieses Benutzers finden
Diese Nachricht in einer Antwort zitieren to top
19.02.2018, 10:22
Beitrag #5

xxokiehxx Offline
LVF-Grünschnabel
*


Beiträge: 40
Registriert seit: Jan 2018

2014
2017
DE



RE: Agilent Oszilloskop DSO-X 3024A
(19.02.2018 09:01 )GerdW schrieb:  Hallo xxo,

Zitat:inks oben bei der Bedienoberfläche (im Moment nur 2 channel)
Das sehe ich, nur: wo hast du die Channels konfiguriert???
(Wo sagst du dem Oszi, dass es diese Channels auch für die Messung verwenden und voirbereiten soll?)

Zitat:der Eingang des Multiple Baustein möchte einen 1D Array(Long) haben.
Anscheinend stimmt deine Aussage so nicht, sonst wäre da kein CoercionDot zu sehen…

Kann dir nicht ganz folgen. Aber ich glaube das ich vor dem multiple waveform vi noch einen vi configure channel benötige--> wobei ich bei diesem nur einen Kanal auswählen kann.
Im Handbuch finde ich keine Informationen. Ist es denn überhaupt möglich mehrere Kanäle auf einmal auszulesen oder sollte ich lieber die einzelnen channel nacheinander auslesen?
Alle Beiträge dieses Benutzers finden
Diese Nachricht in einer Antwort zitieren to top
19.02.2018, 10:38
Beitrag #6

GerdW Offline
______________
LVF-Team

Beiträge: 17.536
Registriert seit: May 2009

LV2019 (LV2021)
1995
DE_EN

10×××
Deutschland
RE: Agilent Oszilloskop DSO-X 3024A
Hallo xxo,

Zitat:Aber ich glaube das ich vor dem multiple waveform vi noch einen vi configure channel benötige
Genau das meine ich. Bei DAQmx funktioniert das sehr ähnlich…

Kannst du das ConfigureChannel nicht mehrfach aufrufen?
(Ich kenne diesen speziellen DeviceDriver nicht, aber da wird wohl schon irgendwo eine entsprechende Möglichkeit vorgesehen sein.)

Alle Beiträge dieses Benutzers finden
Diese Nachricht in einer Antwort zitieren to top
Anzeige
19.02.2018, 11:21
Beitrag #7

xxokiehxx Offline
LVF-Grünschnabel
*


Beiträge: 40
Registriert seit: Jan 2018

2014
2017
DE



RE: Agilent Oszilloskop DSO-X 3024A
(19.02.2018 10:38 )GerdW schrieb:  Hallo xxo,

Zitat:Aber ich glaube das ich vor dem multiple waveform vi noch einen vi configure channel benötige
Genau das meine ich. Bei DAQmx funktioniert das sehr ähnlich…

Kannst du das ConfigureChannel nicht mehrfach aufrufen?
Im Anhang mal die Beschreibungen. Ich weis nur nicht wie ich das realisieren soll wenn ich mehrer channel mit dem config machen soll. kann ich beide in reihe vor das lese modul schalten und dort die 2 channel eingeben, also pro config vi jeweils 1 channel?

(Ich kenne diesen speziellen DeviceDriver nicht, aber da wird wohl schon irgendwo eine entsprechende Möglichkeit vorgesehen sein.)


Angehängte Datei(en) Thumbnail(s)
       
Alle Beiträge dieses Benutzers finden
Diese Nachricht in einer Antwort zitieren to top
19.02.2018, 11:44
Beitrag #8

GerdW Offline
______________
LVF-Team

Beiträge: 17.536
Registriert seit: May 2009

LV2019 (LV2021)
1995
DE_EN

10×××
Deutschland
RE: Agilent Oszilloskop DSO-X 3024A
Hallo xxo,

na siehste, steht doch alles in der Hilfe zur Funktion…

Beim Read steht, dass du die entsprechenden Kanäle mit dem Configure vorbereiten ("all channels that you enabled…") musst!
In deinem VI sieht man zwar einmal das Configure, aber ohne weitere Parameter…

Alle Beiträge dieses Benutzers finden
Diese Nachricht in einer Antwort zitieren to top
19.02.2018, 13:03
Beitrag #9

xxokiehxx Offline
LVF-Grünschnabel
*


Beiträge: 40
Registriert seit: Jan 2018

2014
2017
DE



RE: Agilent Oszilloskop DSO-X 3024A
(19.02.2018 11:44 )GerdW schrieb:  Hallo xxo,

na siehste, steht doch alles in der Hilfe zur Funktion…

Beim Read steht, dass du die entsprechenden Kanäle mit dem Configure vorbereiten ("all channels that you enabled…") musst!
In deinem VI sieht man zwar einmal das Configure, aber ohne weitere Parameter…


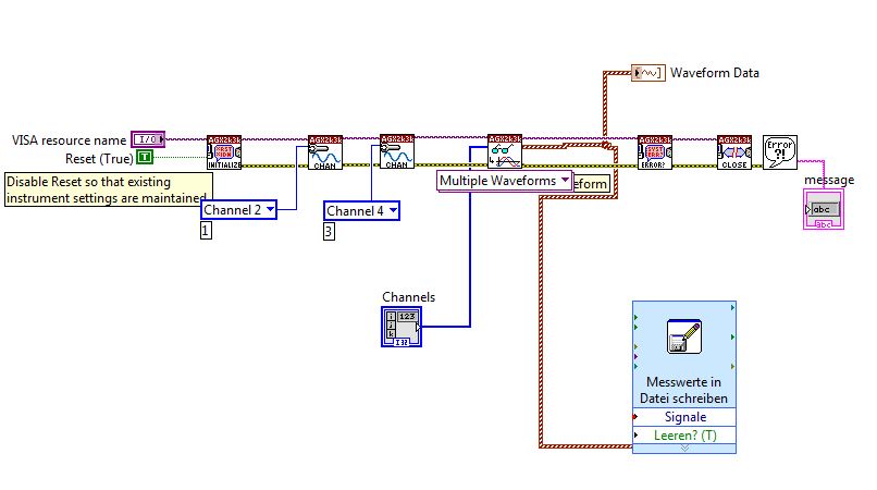
Wie würdest du die config einbauen? in bild 5 hab ich sie mal in reihe
Über deine Hilfe wäre ich sehr dankbar Smile


Angehängte Datei(en) Thumbnail(s)
       
Alle Beiträge dieses Benutzers finden
Diese Nachricht in einer Antwort zitieren to top
19.02.2018, 14:29
Beitrag #10

GerdW Offline
______________
LVF-Team

Beiträge: 17.536
Registriert seit: May 2009

LV2019 (LV2021)
1995
DE_EN

10×××
Deutschland
RE: Agilent Oszilloskop DSO-X 3024A
Hallo xxo,

so macht das einen guten Eindruck: erst Gerät initialisieren, dann Kanäle konfigurieren, dann messen…

Alle Beiträge dieses Benutzers finden
Diese Nachricht in einer Antwort zitieren to top
30
Antwort schreiben 


Möglicherweise verwandte Themen...
Themen Verfasser Antworten Views Letzter Beitrag
  Übertragung Messwerte Oszilloskop → LabView pv-student 2 7.688 19.02.2018 08:32
Letzter Beitrag: xxokiehxx
  Treiber für das Agilent 54645d Oszilloskop Gisele 4 6.178 26.10.2012 10:32
Letzter Beitrag: Achim
  Agilent 34411 über USB/GPIB Adapter Agilent 82357B funktioniert nicht tom650 3 10.200 08.02.2012 16:15
Letzter Beitrag: Falk
  Einsatz des Gerätetreibers für das Oszilloskop Agilent 54624A seretret 5 8.416 06.05.2011 08:34
Letzter Beitrag: jg
  Ansteuerung eines LeCroy Oszilloskop esz_team 6 15.961 11.01.2011 07:49
Letzter Beitrag: esz_team
  ATTiny45 als Oszilloskop -> USB PC snuz 5 10.082 26.08.2010 09:21
Letzter Beitrag: snuz

Gehe zu: