INFO: Dieses Forum nutzt Cookies...
Cookies sind für den Betrieb des Forums unverzichtbar. Mit der Nutzung des Forums erklärst Du dich damit einverstanden, dass wir Cookies verwenden.

Es wird in jedem Fall ein Cookie gesetzt um diesen Hinweis nicht mehr zu erhalten. Desweiteren setzen wir Google Adsense und Google Analytics ein.


Antwort schreiben 

Anbindung eine serielle Übertragung



Wenn dein Problem oder deine Frage geklärt worden ist, markiere den Beitrag als "Lösung",
indem du auf den "Lösung" Button rechts unter dem entsprechenden Beitrag klickst. Vielen Dank!

18.08.2012, 01:03
Beitrag #1

boujad Offline
LVF-Grünschnabel
*


Beiträge: 38
Registriert seit: Aug 2012

Studenten version
2012
kA



Anbindung eine serielle Übertragung
ich bin neu hier und ich habe nicht viel Ahnung im LabVIEW, deswegen brauche ich ihre Hilfe hier.Ich habe eine Aufgabe aber ich weiss nicht wie ich anfangen soll.
Die Aufgabe Läutet:

Über eine Serielle Schnittstellen RS232 will ich Daten Übertragen ( es handelt sich um mehrere Byts bzw Integer werte) auslesen und die werte im einem Diagramm visualisieren, danach die Datenpaket in einem Exel oder TXT-File abspeichern.

Ich bin seit Tagen dabei aber ohne erfolg.

Ich werde sehr dankbar, wenn jemand mir hilft.
Alle Beiträge dieses Benutzers finden
Diese Nachricht in einer Antwort zitieren to top
Anzeige
18.08.2012, 09:50 (Dieser Beitrag wurde zuletzt bearbeitet: 18.08.2012 09:51 von Y-P.)
Beitrag #2

Y-P Offline
☻ᴥᴥᴥ☻ᴥᴥᴥ☻
LVF-Team

Beiträge: 12.612
Registriert seit: Feb 2006

Developer Suite Core -> LabVIEW 2015 Prof.
2006
EN

71083
Deutschland
RE: Anbindung eine serielle Übertragung
Nimm das Bsp. "Basic Serial Write and Read.vi" aus dem Examplefinder zum Auslesen, wandle den empfangen String in eine Zahl um und speichere Deine Tabelle (die kannst Du Dir ja je nach Durchläufen zusammenbauen) dann entweder per "Write to Spreadsheet File.vi" (TXT) oder per ActiveX (Excel) ab.

Gruß Markus

--------------------------------------------------------------------------
Bitte stellt mir keine Fragen über PM, dafür ist das Forum da - andere haben vielleicht auch Interesse an der Antwort !!
--------------------------------------------------------------------------
Alle Beiträge dieses Benutzers finden
Diese Nachricht in einer Antwort zitieren to top
18.08.2012, 12:50
Beitrag #3

boujad Offline
LVF-Grünschnabel
*


Beiträge: 38
Registriert seit: Aug 2012

Studenten version
2012
kA



RE: Anbindung eine serielle Übertragung
Danke Markus für ihre Antwort,

kannst du mir bitte zeigen, wo ich das Bsp. "Basic Serial Write and Read.vi" finden kann, oder können Sie mir das Beispiel im LabView Datei schicken.ich werde Ihnen sehr dankbar sein.
Ich muss die Aufgabe am Montag abgeben.
bitte
Alle Beiträge dieses Benutzers finden
Diese Nachricht in einer Antwort zitieren to top
18.08.2012, 13:06
Beitrag #4

boujad Offline
LVF-Grünschnabel
*


Beiträge: 38
Registriert seit: Aug 2012

Studenten version
2012
kA



RE: Anbindung eine serielle Übertragung
ich habe nun das Programm Basic Serial Write and Read.v

Die Frage nun wie wandle den empfangen String in eine Zahl um. kann jemand für mich das im Anhängen Datei bitte basteln. Ich bin noch Anfänger und ich will von euch lernen

Ich danke euch hier


Angehängte Datei(en)
10.0 .vi  Basic_Serial_Write_and_Read1.vi (Größe: 22,62 KB / Downloads: 308)
Alle Beiträge dieses Benutzers finden
Diese Nachricht in einer Antwort zitieren to top
19.08.2012, 08:43
Beitrag #5

Y-P Offline
☻ᴥᴥᴥ☻ᴥᴥᴥ☻
LVF-Team

Beiträge: 12.612
Registriert seit: Feb 2006

Developer Suite Core -> LabVIEW 2015 Prof.
2006
EN

71083
Deutschland
RE: Anbindung eine serielle Übertragung
Hab' Dir hier mal ein Bsp. mit "simulierten Daten gemacht, die ich von einer Zufallszahl zuerst in einen String (so wie Du es hast) und dann wieder zurück gewandelt habe. Danach werden die Daten gespeichert.


11.0 .vi  Daten anzeigen und speichern.vi (Größe: 18,2 KB / Downloads: 338)
   

Gruß Markus

--------------------------------------------------------------------------
Bitte stellt mir keine Fragen über PM, dafür ist das Forum da - andere haben vielleicht auch Interesse an der Antwort !!
--------------------------------------------------------------------------
Alle Beiträge dieses Benutzers finden
Diese Nachricht in einer Antwort zitieren to top
19.08.2012, 13:16
Beitrag #6

boujad Offline
LVF-Grünschnabel
*


Beiträge: 38
Registriert seit: Aug 2012

Studenten version
2012
kA



RE: Anbindung eine serielle Übertragung
Hallo Markus,

danke sehr für deine Hilfe.Ich werde damit anfangen. und ich werde dir heute oder morgen das Programm hier schicken und du kannst bitte das Kontrollieren, ob das Stimmt oder nicht.

Danke nochmal
Alle Beiträge dieses Benutzers finden
Diese Nachricht in einer Antwort zitieren to top
19.08.2012, 13:57
Beitrag #7

boujad Offline
LVF-Grünschnabel
*


Beiträge: 38
Registriert seit: Aug 2012

Studenten version
2012
kA



RE: Anbindung eine serielle Übertragung
Hallo Markus,

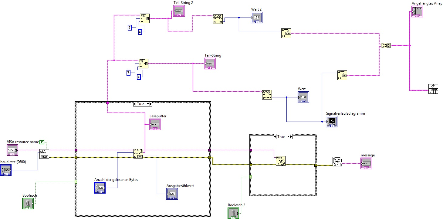
Ich habe dieses Programm entwickelt (Daten Übertragen ( es handelt sich um mehrere Byts bzw Integer werte) auslesen und die werte im einem Diagramm visualisieren und Speichern)

schau mal das Programm bitte an, ob es richtig ist?? wenn nicht, kannst du bitte auch auf diesem Programm (Anhänger Datei) was ändern oder Korrigieren, da ich morgen abgeben muss Sad Sad bitte bitte

danke Markus


Angehängte Datei(en) Thumbnail(s)
   

10.0 .vi  Einlesen_4.vi (Größe: 22,66 KB / Downloads: 301)
Alle Beiträge dieses Benutzers finden
Diese Nachricht in einer Antwort zitieren to top
19.08.2012, 15:53 (Dieser Beitrag wurde zuletzt bearbeitet: 19.08.2012 15:54 von GerdW.)
Beitrag #8

GerdW Online
______________
LVF-Team

Beiträge: 17.528
Registriert seit: May 2009

LV2019 (LV2021)
1995
DE_EN

10×××
Deutschland
RE: Anbindung eine serielle Übertragung
Hallo Markus,

- leider hast du bisher kein Beispiel eines empfangenen Strings geliefert, sodass man nicht überprüfen kann, ob deine Konvertierung richtig verläuft...

- warum wertest du zweimal den gleichen Teilstring aus?
- warum wandelst du den Teilstring in eine Zahl um, um ihn gleich darauf wieder in einen String zurückzukonvertieren?
- warum öffnest du den seriellen Port, schließt ihn aber nur bei boolsch2=TRUE?
- warum benutzt du nicht mal den Aufräum-Knopf?

Zitat:da ich morgen abgeben muss
Schlechtes Zeitmanagement? Und jetzt hier betteln?

Alle Beiträge dieses Benutzers finden
Diese Nachricht in einer Antwort zitieren to top
19.08.2012, 18:16
Beitrag #9

Y-P Offline
☻ᴥᴥᴥ☻ᴥᴥᴥ☻
LVF-Team

Beiträge: 12.612
Registriert seit: Feb 2006

Developer Suite Core -> LabVIEW 2015 Prof.
2006
EN

71083
Deutschland
RE: Anbindung eine serielle Übertragung
Hallo Gerd,

ich glaube mit "danke Markus" meinte er mich. Big Grin
Ich habe mich gerade angesprochen gefühlt und dann gemerkt, dass Du ihn (sie) meinst. Big Grin

Gruß Markus

(19.08.2012 15:53 )GerdW schrieb:  Hallo Markus,

- leider hast du bisher kein Beispiel eines empfangenen Strings geliefert, sodass man nicht überprüfen kann, ob deine Konvertierung richtig verläuft...

- warum wertest du zweimal den gleichen Teilstring aus?
- warum wandelst du den Teilstring in eine Zahl um, um ihn gleich darauf wieder in einen String zurückzukonvertieren?
- warum öffnest du den seriellen Port, schließt ihn aber nur bei boolsch2=TRUE?
- warum benutzt du nicht mal den Aufräum-Knopf?

Zitat:da ich morgen abgeben muss
Schlechtes Zeitmanagement? Und jetzt hier betteln?

--------------------------------------------------------------------------
Bitte stellt mir keine Fragen über PM, dafür ist das Forum da - andere haben vielleicht auch Interesse an der Antwort !!
--------------------------------------------------------------------------
Alle Beiträge dieses Benutzers finden
Diese Nachricht in einer Antwort zitieren to top
19.08.2012, 19:10
Beitrag #10

boujad Offline
LVF-Grünschnabel
*


Beiträge: 38
Registriert seit: Aug 2012

Studenten version
2012
kA



RE: Anbindung eine serielle Übertragung
ich habe nicht viel Ahnung im Labview ( Ich bin Anfänger), deswegen habe ich Schwierigkeit nun gefunden. ich weis nicht was ich in diesem Thema weiter machen soll.

warum wertest du zweimal den gleichen Teilstring aus?( Ich kann auch nun einen machen)
warum wandelst du den Teilstring in eine Zahl um, um ihn gleich darauf wieder in einen String zurückzukonvertieren?(damit ich die Zahlen in einem Diagramm Visualisieren)
leider hast du bisher kein Beispiel eines empfangenen Strings geliefert, sodass man nicht überprüfen kann, ob deine Konvertierung richtig verläuft... ( wie kann ich das machen)




was soll ich im Programm ändern??
wenn jemand schon ein Beispiel so was hat?? kann mir dabei bitte helfen
Alle Beiträge dieses Benutzers finden
Diese Nachricht in einer Antwort zitieren to top
Antwort schreiben 


Möglicherweise verwandte Themen...
Themen Verfasser Antworten Views Letzter Beitrag
  Übertragung Messwerte Oszilloskop → LabView pv-student 2 7.458 19.02.2018 08:32
Letzter Beitrag: xxokiehxx
  Auslesen der USB übertragung fehlerhaft horschtinator 2 5.368 20.09.2012 05:37
Letzter Beitrag: horschtinator
  Probleme bei der Messdatenerfassung über eine serielle Schnittestelle dtk 6 9.385 27.04.2011 21:19
Letzter Beitrag: dtk
  Wie RS232 Übertragung Triggern? Lord_Gismo 5 7.607 04.06.2010 11:25
Letzter Beitrag: IchSelbst
  Serielle Übertragung PollysFriend 3 5.353 30.11.2009 13:09
Letzter Beitrag: eg
  Problem bei der Übertragung über serielle Schnittstelle lism 5 5.717 06.09.2009 14:16
Letzter Beitrag: Y-P

Gehe zu: