INFO: Dieses Forum nutzt Cookies...
Cookies sind für den Betrieb des Forums unverzichtbar. Mit der Nutzung des Forums erklärst Du dich damit einverstanden, dass wir Cookies verwenden.

Es wird in jedem Fall ein Cookie gesetzt um diesen Hinweis nicht mehr zu erhalten. Desweiteren setzen wir Google Adsense und Google Analytics ein.


Antwort schreiben 

Aufgespaltene Teile eines Strings tabellarisch und graphisch darstellen



Wenn dein Problem oder deine Frage geklärt worden ist, markiere den Beitrag als "Lösung",
indem du auf den "Lösung" Button rechts unter dem entsprechenden Beitrag klickst. Vielen Dank!

16.09.2007, 08:52 (Dieser Beitrag wurde zuletzt bearbeitet: 22.12.2007 19:55 von jg.)
Beitrag #1

ToxicCobra Offline
LVF-Grünschnabel
*


Beiträge: 16
Registriert seit: Sep 2007

8.2
2007
kA

13055
Deutschland
Aufgespaltene Teile eines Strings tabellarisch und graphisch darstellen
Hi, ich bin blutiger Anfänger, was die Programmierung mit LabVIEW angeht. Mache das erst seit zwei Wochen.
Und bin nun auf ein für mich unlösbares Problem gestoßen:

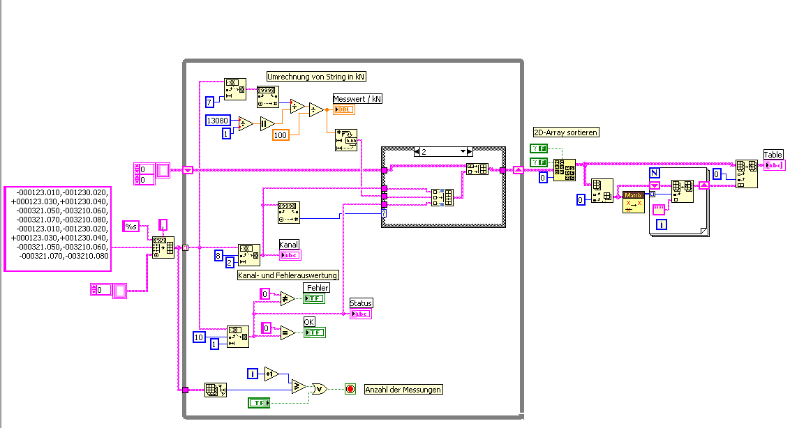
Ich habe an einen PC einen Messverstärker angeschlossen und möchte dessen Ausgabesignal tabellarisch und graphisch darstellen. Ich habe es geschafft, das Signal so zu zerlegen, dass ich alle relevanten Daten gesondert herausbekomme.

Beispiel für Signalteil: -001204.030 [-001204: Messwert mit Vorzeichen; 03: Eingangskanal des Verstärkers (hier Kanal 3); 0: Fehlerstatus]

Die einzelnen Messsignale werden durch ein ,-Zeichen getrennt. So zu sehen im Teilprogramm, welches ich angehängt habe.

Die einzelnen Inhalte sollen nun so dargestellt werden, dass die einzelnen messwerte mit der zugehörigen Kanalnummer und Fehlerstatus in einer Tabelle eingeortnet werden. So zu sehen, in der Exel-Tabelle, die ich als Anschauung erstellt habe. Als letztes soll eine Messkurve aller (max. 12) Kanäle in einem Diagramm dargestellt werden.

Ich hoffe Ihr könnt mir helfen! Danke in Voraus!

(VI LV 7.1)


Angehängte Datei(en) Thumbnail(s)
       

Sonstige .vi  Forumversion.vi (Größe: 106,09 KB / Downloads: 286)
Alle Beiträge dieses Benutzers finden
Diese Nachricht in einer Antwort zitieren to top
Anzeige
16.09.2007, 12:05 (Dieser Beitrag wurde zuletzt bearbeitet: 22.12.2007 19:56 von jg.)
Beitrag #2

Y-P Offline
☻ᴥᴥᴥ☻ᴥᴥᴥ☻
LVF-Team

Beiträge: 12.612
Registriert seit: Feb 2006

Developer Suite Core -> LabVIEW 2015 Prof.
2006
EN

71083
Deutschland
Aufgespaltene Teile eines Strings tabellarisch und graphisch darstellen
Hallo,

die Tabelle klappt schon mal. Jetzt dürfte die graphische Anzeige kein Problem mehr sein.....
Ich habe leider nur LabVIEW 8.5 und kann nur auf LabVIEW 8.0 runterspeichern.... Evtl. kann Dir aber jemand die Dateien von 8.0 auf 7.1 runterspeichern....
Ich mach' aber auch mal ein paar Screenshots.... (Du musst im "Haupt-VI" für alle 12 Kanäle einen Case machen (1-12, ich habe nur Screenshots von 3 Cases gemacht), 0 ist default.
Die Sortierung des 2D-Arrays gibt's auch auf der NI-Homepage und zwar hier.

Gruß Markus

(VIs LV 8.0)


Angehängte Datei(en) Thumbnail(s)
                               

Sonstige .vi  NILV85ASD1_Forumversion.vi (Größe: 42,23 KB / Downloads: 255)

Sonstige .vi  Matrix_doppelte_Befehle_entfernen.vi (Größe: 19,86 KB / Downloads: 261)

Sonstige .vi  Sort_2D_Array__string_.vi (Größe: 27,26 KB / Downloads: 251)

--------------------------------------------------------------------------
Bitte stellt mir keine Fragen über PM, dafür ist das Forum da - andere haben vielleicht auch Interesse an der Antwort !!
--------------------------------------------------------------------------
Alle Beiträge dieses Benutzers finden
Diese Nachricht in einer Antwort zitieren to top
16.09.2007, 13:59
Beitrag #3

ToxicCobra Offline
LVF-Grünschnabel
*


Beiträge: 16
Registriert seit: Sep 2007

8.2
2007
kA

13055
Deutschland
Aufgespaltene Teile eines Strings tabellarisch und graphisch darstellen
He, danke für die schnelle Hilfe!

Habe da aber noch ne Frage: Wie kann ich diese (schwarz eingekreisten) Controlls erstellen?


Angehängte Datei(en) Thumbnail(s)
   
Alle Beiträge dieses Benutzers finden
Diese Nachricht in einer Antwort zitieren to top
16.09.2007, 17:38
Beitrag #4

Y-P Offline
☻ᴥᴥᴥ☻ᴥᴥᴥ☻
LVF-Team

Beiträge: 12.612
Registriert seit: Feb 2006

Developer Suite Core -> LabVIEW 2015 Prof.
2006
EN

71083
Deutschland
Aufgespaltene Teile eines Strings tabellarisch und graphisch darstellen
Im Blockdiagramm eine (leere) Array-Konstante platzieren und eine leere String-Konstante hineinziehen. Dann (wenn nötig) Rechtsklick darauf und "Add Dimension" auswählen (wenn Du ein 2D-Array willst).

Gruß Markus

' schrieb:He, danke für die schnelle Hilfe!

Habe da aber noch ne Frage: Wie kann ich diese (schwarz eingekreisten) Controlls erstellen?

--------------------------------------------------------------------------
Bitte stellt mir keine Fragen über PM, dafür ist das Forum da - andere haben vielleicht auch Interesse an der Antwort !!
--------------------------------------------------------------------------
Alle Beiträge dieses Benutzers finden
Diese Nachricht in einer Antwort zitieren to top
17.09.2007, 13:14 (Dieser Beitrag wurde zuletzt bearbeitet: 17.09.2007 13:16 von ToxicCobra.)
Beitrag #5

ToxicCobra Offline
LVF-Grünschnabel
*


Beiträge: 16
Registriert seit: Sep 2007

8.2
2007
kA

13055
Deutschland
Aufgespaltene Teile eines Strings tabellarisch und graphisch darstellen
' schrieb:Hallo,

die Tabelle klappt schon mal. Jetzt dürfte die graphische Anzeige kein Problem mehr sein.....
Ich habe leider nur LabVIEW 8.5 und kann nur auf LabVIEW 8.0 runterspeichern.... Evtl. kann Dir aber jemand die Dateien von 8.0 auf 7.1 runterspeichern....
Ich mach' aber auch mal ein paar Screenshots.... (Du musst im "Haupt-VI" für alle 12 Kanäle einen Case machen (1-12, ich habe nur Screenshots von 3 Cases gemacht), 0 ist default.
Die Sortierung des 2D-Arrays gibt's auch auf der NI-Homepage und zwar hier.

Gruß Markus
Na gut, bisher läuft alles so, wie ich mir das vorgestellt hab. Danke noch mal!

Leider bekomme ich das mit dem Grafen nicht hin.
Kannst du mir noch mal helfen?

Ach so, ich hab jetzt auf Version 8.2 umgestellt.
Alle Beiträge dieses Benutzers finden
Diese Nachricht in einer Antwort zitieren to top
17.09.2007, 19:39 (Dieser Beitrag wurde zuletzt bearbeitet: 22.12.2007 19:57 von jg.)
Beitrag #6

Y-P Offline
☻ᴥᴥᴥ☻ᴥᴥᴥ☻
LVF-Team

Beiträge: 12.612
Registriert seit: Feb 2006

Developer Suite Core -> LabVIEW 2015 Prof.
2006
EN

71083
Deutschland
Aufgespaltene Teile eines Strings tabellarisch und graphisch darstellen
Ist zwar etwas umständlich, aber es klappt einwandfrei. Mir ist auf die Schnelle nichts praktischeres eingefallen.

Gruß Markus

' schrieb:Na gut, bisher läuft alles so, wie ich mir das vorgestellt hab. Danke noch mal!

Leider bekomme ich das mit dem Grafen nicht hin.
Kannst du mir noch mal helfen?

Ach so, ich hab jetzt auf Version 8.2 umgestellt.

(VIs LV 8.0)


Angehängte Datei(en)
Sonstige .vi  NILV85ASD1_Forumversion_mit_Graph.vi (Größe: 81,42 KB / Downloads: 262)

Sonstige .vi  Matrix_doppelte_Befehle_entfernen.vi (Größe: 19,86 KB / Downloads: 273)

Sonstige .vi  Sort_2D_Array__string_.vi (Größe: 27,24 KB / Downloads: 253)

--------------------------------------------------------------------------
Bitte stellt mir keine Fragen über PM, dafür ist das Forum da - andere haben vielleicht auch Interesse an der Antwort !!
--------------------------------------------------------------------------
Alle Beiträge dieses Benutzers finden
Diese Nachricht in einer Antwort zitieren to top
Anzeige
18.09.2007, 08:22
Beitrag #7

ToxicCobra Offline
LVF-Grünschnabel
*


Beiträge: 16
Registriert seit: Sep 2007

8.2
2007
kA

13055
Deutschland
Aufgespaltene Teile eines Strings tabellarisch und graphisch darstellen
Oh man! Danke! Ohne dich hätte ich es nicht geschaft.

Ich würde immer noch verzweifelt auf den Bildschirm starren.Rolleyes
Alle Beiträge dieses Benutzers finden
Diese Nachricht in einer Antwort zitieren to top
18.09.2007, 08:36 (Dieser Beitrag wurde zuletzt bearbeitet: 18.09.2007 08:37 von Y-P.)
Beitrag #8

Y-P Offline
☻ᴥᴥᴥ☻ᴥᴥᴥ☻
LVF-Team

Beiträge: 12.612
Registriert seit: Feb 2006

Developer Suite Core -> LabVIEW 2015 Prof.
2006
EN

71083
Deutschland
Aufgespaltene Teile eines Strings tabellarisch und graphisch darstellen
Kein Problem. Wink

' schrieb:Oh man! Danke! Ohne dich hätte ich es nicht geschaft.

Ich würde immer noch verzweifelt auf den Bildschirm starren.Rolleyes

--------------------------------------------------------------------------
Bitte stellt mir keine Fragen über PM, dafür ist das Forum da - andere haben vielleicht auch Interesse an der Antwort !!
--------------------------------------------------------------------------
Alle Beiträge dieses Benutzers finden
Diese Nachricht in einer Antwort zitieren to top
Antwort schreiben 


Möglicherweise verwandte Themen...
Themen Verfasser Antworten Views Letzter Beitrag
  Teile aus SIgnal auslesen (Ni Scope) Pete_B 3 5.958 25.01.2008 14:49
Letzter Beitrag: Pete_B
  Zwei Antworten eines Sensors gleichzeitig Darstellen STG 4 5.384 12.07.2007 11:41
Letzter Beitrag: STG

Gehe zu: