INFO: Dieses Forum nutzt Cookies...
Cookies sind für den Betrieb des Forums unverzichtbar. Mit der Nutzung des Forums erklärst Du dich damit einverstanden, dass wir Cookies verwenden.

Es wird in jedem Fall ein Cookie gesetzt um diesen Hinweis nicht mehr zu erhalten. Desweiteren setzen wir Google Adsense und Google Analytics ein.


Antwort schreiben 

Zwei Antworten eines Sensors gleichzeitig Darstellen



Wenn dein Problem oder deine Frage geklärt worden ist, markiere den Beitrag als "Lösung",
indem du auf den "Lösung" Button rechts unter dem entsprechenden Beitrag klickst. Vielen Dank!

10.07.2007, 20:17
Beitrag #1

STG Offline
LVF-Grünschnabel
*


Beiträge: 30
Registriert seit: May 2007

8.6
2006
de

1097
Deutschland
Zwei Antworten eines Sensors gleichzeitig Darstellen
Hallo an alle,

ich habe mit LabVIEW ein VI erstellt mit dem ich ein Farbsensor steuern kann, dieser ist in der Lage Farben nicht nur wiederzugeben sondern auch zu erkennen. Er misst die Farben in ihrem Rot, Grün und Blau Anteil. Man kann Farben Teachen und wenn diese Farbe gemessen wird schaltet der Sensor. Es gibt ein Befehl zum schwellen auslesen der geteachten farbe, d. h. der Sensor gibt dann für jeden Farbanteil 2 Wete aus, die Schaltgrenzen. Zwischen muss der Farbwert sein damit geschalten wird. Außerdem gibt es noch den Befehl Tastbetrieb welcher die aktuellen Farbwerte zurückgibt. Ich würde gern 3 Liniendiagramme mit je 3 Graphen erstellen. Also wenn jemand den Sensorbetrieb wählt soll ihm die Farbe in ihren Anteilen in den Liniendiagrammen angezeigt werden und zusätzlich die Schaltgrenzen als Linien dargestellt werden. Das Problem dabei ist:
Ich möchte das zuerst der Befehl Schwellen auslesen durchgeführt wird um diese Werte dann ins Liniendiagramm als Konstante Linie anzeigen zu können. Danach wird der Befehle Tastbetrieb bis zum Abbruch des Benutzers ausgeführt.

Hab mal 2 Skizzen gemacht die das vielleicht besser erklären - das gesammte Proggis is bissel groß zum bild speichern - kanns aber auch mal hochladen.

   
   

Also der Wert aus Case 0 ist ja Konstant - wie erreiche ich das er im Diagramm neben der Variablen aus Case 1 als Linie dargestellt wird?

Vielleicht habt ihr eine Lösung, ich bin vielleicht auch schon wieder Blind weil ich zulang dran hänge.

Danke schonmal
Richard
Alle Beiträge dieses Benutzers finden
Diese Nachricht in einer Antwort zitieren to top
Anzeige
11.07.2007, 20:40
Beitrag #2

STG Offline
LVF-Grünschnabel
*


Beiträge: 30
Registriert seit: May 2007

8.6
2006
de

1097
Deutschland
Zwei Antworten eines Sensors gleichzeitig Darstellen
Hallo nochmal,

hat keiner eine Idee oder ist unklar was ich versuchen möchte?
Muss ja nicht mit diesen 2 Schleifen sein wenns noch andere Varianten gibt - das war nur so mein Anfang, wo ich ja aber leider nicht weiterkomme. VIelleicht hat ja doch noch jemand ein Tipp für mich - würde mich freuen.

Danke
Richard
Alle Beiträge dieses Benutzers finden
Diese Nachricht in einer Antwort zitieren to top
11.07.2007, 23:08
Beitrag #3

eg Offline
LVF-SeniorMod


Beiträge: 3.868
Registriert seit: Nov 2005

2016
2003
kA

66111
Deutschland
Zwei Antworten eines Sensors gleichzeitig Darstellen
' schrieb:Hallo nochmal,

hat keiner eine Idee oder ist unklar was ich versuchen möchte?
Muss ja nicht mit diesen 2 Schleifen sein wenns noch andere Varianten gibt - das war nur so mein Anfang, wo ich ja aber leider nicht weiterkomme. VIelleicht hat ja doch noch jemand ein Tipp für mich - würde mich freuen.

Danke
Richard


Ich finde du hast dich wirklich unklar ausgedrückt. Erstens sage bitte welchen Sensor du benutzt oder doch Vision? Wenn's ein Sensor ist kannst du so vorgehen. Den Befehl zum Schwellen Auslesen abschicken, Antwort auslesen, Antwort zwischenschpeichern. Dann Messung starten(in einer While-Schleife bis zum Abbruch durch Benutzer) und danach alles auf den Diagrammen darstellen. Besser ist du machst dir zwei paralelle While-Schleifen: eine zum Kommandieren und eine zum Auswerten.
Eine State-Machine ist eine gute Lösung(ähnlich wie du es gemacht hast).

eg

Webseite des Benutzers besuchen Alle Beiträge dieses Benutzers finden
Diese Nachricht in einer Antwort zitieren to top
12.07.2007, 10:52
Beitrag #4

STG Offline
LVF-Grünschnabel
*


Beiträge: 30
Registriert seit: May 2007

8.6
2006
de

1097
Deutschland
Zwei Antworten eines Sensors gleichzeitig Darstellen
Hallo,

ich habe heut mal versucht mir das Diagramm anzuzeigen, klappt aber nicht wie ich es gern hätte. LV stellt mir die 3 Werte in einer Linie dar?
Habe mir auch schon das Temperatur System Demo.vi angeschaut - das macht eigentlich genau das was ich will. Weiß nur noch nicht wo bei mir der Fehler liegt. Kenne mich auch nicht so gut aus in LV - gerade was den Umgang mit Array´s und CLustern betrifft. Ich hab mal 2 Bilder gemacht und hoffe das ihr mir vielleicht weiterhelfen könnt. Danke

   
   
Alle Beiträge dieses Benutzers finden
Diese Nachricht in einer Antwort zitieren to top
12.07.2007, 11:41
Beitrag #5

STG Offline
LVF-Grünschnabel
*


Beiträge: 30
Registriert seit: May 2007

8.6
2006
de

1097
Deutschland
Zwei Antworten eines Sensors gleichzeitig Darstellen
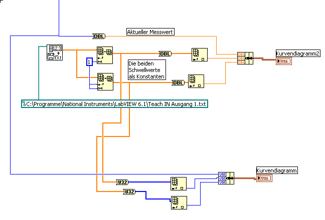
hab´s jetzt endlich geschafft....
lag natürlich am array - musste erst den Wert Rausziehen, dachte das ist egal da es ja nur noch 1 Feld hatte - aber ist trotzdem noch ein array gewesen und hat sich deshalb nicht mit dem Aktuellen messwert vertragen denk ich.

hier mal ein Bild wie es jetzt aussieht und geht.

   
Alle Beiträge dieses Benutzers finden
Diese Nachricht in einer Antwort zitieren to top
30
Antwort schreiben 


Möglicherweise verwandte Themen...
Themen Verfasser Antworten Views Letzter Beitrag
  Zwei Drucksensoren gleichzeitig auslesen (im Formt DBL) RiekeL 1 5.593 08.06.2015 14:55
Letzter Beitrag: MarkLoe
  Auslesen eines Kamera Sensors eixi 8 8.647 09.10.2013 14:34
Letzter Beitrag: eixi
  Zwei DAQmx Channels zur Erzeugung zweier Analog Outputs zur Steuerung eines galvano XY-Scanners RiSo1985 18 19.334 22.01.2010 11:02
Letzter Beitrag: Lucki
  Erzeugung zwei Signale gleichzeitig Yassine 10 11.880 17.06.2008 19:47
Letzter Beitrag: jg
  Aufgespaltene Teile eines Strings tabellarisch und graphisch darstellen ToxicCobra 7 7.179 18.09.2007 08:36
Letzter Beitrag: Y-P
  Probleme bei zwei DAQ-Assistenten gleichzeitig Labviewgruenling 1 4.281 18.06.2006 13:26
Letzter Beitrag: thomas.sandrisser

Gehe zu: