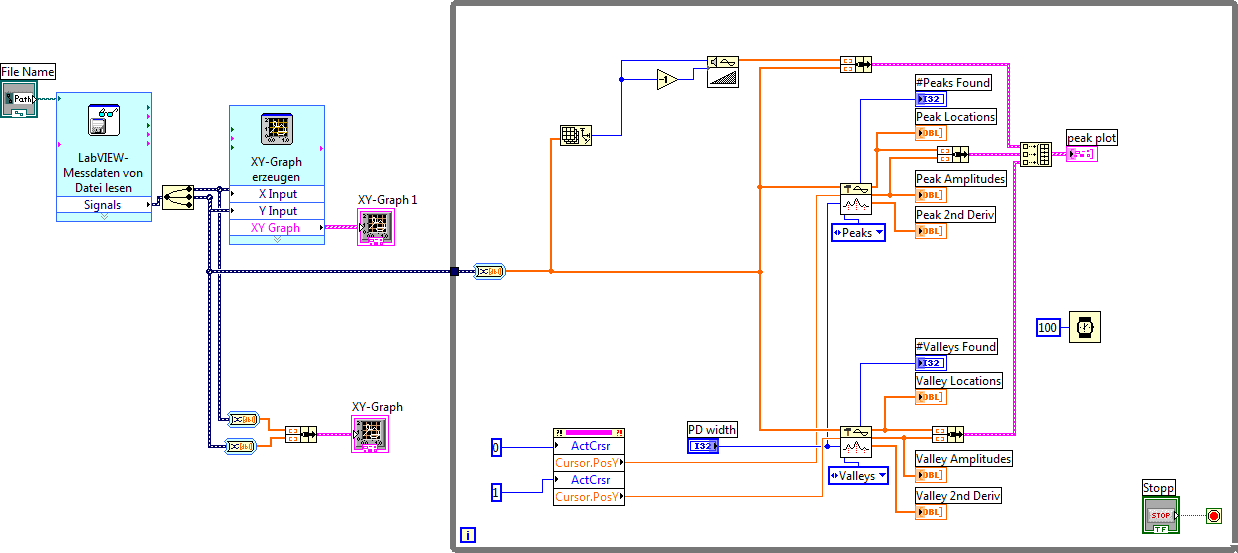
Aus XY Graph Tiefpunkte erkennen und anzeigen ähnlich Peak Detection and Display.vi |
Wenn dein Problem oder deine Frage geklärt worden ist, markiere den Beitrag als "Lösung",
indem du auf den "Lösung" Button rechts unter dem entsprechenden Beitrag klickst. Vielen Dank!
| 30
|
|
|
| Möglicherweise verwandte Themen... | |||||
| Themen | Verfasser | Antworten | Views | Letzter Beitrag | |
| Peak detection im Waveform Graph | Peter04 | 6 | 7.747 |
12.03.2021 13:22 Letzter Beitrag: Peter04 |
|
| 3D-Darstellung ähnlich XY-Graph | Wedgewood | 0 | 4.293 |
22.01.2019 13:31 Letzter Beitrag: Wedgewood |
|
| Mehrere Plots in XY-Graph über einen Eigenschaftsknoten anzeigen | tsa | 2 | 8.019 |
22.01.2016 14:09 Letzter Beitrag: Lucki |
|
| XY-Graph Cursorwerte seperat anzeigen | Daniel90 | 8 | 9.349 |
18.11.2015 16:35 Letzter Beitrag: Daniel90 |
|
| Peak Entfernung | F.Bi | 8 | 9.347 |
09.09.2015 13:54 Letzter Beitrag: panduci |
|
| Graph: Einheiten an den Achsen anzeigen | Matze | 9 | 12.654 |
14.01.2015 16:36 Letzter Beitrag: Morpheus |
|






