INFO: Dieses Forum nutzt Cookies...
Cookies sind für den Betrieb des Forums unverzichtbar. Mit der Nutzung des Forums erklärst Du dich damit einverstanden, dass wir Cookies verwenden.

Es wird in jedem Fall ein Cookie gesetzt um diesen Hinweis nicht mehr zu erhalten. Desweiteren setzen wir Google Adsense und Google Analytics ein.


Antwort schreiben 

(BMP) Bild aus String/Byte Array erzeugen?



Wenn dein Problem oder deine Frage geklärt worden ist, markiere den Beitrag als "Lösung",
indem du auf den "Lösung" Button rechts unter dem entsprechenden Beitrag klickst. Vielen Dank!

04.06.2007, 17:43
Beitrag #1

Rob Offline
LVF-Grünschnabel
*


Beiträge: 25
Registriert seit: Apr 2007

7.1
2007
kA


Deutschland
(BMP) Bild aus String/Byte Array erzeugen?
Hallo,

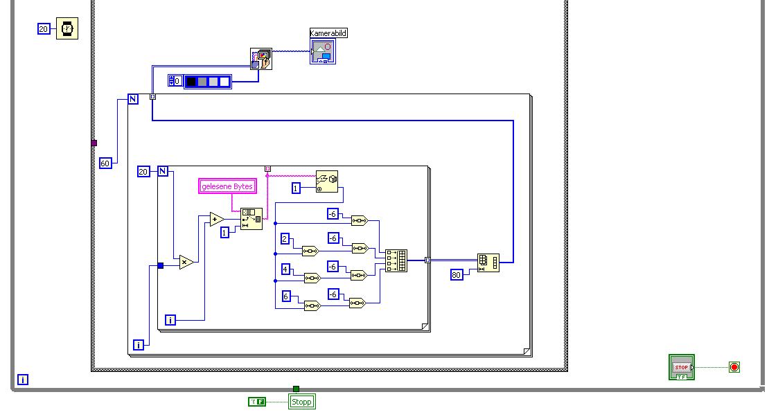
habe 1200 Bytes an Daten von der seriellen Schnittstelle eingelesen und möchte diese visualisieren/als Bild darstellen. Jedes einzelne dieser 1200 Bytes entspricht 4 * einer 4-Bit Graustufencodierung (also: weiß (=11), hellgrau (=10), dunkelgrau (=01), schwarz =(00)), d.h. mit je 2 Bit aus einem Byte wird ein Bildpunkt beschrieben = 4 Bildpunkte pro Byte (2Bit * 4 = 8 Bit = 1 Byte, z.B. 0x1A = 0001 1001 = sw, dg, hg, hg). Insgesamt sind in den 1200Bytes also 4800 Bildpunkte enthalten. Diese sollen insgesamt ein 80 x 60 Pixel großes Bild ergeben. Habe mir dazu schon das folgende zusammengeklickt (siehe Anhang/Foto). Das ist aber zum einen relativ langsam (dauert gefühlt fast 1 Sekunde), zum anderen werden die einzelnen Zeilen des Bildes auch noch irgendwie verschoben.
An Software steht LabVIEW 7.1 zur Verfügung. Wie macht man es besser/richtig?

Gruß und danke

Robert


Angehängte Datei(en) Thumbnail(s)
   
Alle Beiträge dieses Benutzers finden
Diese Nachricht in einer Antwort zitieren to top
Anzeige
04.06.2007, 22:19
Beitrag #2

jg Offline
CLA & CLED
LVF-Team

Beiträge: 15.864
Registriert seit: Jun 2005

20xx / 8.x
1999
EN

Franken...
Deutschland
(BMP) Bild aus String/Byte Array erzeugen?
Hallo, Robert,

ich hab mal deinen Code nachgebaut, lief bei mir (erstaunlich) zügig, konnte trotz einiger Versuche eigentlich nicht viel Geschwindigkeits-Verbesserung erreichen. Was ich aber nie nachgebaut habe, ist das Autoindexing des Strings am Rand der For-Schleife:
   
Schmeiß das auf jeden Fall mal raus.

Zwecks versetzen, das konnte ich natürlich nicht nachvollziehen, da ich nur mit Zufallszahlen gespielt habe.
2 Ideen:
Ist deine Reihenfolge Zeilen-Spalten verkehrt herum? Sprich deine äußere Schleife läuft bis 80 und die innere dann nur bis 15?
Oder stimmt die Reihenfolge bei der Erstellung der 2bit-Variablen nicht?

MfG, Jens

Wer die erhabene Weisheit der Mathematik tadelt, nährt sich von Verwirrung. (Leonardo da Vinci)

!! BITTE !! stellt mir keine Fragen über PM, dafür ist das Forum da - andere haben vielleicht auch Interesse an der Antwort!

Einführende Links zu LabVIEW, s. GerdWs Signatur.
Alle Beiträge dieses Benutzers finden
Diese Nachricht in einer Antwort zitieren to top
06.06.2007, 13:11 (Dieser Beitrag wurde zuletzt bearbeitet: 06.06.2007 16:26 von Rob.)
Beitrag #3

Rob Offline
LVF-Grünschnabel
*


Beiträge: 25
Registriert seit: Apr 2007

7.1
2007
kA


Deutschland
(BMP) Bild aus String/Byte Array erzeugen?
Hi Jens,

habe gestern die ganze Zeit rumprobiert: im statischen Zustand funktioniert es einwandfrei (siehe geht). Wenn ich das ganze jedoch dynamisch mache (also mit eingelesenen Bytes von der seriellen Schnittstelle), dann schlägt das ganze fehl, bzw. erzeugt immer wieder einen Versatz.
Anbei noch einmal die beiden VIs (7.1er Version). Werde das noch mal mit einem Zwischenschritt machen: Übernahme der gelesenen Daten in einen extra (temporären) String und aus diesen dann das Bild erzeugen.
Der Autoindex war nur für mich gedacht, hatte da noch eine Anzeige drann hängen. Ist im "richtigen" VI nicht enthalten.

Gruß und schon mal Danke (wenn ich deine Antwort richtig deute, liegt es an der seriellen SChnittstelle/den Daten),

Robert

EDIT: kann meinetwegen gelöscht werden, VIs enthalten einen Fehler (zumindest das geht nicht VI)


Angehängte Datei(en) Thumbnail(s)
   

Sonstige .vi  geht.vi (Größe: 69,56 KB / Downloads: 452)

Sonstige .vi  geht_nicht.vi (Größe: 225,21 KB / Downloads: 418)
Alle Beiträge dieses Benutzers finden
Diese Nachricht in einer Antwort zitieren to top
06.06.2007, 14:38
Beitrag #4

Rob Offline
LVF-Grünschnabel
*


Beiträge: 25
Registriert seit: Apr 2007

7.1
2007
kA


Deutschland
(BMP) Bild aus String/Byte Array erzeugen?
Hallo,

komme dem Fehler näher. Es liegt definitiv am Empfang der Daten. Anbei mal 2 Screenshots und die dazu aufgezeichnete Datei mit den empfangenen Daten. Schon beim Empfang werden die Bytes total verdreht. Am Anfang dachte ich, es ist einfach nur alles "umgedreht/gespiegelt", aber das ist nicht der Fall. Wenn man die Daten aus der Textdatei kopiert und in die geht.vi kopiert, erhält man auch das richtige Bild. Warum und wie wird der empfangene String/Bytes verdreht?

Robert


Angehängte Datei(en) Thumbnail(s)
       

Sonstige .txt  antwort.txt (Größe: 1,2 KB / Downloads: 384)
Alle Beiträge dieses Benutzers finden
Diese Nachricht in einer Antwort zitieren to top
06.06.2007, 16:23
Beitrag #5

Rob Offline
LVF-Grünschnabel
*


Beiträge: 25
Registriert seit: Apr 2007

7.1
2007
kA


Deutschland
(BMP) Bild aus String/Byte Array erzeugen?
Hallo,

Fehler gefunden, Problem behoben, alles läuft.
Wen es interessiert: in der Empfangsroutine wurden die empfangenen Strings falsch herum verknüpft. Die Eingänge der Stringverkettungsfunktion (siehe letztes Posting, 2. Bild) mussten "nur" vertauscht werden. ARGH...
Egal, kann nun nette Bilder darstellen.

Gruß und Danke,

Robert
Alle Beiträge dieses Benutzers finden
Diese Nachricht in einer Antwort zitieren to top
30
Antwort schreiben 


Möglicherweise verwandte Themen...
Themen Verfasser Antworten Views Letzter Beitrag
  Grafik in String einlesen und anschließend als Bild im Dokument ausgeben Newbiee2k19 12 15.793 13.03.2019 10:47
Letzter Beitrag: Newbiee2k19
  Array als Bild abspeichern MartinNewBee 5 9.088 05.04.2018 15:27
Letzter Beitrag: MartinNewBee
  Bild mit Koordinaten in Picture zeichnen oder Bild an Bild zeichnen Planich 4 9.423 26.10.2012 10:14
Letzter Beitrag: Planich
  Farbe einer Zeile ändern (String-Array) mauzo 1 6.455 02.08.2011 16:46
Letzter Beitrag: macmarvin
  Rotierendes Bild als Zeiger erzeugen, aber wie? Zündholz 2 5.216 29.01.2009 07:59
Letzter Beitrag: Zündholz
  Bild aus Array auslesen ??? schroepel 3 6.950 26.03.2008 13:35
Letzter Beitrag: schroepel

Gehe zu: