Dieses Thema hat akzeptierte Lösungen:
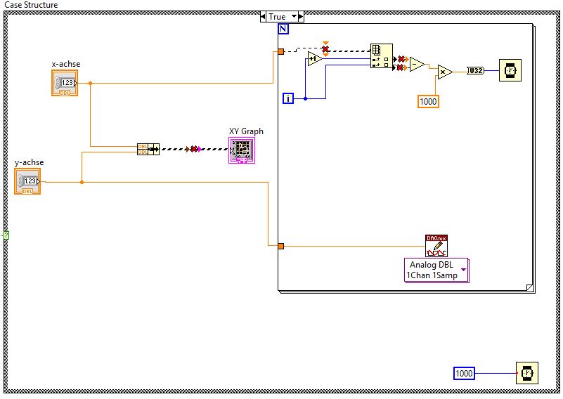
Basic Function Generator |
Wenn dein Problem oder deine Frage geklärt worden ist, markiere den Beitrag als "Lösung",
indem du auf den "Lösung" Button rechts unter dem entsprechenden Beitrag klickst. Vielen Dank!
| 30
|
|
|
| Möglicherweise verwandte Themen... | |||||
| Themen | Verfasser | Antworten | Views | Letzter Beitrag | |
| PCAN Basic direkt in LabView | ewiebe | 5 | 5.857 |
08.09.2022 09:31 Letzter Beitrag: ewiebe |
|
| Word Dokument mit gemischten Schriftarten mit Report Generator Toolkit erstellen | Tommy | 0 | 3.600 |
26.11.2016 18:29 Letzter Beitrag: Tommy |
|
| Fract/Exp String To Number Function | grba123 | 2 | 5.464 |
17.08.2015 11:44 Letzter Beitrag: GerdW |
|
| DATAMATRIX- Code Generator | dimitri_sch | 2 | 6.655 |
16.10.2014 06:28 Letzter Beitrag: sccompu |
|
| Probleme mit "Fract/Exp String To Number Function " | Schmankerl | 3 | 5.853 |
23.01.2014 12:53 Letzter Beitrag: jg |
|
| Unregister For Events Function | GT123 | 6 | 6.220 |
08.02.2012 07:18 Letzter Beitrag: GT123 |
|










