INFO: Dieses Forum nutzt Cookies...
Cookies sind für den Betrieb des Forums unverzichtbar. Mit der Nutzung des Forums erklärst Du dich damit einverstanden, dass wir Cookies verwenden.

Es wird in jedem Fall ein Cookie gesetzt um diesen Hinweis nicht mehr zu erhalten. Desweiteren setzen wir Google Adsense und Google Analytics ein.


Antwort schreiben 

Bitte um Hilfe beim Datenexport von LV8 nach Excel



Wenn dein Problem oder deine Frage geklärt worden ist, markiere den Beitrag als "Lösung",
indem du auf den "Lösung" Button rechts unter dem entsprechenden Beitrag klickst. Vielen Dank!

25.04.2007, 10:47
Beitrag #1

matze2001 Offline
LVF-Neueinsteiger


Beiträge: 2
Registriert seit: Apr 2007

8
2007
kA


Deutschland
Bitte um Hilfe beim Datenexport von LV8 nach Excel
Hallo zusammen
ich bin auf dem Gebiet LabVIEW ein absoluter Neuling. Kenne mich zwar mit VB und C etwas aus aber habe so meine Probleme mit LabVIEW.

Es wäre Super wenn mir jemand bei meinem Problem helfen könnte, hab schon sämtliche Themen durchgeforstet aber bin nicht so wirklich fündig geworden.

Also mein Prob:

Ich möchte gern von ISM Modulen der Marke Gantner Messwerte auslesen, das klappt auch schon! Jedoch möchte ich diese Daten (8 an der Zahl) in einer Excel Tabelle minütlich ablegen. Dabei sollen nur die Spalten 1-8 in Zeile 2 beschrieben werden. Die Datei kann ständig überschrieben werden da ich alles weitere mit VBS erledige (ist für einen Anfäger mit VB Erfahrung glaub ich einfacher).
Es würd mir schon weiter helfen wenn mir jemand erklären könnte wie man einfach nur den Inhalt von etwa8 Eingabe Feldern nach Excel schieben kann.(um erstmal die Syntax zu verstehen).

Es würde mich sehr freuen wenn mir jemand weiter helfen kann......

Gruß
Matze2001
Alle Beiträge dieses Benutzers finden
Diese Nachricht in einer Antwort zitieren to top
Anzeige
25.04.2007, 15:11
Beitrag #2

AVogt Offline
LVF-Gelegenheitsschreiber
**


Beiträge: 51
Registriert seit: Sep 2006

2021 Professional Development System
2006
DE

50674
Deutschland
Bitte um Hilfe beim Datenexport von LV8 nach Excel
Hallo Matze2001!

Schau Dir doch mal den Beitrag von jimmy2 "Messdaten nach Excel" an. Da kannst Du rausfiltern, wie Du Werte in einen bestimmten Bereich von Excel schreiben kannst.....
Hat mir bei einem ähnlichen Problem geholfen......

Schöne Grüße

Andreas
Alle Beiträge dieses Benutzers finden
Diese Nachricht in einer Antwort zitieren to top
26.04.2007, 07:52
Beitrag #3

Jenne Offline
LVF-Grünschnabel
*


Beiträge: 24
Registriert seit: Apr 2007

2010
1997
DE_EN

38100
Deutschland
Bitte um Hilfe beim Datenexport von LV8 nach Excel
Hallo Matze,
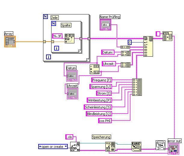
ich habe mal ein jpg angehängt. Da siehst du, wie ein Array zerlegt und in Ausgabestring konvertiert wird, der wiederum in ein Array eingefügt wird um danach in einen Tabellenstring zu konvertieren. Klingt jetzt ein wenig überflüssig hat aber den Vorteil, dass du die Rohdaten außerhalb von LV verarbeiten kannst ohne größere Probleme zu kriegen. In der unteren Zeile kannst du sehen, dass ich eine Speicherung in eine Excel Tabelle erzwinge. Den letzten Error Block kann man ruhig weglassen. Das gelumpe in der Mitte brauch dich eigentlich auch nicht zu interessieren, war für mein Problem gefordert.
Vorsicht! Die erzeugte Datei wird nicht überschrieben, sondern die neuen Daten werden angehängt!

Vielleicht kannst du mit dem Bildchen etwas anfangen.

Also, munter blei'm!
Jenne


Angehängte Datei(en) Thumbnail(s)
   
Alle Beiträge dieses Benutzers finden
Diese Nachricht in einer Antwort zitieren to top
26.04.2007, 21:40
Beitrag #4

matze2001 Offline
LVF-Neueinsteiger


Beiträge: 2
Registriert seit: Apr 2007

8
2007
kA


Deutschland
Bitte um Hilfe beim Datenexport von LV8 nach Excel
Hallo zusammen und schönen Dank für eure Antworten... werde mal mein Glück versuchen!!!

Und hoffentlich nicht verzweifeln!!!Tippen

Gruß
Matze
Alle Beiträge dieses Benutzers finden
Diese Nachricht in einer Antwort zitieren to top
30
Antwort schreiben 


Möglicherweise verwandte Themen...
Themen Verfasser Antworten Views Letzter Beitrag
  sporadischer Fehler ‑41106 beim Excel öffnen RosJon 1 6.368 12.05.2017 12:13
Letzter Beitrag: jg
  muss Excel auf dem Zielsystem für Excel-Report installiert sein? Trinitatis 2 6.338 01.08.2016 20:51
Letzter Beitrag: Trinitatis
  Daten direkt nach Excel übertragen Kubi1 7 9.807 24.06.2016 13:39
Letzter Beitrag: GerdW
  Bitte um HILFE! bei umfangreichem Projekt! Julius Greim 2 4.739 17.02.2014 09:29
Letzter Beitrag: Julius Greim
  Wie kann man einen Digitaler Signalverlauf automatisch nach Excel exportieren? Laura111 4 6.842 12.04.2013 08:18
Letzter Beitrag: Trinitatis
  Hilfe beim Report Generation Toolkit (Excel) arek1912 2 5.148 13.10.2012 12:34
Letzter Beitrag: arek1912

Gehe zu: