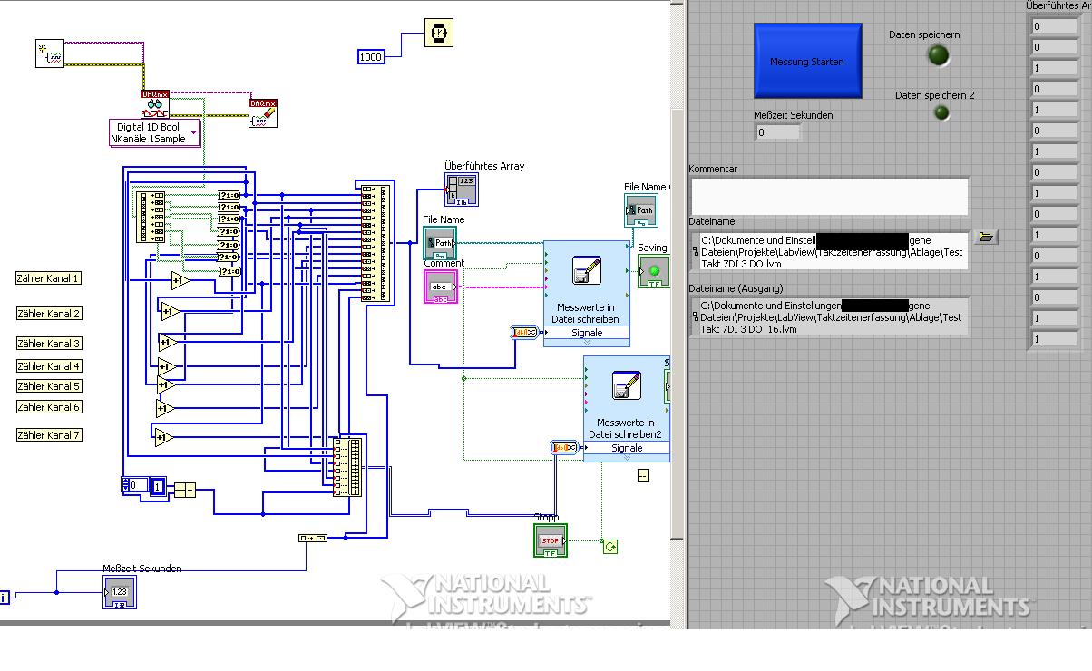
Boolschen Eingang zählen und speichern |
Wenn dein Problem oder deine Frage geklärt worden ist, markiere den Beitrag als "Lösung",
indem du auf den "Lösung" Button rechts unter dem entsprechenden Beitrag klickst. Vielen Dank!
| 30
|
|
|
| Möglicherweise verwandte Themen... | |||||
| Themen | Verfasser | Antworten | Views | Letzter Beitrag | |
| SubVI Eingang, Array mit variabler Dimensiosgröße | Philipp_O | 3 | 5.447 |
25.11.2022 11:45 Letzter Beitrag: GerdW |
|
| Registerkarte weiterschalten mit boolschen Schalter?? | lab Neuling | 10 | 12.869 |
30.11.2016 14:11 Letzter Beitrag: sara2211 |
|
| Case Struktur Fehler - Eingang in Ausgang wandeln | Fraser-Island | 10 | 10.796 |
13.02.2015 17:26 Letzter Beitrag: jg |
|
| SubVI Eingang mehrfach belegen | J.Engel | 4 | 5.975 |
05.09.2014 15:04 Letzter Beitrag: Kiesch |
|
| Verständnisfrage Anschlussfeld Eingang/Ausgang | Messie | 20 | 18.866 |
08.11.2013 14:45 Letzter Beitrag: GerdW |
|
| Istwert eines PID-Reglers in boolschen Impuls | erzengelsamael | 7 | 8.473 |
19.09.2012 12:32 Letzter Beitrag: Lucki |
|







