INFO: Dieses Forum nutzt Cookies...
Cookies sind für den Betrieb des Forums unverzichtbar. Mit der Nutzung des Forums erklärst Du dich damit einverstanden, dass wir Cookies verwenden.

Es wird in jedem Fall ein Cookie gesetzt um diesen Hinweis nicht mehr zu erhalten. Desweiteren setzen wir Google Adsense und Google Analytics ein.


Antwort schreiben 

Brauche Hillfe - Automatischer schaltender True/False Schalter



Wenn dein Problem oder deine Frage geklärt worden ist, markiere den Beitrag als "Lösung",
indem du auf den "Lösung" Button rechts unter dem entsprechenden Beitrag klickst. Vielen Dank!

09.11.2007, 14:54 (Dieser Beitrag wurde zuletzt bearbeitet: 09.11.2007 15:10 von Hably.)
Beitrag #1

Hably Offline
LVF-Grünschnabel
*


Beiträge: 13
Registriert seit: Nov 2007

8,5
2007
kA


Deutschland
Brauche Hillfe - Automatischer schaltender True/False Schalter
Hallo,

ich bin totaler LabVIEW Anfänger und habe ein VI vorliegen, mit dem sich per True/False Schalter eine Diode auf einer Platine an und aus schalten lässt.

Jetzt will ich den Schalter nicht manuell mit der Maus aktivieren/deaktivieren sondern hätte gerne, dass der True/False Schalter automatisch in bestimmten Zeitintervallen hin und herschaltet. z.B. alle 2 Sekunden von True auf False wechselt und umgekehrt.

Kann mir bitte jemand dabei helfen, wie ich so einen automatisch alternierenden True/False Schalter hinbekomme ??

Vielen Dank

Gruß

Hably
Alle Beiträge dieses Benutzers finden
Diese Nachricht in einer Antwort zitieren to top
Anzeige
09.11.2007, 15:10
Beitrag #2

RoLe Offline
LVF-Guru
*****


Beiträge: 1.236
Registriert seit: Jul 2007

-
1997
en

0
Schweiz
Brauche Hillfe - Automatischer schaltender True/False Schalter
in etwa sowas....

Gruss
Roland


Angehängte Datei(en) Thumbnail(s)
   

.·´¯)--> Leben ist das, was dir passiert, wenn du eifrig dabei bist andere Pläne zu machen <--(¯`·.
Alle Beiträge dieses Benutzers finden
Diese Nachricht in einer Antwort zitieren to top
09.11.2007, 15:18
Beitrag #3

Hably Offline
LVF-Grünschnabel
*


Beiträge: 13
Registriert seit: Nov 2007

8,5
2007
kA


Deutschland
Brauche Hillfe - Automatischer schaltender True/False Schalter
Hi,

merci für die schnelle Antwort.
Kann schon sein, dass das genau die Sache ist die ich benötige, aber traurigerweise ist mir das schon zu kompliziert nachzubauen. Ich habe/finde irgendwie nur die True/False Schalter, die du in dem Bild ausserhalb der while-Schleife hast. Aber in deiner Schleife sind zwei True/False Elemente (mit dem grünen Doppelrahmen) die mir vollkommen unbekannt sind. Kannst du mir bitte sagen wie die heißen bzw. wo ich die finden kann.
Dnd die grünen Pfeile am Rahmen der Schleife kenn ich auch nicht. Ist das so eine Art Schieberegister ??

Vielen Dank

Gruß

Hably
Alle Beiträge dieses Benutzers finden
Diese Nachricht in einer Antwort zitieren to top
09.11.2007, 15:32
Beitrag #4

Snoop2000 Offline
LVF-Gelegenheitsschreiber
**


Beiträge: 96
Registriert seit: May 2006

8.5, 8.2, 7.1, 2009
2006
de_en

52064
Deutschland
Brauche Hillfe - Automatischer schaltender True/False Schalter
Hallo Hably,

Das was RoLe außerhalb der Schleife angebracht hat ist kein Schalter, sondern eine Boolsche Konstante. Die findest du unter Programming -> Boolean (im englischen LabVIEW)

Die Pfeile am Rand sind tatsächlich Schieberegister. Die kannst du erstellen indem du einfach mit rechts auf den Rahmen der Schleife klickst und Schieberegister hinzufügen wählst. Über die Konstante machst du nur eine Vorinitialisierung, das heißt im ersten Schleifendurchlauf wird der Wert der Konstanten verwendet. Durch das "Not" in der Verbindung zwischen den Schieberegistern wird dafür gesorgt, das in jedem Schleifendurchlauf das True zu False bzw. umgekehrt geändert wird.

Bei den Elementen handelt es sich nur um Anzeige- bzw. Kontrollelemente. Das mit Boolean überschriebene ist vermutlich einfach eine LED, die den aktuelle Stand anzeigt. Das mit Stop überschriebene ist ein normales Bedienelement mit dem die Abarbeitung der Schleife beendet wird.

Damit solltest du nun das nachbauen können.

MFG,
Snoop

Wer Rechtschreibfehler findet darf sie behalten!
Alle Beiträge dieses Benutzers finden
Diese Nachricht in einer Antwort zitieren to top
09.11.2007, 16:04
Beitrag #5

Hably Offline
LVF-Grünschnabel
*


Beiträge: 13
Registriert seit: Nov 2007

8,5
2007
kA


Deutschland
Brauche Hillfe - Automatischer schaltender True/False Schalter
Hallo,

danke, konnte es jetzt nachbauen. An der Anzeige "BOOL" erkenne ich auch das es blinkt, also klappt. Aber ich schaffs jetzt nicht die Sache an mein bestehendes VI anzuschließen.

Den manuellen Schalter habe ich entfernt (schwarz durchgestrichen) und dann die dicke grün gestrichelte Linie als Verbindung hergestellt. Leider kommt das alternierende True/False Signal da aber nicht an. Keine Ahnung warum.
Am liebsten würde ich die Verbindung herstellen, die ich mit der roten Linie gekennzeichnet habe, da ich so direkt an das alternierende Symbol ankoppeln könnte, aber LabVIEW erlaubt diese Verbindung nicht.

Weiß jemand wie ich das schön automatisch hin- und herschaltende Signal in mein altes, vorhandenes VI einkoppeln muss ??

Danke für eure Bemühungen


Angehängte Datei(en) Thumbnail(s)
   
Alle Beiträge dieses Benutzers finden
Diese Nachricht in einer Antwort zitieren to top
09.11.2007, 16:31
Beitrag #6

Snoop2000 Offline
LVF-Gelegenheitsschreiber
**


Beiträge: 96
Registriert seit: May 2006

8.5, 8.2, 7.1, 2009
2006
de_en

52064
Deutschland
Brauche Hillfe - Automatischer schaltender True/False Schalter
Hallo Hably,

Das Problem ist, dass deine Ausgabe außerhalb der While-Schleife liegt. Das bedeutet, sie bekommt nur den letzten Wert vor Beendigung der Schleife und nicht die Werte die während dem Durchlauf erzeugt werden.
Das ist sowohl das Problem bei der Roten als auch der Grünen Linie. Das die Rote nicht akzeptiert wird liegt, das dein aus der Schleife ein Array kommt, du jedoch nur einen Wert verarbeiten kannst.

Um das Problem zu lösen muss die Ausgabe in der gleichen Schleife liegen wie die Erzeugung der Signale.

Gruß,
Snoop

Wer Rechtschreibfehler findet darf sie behalten!
Alle Beiträge dieses Benutzers finden
Diese Nachricht in einer Antwort zitieren to top
Anzeige
09.11.2007, 16:47
Beitrag #7

Hably Offline
LVF-Grünschnabel
*


Beiträge: 13
Registriert seit: Nov 2007

8,5
2007
kA


Deutschland
Brauche Hillfe - Automatischer schaltender True/False Schalter
Hi,

hab mir auch schon gedacht das es daran liegt das ich den Wert aus der Schleife rausziehe, aber dann habe ich mein ursprüngliches VI einfach in die while-Schleife reingezogen und wie in der angehängten Datei zu sehen ist versucht. Aber es hat auch nicht geklappt.
Vielleicht ist das dann wieder das Problem mit Array/Wert - aber das ist mir dann endgültig zu hoch:(Da schnall ich nicht mehr durch. Evtl. bringt der Timer auch mein altes VI durcheinander...

LabVIEW ist echt genial, aber ich find's doch sehr doof das ein vermeintlich kleines Problem wie ein alternierender Schalter so ein Aufwand ist (und dann warum auch immer nichmal klappt).

Naja, vielleicht komm ich irgendwie noch drauf und falls ihr noch was wisst dürft ihr mir natürlich gerne helfenSmile

Gruß

Hably


Angehängte Datei(en) Thumbnail(s)
   
Alle Beiträge dieses Benutzers finden
Diese Nachricht in einer Antwort zitieren to top
09.11.2007, 19:54
Beitrag #8

Y-P Offline
☻ᴥᴥᴥ☻ᴥᴥᴥ☻
LVF-Team

Beiträge: 12.612
Registriert seit: Feb 2006

Developer Suite Core -> LabVIEW 2015 Prof.
2006
EN

71083
Deutschland
Brauche Hillfe - Automatischer schaltender True/False Schalter
Hallo,

lade doch mal Dein VI hoch (damit man darin was ändern kann) und erklär' doch noch bitte etwas genauer, was Du in Deiner Sequenz machen willst. Dann kann man Dir auch eher weiterhelfen.

Gruß Markus

' schrieb:Hi,

hab mir auch schon gedacht das es daran liegt das ich den Wert aus der Schleife rausziehe, aber dann habe ich mein ursprüngliches VI einfach in die while-Schleife reingezogen und wie in der angehängten Datei zu sehen ist versucht. Aber es hat auch nicht geklappt.
Vielleicht ist das dann wieder das Problem mit Array/Wert - aber das ist mir dann endgültig zu hoch:(Da schnall ich nicht mehr durch. Evtl. bringt der Timer auch mein altes VI durcheinander...

LabVIEW ist echt genial, aber ich find's doch sehr doof das ein vermeintlich kleines Problem wie ein alternierender Schalter so ein Aufwand ist (und dann warum auch immer nichmal klappt).

Naja, vielleicht komm ich irgendwie noch drauf und falls ihr noch was wisst dürft ihr mir natürlich gerne helfenSmile

Gruß

Hably

--------------------------------------------------------------------------
Bitte stellt mir keine Fragen über PM, dafür ist das Forum da - andere haben vielleicht auch Interesse an der Antwort !!
--------------------------------------------------------------------------
Alle Beiträge dieses Benutzers finden
Diese Nachricht in einer Antwort zitieren to top
09.11.2007, 20:23
Beitrag #9

HerrRuin Offline
LVF-Grünschnabel
*


Beiträge: 22
Registriert seit: Oct 2007

8.2.1 / 8.5
2007
de

01099
Deutschland
Brauche Hillfe - Automatischer schaltender True/False Schalter
' schrieb:LabVIEW ist echt genial, aber ich find's doch sehr doof das ein vermeintlich kleines Problem wie ein alternierender Schalter so ein Aufwand ist (und dann warum auch immer nichmal klappt).

Ja, so ist das mit "fast" jedem Problem im LabVIEW!Big Grin

Gruß
Stephan
Alle Beiträge dieses Benutzers finden
Diese Nachricht in einer Antwort zitieren to top
12.11.2007, 08:58 (Dieser Beitrag wurde zuletzt bearbeitet: 02.12.2007 14:39 von jg.)
Beitrag #10

Hably Offline
LVF-Grünschnabel
*


Beiträge: 13
Registriert seit: Nov 2007

8,5
2007
kA


Deutschland
Brauche Hillfe - Automatischer schaltender True/False Schalter
Hallo,

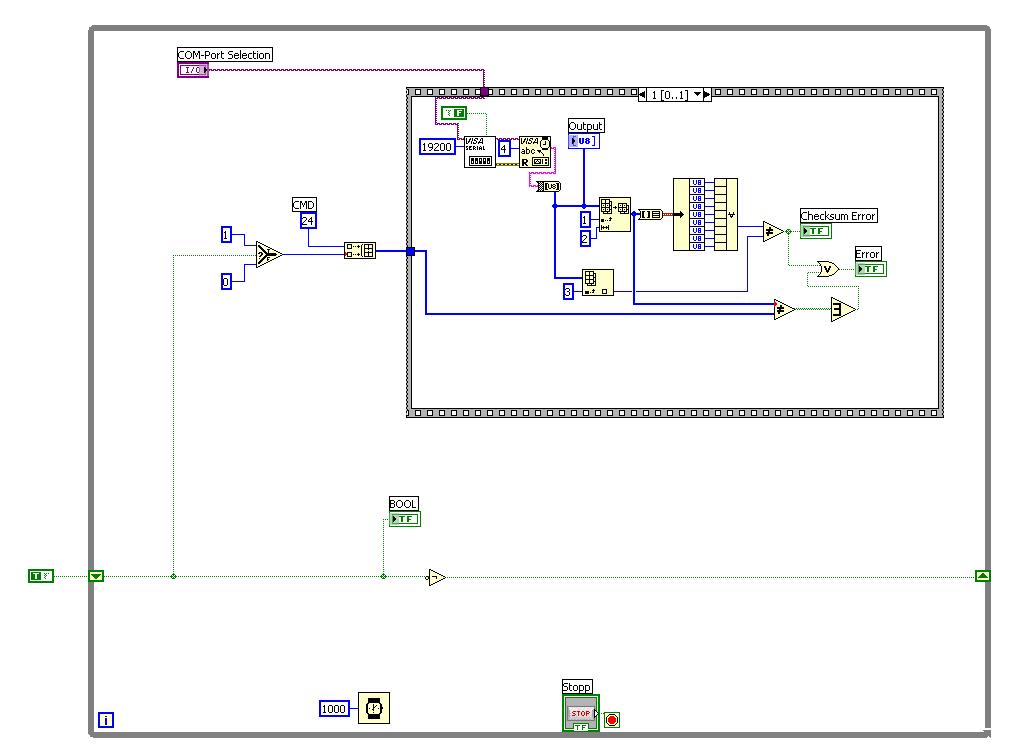
jetzt hab ich mal das VI hochgeladen. Es enthält das ursprünglich vorhandene VI (nicht von mir programmiert). Damit kann man mit dem Schalter "LED on/off" an einer über RS232 am PC angeschlossenen Platine eine LED an- und ausschalten.
Ich will aber während dem Schalten gerne Messungen auf der Platine vornehmen und bräuchte dazu entweder einen dritten Arm oder eben eine Programmerweiterung die dazu führt, dass die LED alle 1 oder 2 Sekunden den Zustand wechselt (an/aus).

Die Schleife die ich euren Tipps zufolge nachgebaut habe, klappt ja ansich. Die LED "BOOL" im Panel blinkt, aber ich kann das alternierende on/off Signal halt leider nicht aus der Schleife rausholen. Ich möchte also den Schalter "LD on/off" entfernen und anstatt diesem, das automatisch alternierende Signal anlegen. Wenn ich das ursprüngliche Programm in die Schleife mit reinziehe klappt es auch nicht.

Bin für jeden weiteren Tipp/Hilfe sehr dankbar !

(VI LV 8.2)


Angehängte Datei(en)
Sonstige .vi  CONTROL_LED_test.vi (Größe: 44,08 KB / Downloads: 309)
Alle Beiträge dieses Benutzers finden
Diese Nachricht in einer Antwort zitieren to top
30
Antwort schreiben 


Möglicherweise verwandte Themen...
Themen Verfasser Antworten Views Letzter Beitrag
  Case Struktur 2 Schleifendurchläufe verzögert True setzen aber sofort auf False bachatero18 4 7.122 07.11.2020 14:08
Letzter Beitrag: Martin.Henz
  Case-Struktur führt True und False aus (Ereignisschleife) HIMI 11 11.579 24.08.2017 13:04
Letzter Beitrag: HIMI
  automatischer Enum durchlauf floH857 4 6.493 21.02.2017 08:57
Letzter Beitrag: Freddy
  Nur Werte in Array wenn Case True PreVIEW 10 12.599 10.02.2017 15:25
Letzter Beitrag: Dalle
  Bekomme kein True aus Event Structure nixblicker 7 6.629 09.02.2017 09:52
Letzter Beitrag: nixblicker
  Schalter an/aus Tobolf 1 4.812 27.01.2017 11:00
Letzter Beitrag: GerdW

Gehe zu: