INFO: Dieses Forum nutzt Cookies...
Cookies sind für den Betrieb des Forums unverzichtbar. Mit der Nutzung des Forums erklärst Du dich damit einverstanden, dass wir Cookies verwenden.

Es wird in jedem Fall ein Cookie gesetzt um diesen Hinweis nicht mehr zu erhalten. Desweiteren setzen wir Google Adsense und Google Analytics ein.


Antwort schreiben 

Case vs. Event ...und viele Buttons!



Wenn dein Problem oder deine Frage geklärt worden ist, markiere den Beitrag als "Lösung",
indem du auf den "Lösung" Button rechts unter dem entsprechenden Beitrag klickst. Vielen Dank!

01.07.2011, 13:33
Beitrag #11

jg Offline
CLA & CLED
LVF-Team

Beiträge: 15.864
Registriert seit: Jun 2005

20xx / 8.x
1999
EN

Franken...
Deutschland
RE: Case vs. Event ...und viele Buttons!
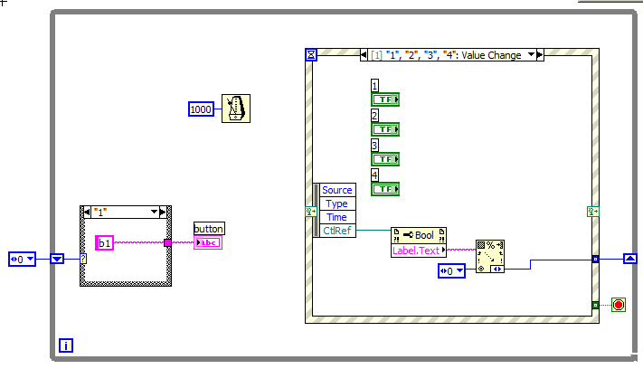
Das Register-Events gehört außerhalb der Schleife. Du willst schließlich nur 1x das Event registrieren.

Man kann übrigens auch mehrere Events innerhalb eines Cases der Eventstruktur zusammenfassen. Sieht dann ohne dynamische Events so aus:
   

Gruß, Jens

Wer die erhabene Weisheit der Mathematik tadelt, nährt sich von Verwirrung. (Leonardo da Vinci)

!! BITTE !! stellt mir keine Fragen über PM, dafür ist das Forum da - andere haben vielleicht auch Interesse an der Antwort!

Einführende Links zu LabVIEW, s. GerdWs Signatur.
Alle Beiträge dieses Benutzers finden
Diese Nachricht in einer Antwort zitieren to top
Anzeige
01.07.2011, 13:49 (Dieser Beitrag wurde zuletzt bearbeitet: 01.07.2011 14:06 von Lucki.)
Beitrag #12

Lucki Offline
Tech.Exp.2.Klasse
LVF-Team

Beiträge: 7.699
Registriert seit: Mar 2006

LV 2016-18 prof.
1995
DE

01108
Deutschland
RE: Case vs. Event ...und viele Buttons!
Es ist umständlich bis zum Geht-nicht-mehr, aber der Hauptfehler (1) ist: Ereignisse nur einmal registrieren und nicht in unendlicher Wiederholung.
Andere Umschönheiten sind: (2) Button sollte gelesen - und damit rückgesetzt werden - wenn die Aktion ausgeführt wird. (3) Nicht Wait sondern Timeout, damit jedes Ereignis sofort behandelt wird.
   
@jens
Die Zusammenfassung hatte ich ja schon vorgeschlagen und ein Beispiel gemacht. Das wurde aber zugunsten einer State-machine mit Einzelabfertigung jedes Buttons verworfen (Wobei das beides nichts miteinander zu tun hat). Ich bin ein großer Freund von state machines, aber was das hier außer Umständlichkeiten - genau so wie die Ereignisregistrierung - bringt ist nicht nachvollziehbar. Schlage also vor, wir lassen die hier weiter wursteln und widmen uns anderen Themen Big Grin
Alle Beiträge dieses Benutzers finden
Diese Nachricht in einer Antwort zitieren to top
01.07.2011, 14:51 (Dieser Beitrag wurde zuletzt bearbeitet: 01.07.2011 15:00 von GerdW.)
Beitrag #13

GerdW Offline
______________
LVF-Team

Beiträge: 17.528
Registriert seit: May 2009

LV2019 (LV2021)
1995
DE_EN

10×××
Deutschland
RE: Case vs. Event ...und viele Buttons!
Hallo E,

wenn du auf Events wartest (ohne Timeout-Case), dann brauchst du keine zusätzliche Wartezeit...

Mist: hab nicht gesehen, dass schon andere Antworten eingetrudelt waren...

@Lucki:
Hier nochmal die Originalfrage:
Zitat:Ich habe eine VI mit vielen Buttons (ca. 30, latch) und möchte beim klicken auf einen dieser Buttons eine (buttonspezifische) Aktion ausführen.
Sowas erschlage ich gern, indem ich die Buttons alle als ein (!) dynamisches Event registriere, im Eventcase einen State erzeuge und diesen irgendwo abarbeiten lasse. Passt doch wie die Faust auf das Auge die Frage...

Alle Beiträge dieses Benutzers finden
Diese Nachricht in einer Antwort zitieren to top
01.07.2011, 16:59
Beitrag #14

Emittance Offline
LVF-Grünschnabel
*


Beiträge: 18
Registriert seit: Jul 2009

7.1.1
2005
EN

0
Deutschland
RE: Case vs. Event ...und viele Buttons!
Dais Danke Leute, ihr seit echt genial! Genau darauf habe ich abgeziehlt. Der CPU bedankt sich auch Cool
Alle Beiträge dieses Benutzers finden
Diese Nachricht in einer Antwort zitieren to top
30
Antwort schreiben 


Möglicherweise verwandte Themen...
Themen Verfasser Antworten Views Letzter Beitrag
  Case-Struktur: Angegebener Case nicht vorhanden braendy 10 8.427 02.02.2021 15:05
Letzter Beitrag: Lucki
Question (viele) Bedienelemente deaktivieren / aktivieren F.Bi 3 6.174 16.08.2018 12:59
Letzter Beitrag: GerdW
  Event Case Ignoriert Tastendruck wenn in Gegenwart eines anderen "Leeren" Event Case Ksanto 8 9.513 23.10.2017 09:08
Letzter Beitrag: Ksanto
  n-Ctrls event case zuweisen GT123 2 3.941 03.02.2017 12:18
Letzter Beitrag: GT123
  Viele Variablen in SubVI nutzen chrisw 3 4.452 02.12.2016 11:35
Letzter Beitrag: GerdW
  Buttons in Event not working TobSTAR 3 4.638 21.10.2016 10:53
Letzter Beitrag: TobSTAR

Gehe zu: