INFO: Dieses Forum nutzt Cookies...
Cookies sind für den Betrieb des Forums unverzichtbar. Mit der Nutzung des Forums erklärst Du dich damit einverstanden, dass wir Cookies verwenden.

Es wird in jedem Fall ein Cookie gesetzt um diesen Hinweis nicht mehr zu erhalten. Desweiteren setzen wir Google Adsense und Google Analytics ein.


Antwort schreiben 

ConsumerProducer (Fehler 200279)



Wenn dein Problem oder deine Frage geklärt worden ist, markiere den Beitrag als "Lösung",
indem du auf den "Lösung" Button rechts unter dem entsprechenden Beitrag klickst. Vielen Dank!

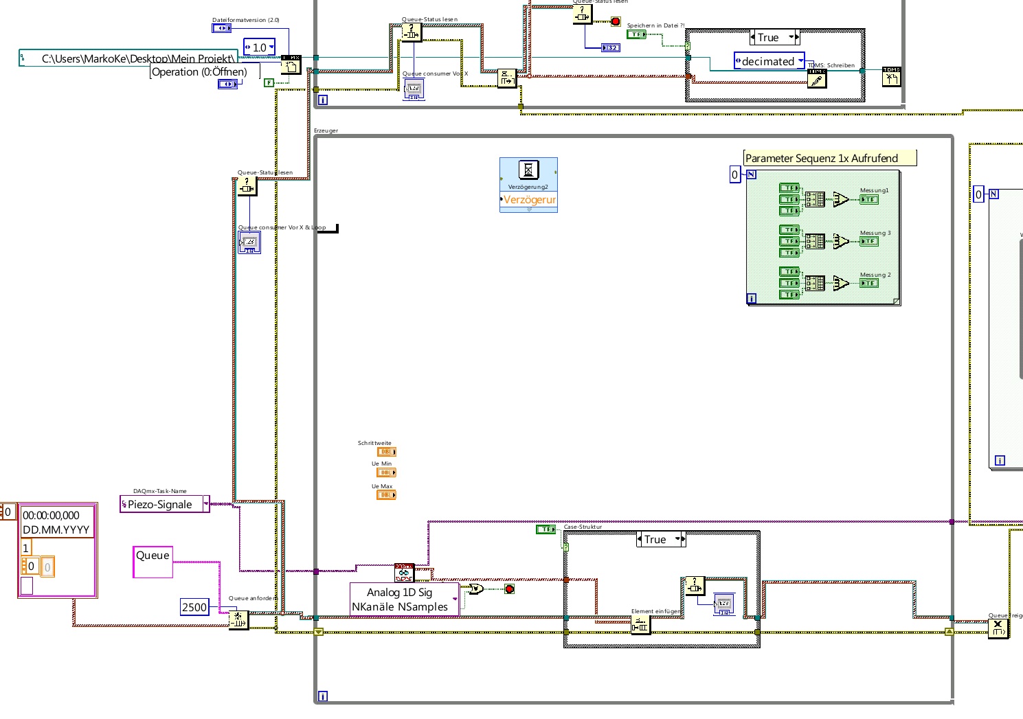
08.10.2012, 11:45 (Dieser Beitrag wurde zuletzt bearbeitet: 08.10.2012 11:53 von akoKE.)
Beitrag #11

akoKE Offline
LVF-Grünschnabel
*


Beiträge: 31
Registriert seit: Aug 2012

11.0
2012
DE


Deutschland
RE: ConsumerProducer (Fehler 200279)
ok,

Fehler erkannt.

Irgendwie Funktioniert das ganze Consumer/Producer Queue System nicht richtig.

Es werden einfach keine DatenElemente an den Loop abgegeben. So dass auch keine Werte heraus genommen werden können.

Kann da jemand vllt. helfen ? Wieso die Elemente nicht "oben" in den loop ankommen ?! bzw. die QUeue keine Elemente enthällt ??


Angehängte Datei(en) Thumbnail(s)
   

11.0 .vi  NI32LV110ASD3_ProducerConsumerData moi (1).vi (Größe: 70,84 KB / Downloads: 184)
Alle Beiträge dieses Benutzers finden
Diese Nachricht in einer Antwort zitieren to top
Anzeige
08.10.2012, 11:59 (Dieser Beitrag wurde zuletzt bearbeitet: 08.10.2012 12:08 von Achim.)
Beitrag #12

Achim Offline
*****
*****


Beiträge: 4.226
Registriert seit: Nov 2005

20xx
2000
EN

978xx
Deutschland
RE: ConsumerProducer (Fehler 200279)
Muss evtl. die Queue anstelle von "Tunnels" über "Shift registers" in den Schleifen gehalten werden?

Hast du mal geschaut, ob evtl. ein Fehler produziert wird?



Hm...ich kanns nicht exakt nachstellen...aber bei mir wird unten was reingeschrieben und oben ein Element entnommen...

"Is there some mightier sage, of whom we have yet to learn?"

"Opportunity is missed by most people because it is dressed in overalls and looks like work." (Thomas Edison)
Alle Beiträge dieses Benutzers finden
Diese Nachricht in einer Antwort zitieren to top
10.10.2012, 10:03
Beitrag #13

akoKE Offline
LVF-Grünschnabel
*


Beiträge: 31
Registriert seit: Aug 2012

11.0
2012
DE


Deutschland
RE: ConsumerProducer (Fehler 200279)
Thx. Achim

Habe das Problem gelöst.

Das Problem war die Abtastrate des Tasks. Confused

Grüße
Alle Beiträge dieses Benutzers finden
Diese Nachricht in einer Antwort zitieren to top
Antwort schreiben 


Möglicherweise verwandte Themen...
Themen Verfasser Antworten Views Letzter Beitrag
  Fehler -209836, jetzt auch Fehler -1950679023 IchSelbst 3 3.166 19.12.2024 09:35
Letzter Beitrag: IchSelbst
  "Seltsamer Fehler", LabView-Anwendung erzeugt einen Fehler 2200 ASM 5 9.218 23.01.2011 17:40
Letzter Beitrag: Y-P

Gehe zu: