INFO: Dieses Forum nutzt Cookies...
Cookies sind für den Betrieb des Forums unverzichtbar. Mit der Nutzung des Forums erklärst Du dich damit einverstanden, dass wir Cookies verwenden.

Es wird in jedem Fall ein Cookie gesetzt um diesen Hinweis nicht mehr zu erhalten. Desweiteren setzen wir Google Adsense und Google Analytics ein.


Antwort schreiben 

Dieses Thema hat akzeptierte Lösungen:

DLL Methoden richtig aufrufen



Wenn dein Problem oder deine Frage geklärt worden ist, markiere den Beitrag als "Lösung",
indem du auf den "Lösung" Button rechts unter dem entsprechenden Beitrag klickst. Vielen Dank!

14.06.2019, 14:32 (Dieser Beitrag wurde zuletzt bearbeitet: 14.06.2019 15:21 von Natalie1984.)
Beitrag #21

Natalie1984 Offline
LVF-Gelegenheitsschreiber
**


Beiträge: 53
Registriert seit: Jun 2019

2016
-
DE



RE: DLL Methoden richtig aufrufen
(14.06.2019 13:26 )IchSelbst schrieb:  Ich mach meine Programme immer so: Programm starten - Referenzen generieren (z.B. mittels Konstruktor) - In Loop mit den Referenzen arbeiten - Referenzen schließen (z.B. Destructor) - Programm ordnungsgemäß beenden.

Kannst du hierfür ein Beispiel zeigen?

Ich habe das mal jetzt so gemacht, das der Konstruktorknoten nur einmal Startet, leider ist das Verhalten wie zuvor


Angehängte Datei(en) Thumbnail(s)
   
Alle Beiträge dieses Benutzers finden
Diese Nachricht in einer Antwort zitieren to top
Anzeige
17.06.2019, 21:53
Beitrag #22

Natalie1984 Offline
LVF-Gelegenheitsschreiber
**


Beiträge: 53
Registriert seit: Jun 2019

2016
-
DE



RE: DLL Methoden richtig aufrufen
Niemand eine Idee?
Alle Beiträge dieses Benutzers finden
Diese Nachricht in einer Antwort zitieren to top
18.06.2019, 06:40
Beitrag #23

GerdW Offline
______________
LVF-Team

Beiträge: 17.531
Registriert seit: May 2009

LV2019 (LV2021)
1995
DE_EN

10×××
Deutschland
RE: DLL Methoden richtig aufrufen
Hallo Natalie,

Zitat:Niemand eine Idee?
Doch. Aber leider stellst du keine VIs bereit, sondern zeigst immer nur Bilder. Wie sollen wir mit LabVIEW daran etwas ändern?

Zu deinem letzten Bild:
- Eine FOR-Loop, die exakt einmal interiert, ist BLÖDSINN. Auch ohne diese Loop würde dieser Knoten nur exakt einmal aufgerufen!
- In der ersten Case-Struktur verwendest du Tunnel als "default if unwired". Das ist bei Referenzen GROB fahrlässig!

Alle Beiträge dieses Benutzers finden
Diese Nachricht in einer Antwort zitieren to top
18.06.2019, 08:12
Beitrag #24

IchSelbst Offline
LVF-Guru
*****


Beiträge: 3.708
Registriert seit: Feb 2005

11, 14, 15, 17, 18
-
DE

97437
Deutschland
RE: DLL Methoden richtig aufrufen
(17.06.2019 21:53 )Natalie1984 schrieb:  Niemand eine Idee?
Doch, doch. Aber: Muss einen Garten vorbereiten für Offene Gartentür am 30., das Haus dazu renovieren (leg sich nie einer ein Haus zu!!) außerdem BR5-Kommenatre verfassen. Und Geld beschaffen soll ich auch noch. Das geht am sichersten leider nur mit Arbeiten. Pipe

Irgendwie ein VI-Vorlage wäre hilfreich, könnte man leichter bearbeiten als Bilder.

Jeder, der zur wahren Erkenntnis hindurchdringen will, muss den Berg Schwierigkeit alleine erklimmen (Helen Keller).
Alle Beiträge dieses Benutzers finden
Diese Nachricht in einer Antwort zitieren to top
18.06.2019, 16:29
Beitrag #25

Natalie1984 Offline
LVF-Gelegenheitsschreiber
**


Beiträge: 53
Registriert seit: Jun 2019

2016
-
DE



RE: DLL Methoden richtig aufrufen
(18.06.2019 06:40 )GerdW schrieb:  Hallo Natalie,

Zitat:Niemand eine Idee?
Doch. Aber leider stellst du keine VIs bereit, sondern zeigst immer nur Bilder. Wie sollen wir mit LabVIEW daran etwas ändern?

Zu deinem letzten Bild:
- Eine FOR-Loop, die exakt einmal interiert, ist BLÖDSINN. Auch ohne diese Loop würde dieser Knoten nur exakt einmal aufgerufen!
- In der ersten Case-Struktur verwendest du Tunnel als "default if unwired". Das ist bei Referenzen GROB fahrlässig!

anbei die VI


Angehängte Datei(en)
17.0 .vi  Unbenannt 1.vi (Größe: 14,21 KB / Downloads: 350)
Alle Beiträge dieses Benutzers finden
Diese Nachricht in einer Antwort zitieren to top
18.06.2019, 16:57
Beitrag #26

Natalie1984 Offline
LVF-Gelegenheitsschreiber
**


Beiträge: 53
Registriert seit: Jun 2019

2016
-
DE



RE: DLL Methoden richtig aufrufen
Hallo Zusammen,

also ich versuche hier noch die DLL hochzuladen aber leider funktioniert das nicht.
Alle Beiträge dieses Benutzers finden
Diese Nachricht in einer Antwort zitieren to top
Anzeige
18.06.2019, 17:04 (Dieser Beitrag wurde zuletzt bearbeitet: 18.06.2019 17:05 von jg.)
Beitrag #27

jg Offline
CLA & CLED
LVF-Team

Beiträge: 15.864
Registriert seit: Jun 2005

20xx / 8.x
1999
EN

Franken...
Deutschland
RE: DLL Methoden richtig aufrufen
So, und jetzt brauchen wir noch die Doku der API und vielleicht die DLL selber (falls du die hochladen darfst - auf der Herstellerseite gibt es leider nix zum Download).

Versuch mal als erstes Test-VI etwas in dieser Art (quick & dirty):

17.0 .vi  Unbenannt-jg.vi (Größe: 15,67 KB / Downloads: 346)


Gruß, Jens
(18.06.2019 16:57 )Natalie1984 schrieb:  Hallo Zusammen,

also ich versuche hier noch die DLL hochzuladen aber leider funktioniert das nicht.

In Zip-Datei packen, dann geht das!

Gruß, Jens

Wer die erhabene Weisheit der Mathematik tadelt, nährt sich von Verwirrung. (Leonardo da Vinci)

!! BITTE !! stellt mir keine Fragen über PM, dafür ist das Forum da - andere haben vielleicht auch Interesse an der Antwort!

Einführende Links zu LabVIEW, s. GerdWs Signatur.
Alle Beiträge dieses Benutzers finden
Diese Nachricht in einer Antwort zitieren to top
18.06.2019, 17:39 (Dieser Beitrag wurde zuletzt bearbeitet: 18.06.2019 17:40 von Natalie1984.)
Beitrag #28

Natalie1984 Offline
LVF-Gelegenheitsschreiber
**


Beiträge: 53
Registriert seit: Jun 2019

2016
-
DE



RE: DLL Methoden richtig aufrufen
(18.06.2019 17:04 )jg schrieb:  So, und jetzt brauchen wir noch die Doku der API und vielleicht die DLL selber (falls du die hochladen darfst - auf der Herstellerseite gibt es leider nix zum Download).

Versuch mal als erstes Test-VI etwas in dieser Art (quick & dirty):

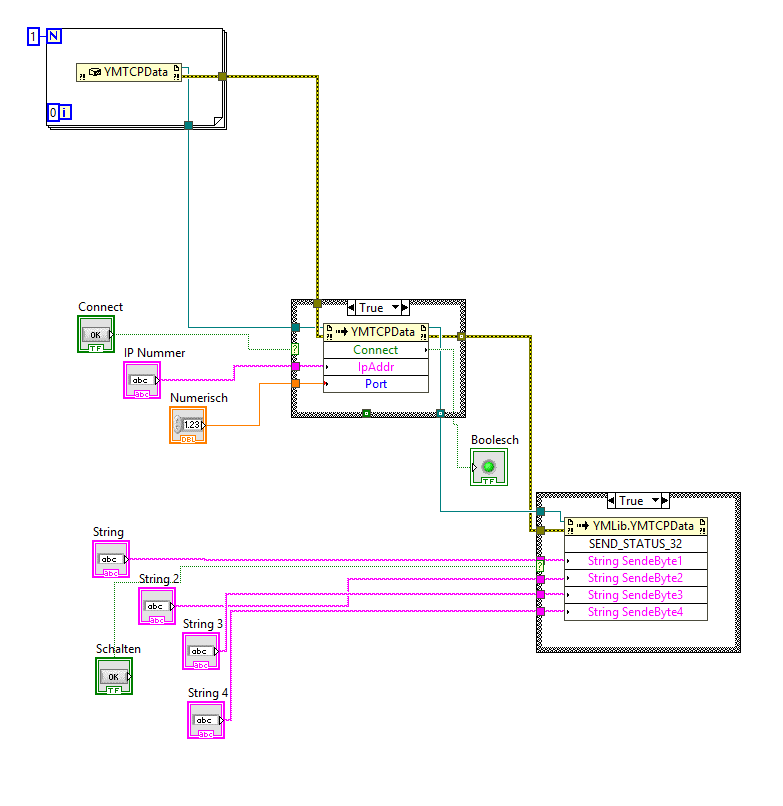
Schaltet wieder nicht

im Anhang die DLL in zip
Eine Doku gibt es leider nicht, nur einen Bespiel für VB.NET und C# und da funktioniert es.


Angehängte Datei(en)
0.0 .zip  YMLib.zip (Größe: 737,18 KB / Downloads: 339)
Alle Beiträge dieses Benutzers finden
Diese Nachricht in einer Antwort zitieren to top
18.06.2019, 18:54
Beitrag #29

jg Offline
CLA & CLED
LVF-Team

Beiträge: 15.864
Registriert seit: Jun 2005

20xx / 8.x
1999
EN

Franken...
Deutschland
RE: DLL Methoden richtig aufrufen
Wenn die einzige Doku die Beispielprogramme sind, dann ebenfalls hochladen. Nur mit dem Namen der Eigenschaften und Methoden der .NET Assembly kommen wir auch nicht weiter.

Gruß, Jens

Wer die erhabene Weisheit der Mathematik tadelt, nährt sich von Verwirrung. (Leonardo da Vinci)

!! BITTE !! stellt mir keine Fragen über PM, dafür ist das Forum da - andere haben vielleicht auch Interesse an der Antwort!

Einführende Links zu LabVIEW, s. GerdWs Signatur.
Alle Beiträge dieses Benutzers finden
Diese Nachricht in einer Antwort zitieren to top
18.06.2019, 22:38
Beitrag #30

Natalie1984 Offline
LVF-Gelegenheitsschreiber
**


Beiträge: 53
Registriert seit: Jun 2019

2016
-
DE



RE: DLL Methoden richtig aufrufen
(18.06.2019 17:39 )Natalie1984 schrieb:  
(18.06.2019 17:04 )jg schrieb:  So, und jetzt brauchen wir noch die Doku der API und vielleicht die DLL selber (falls du die hochladen darfst - auf der Herstellerseite gibt es leider nix zum Download).

Versuch mal als erstes Test-VI etwas in dieser Art (quick & dirty):

Schaltet wieder nicht

im Anhang die DLL in zip
Eine Doku gibt es leider nicht, nur einen Bespiel für VB.NET und C# und da funktioniert es.


Angehängte Datei(en)
0.0 .zip  YamutecEthernet.zip (Größe: 952,53 KB / Downloads: 330)
Alle Beiträge dieses Benutzers finden
Diese Nachricht in einer Antwort zitieren to top
Antwort schreiben 


Möglicherweise verwandte Themen...
Themen Verfasser Antworten Views Letzter Beitrag
  Zugriffsprobleme auf .NET-Methoden F_aus_S 1 5.881 02.04.2012 11:12
Letzter Beitrag: jg
  ActiveX & Excel Übersicht über Methoden und Eigenschaften nemesismf 3 9.456 01.12.2011 13:26
Letzter Beitrag: nemesismf

Gehe zu: