INFO: Dieses Forum nutzt Cookies...
Cookies sind für den Betrieb des Forums unverzichtbar. Mit der Nutzung des Forums erklärst Du dich damit einverstanden, dass wir Cookies verwenden.

Es wird in jedem Fall ein Cookie gesetzt um diesen Hinweis nicht mehr zu erhalten. Desweiteren setzen wir Google Adsense und Google Analytics ein.


Antwort schreiben 

Das FPGA VI wird vom host gestartet



Wenn dein Problem oder deine Frage geklärt worden ist, markiere den Beitrag als "Lösung",
indem du auf den "Lösung" Button rechts unter dem entsprechenden Beitrag klickst. Vielen Dank!

07.07.2008, 21:27
Beitrag #1

Benjamin84 Offline
LVF-Gelegenheitsschreiber
**


Beiträge: 56
Registriert seit: Apr 2008

8.5
-
de

13467
Deutschland
Das FPGA VI wird vom host gestartet
Hallo,
ich arbeite mit einer CompactRio. In meinem Programm taste ich Messwerte ab, welche ich per DMA zum Realtime-controller weitergebe. Normalerweise habe ich immer erst das FPGA-VI gestartet und dann das host VI.
Neulich habe ich etwas an dem Programm ergänzt und jetzt reicht es wenn ich den das host-vi auf dem Realtime-controller starte. Es scheint als wird das FPGA-VI automatisch gestartet, ich sehe aber nicht das es läuft. Gibt es diese Funktion ?? ich habe nämlich gedacht ich sehe nicht recht als ich Messwerte gemessen habe obwohl das FPGA-VI nicht läüft. Wenn ich jetzt zusätzlich das FPGA-VI starte bricht das Programm ab.
Es wäre nett wenn mir einer erklären könnte in welchen Fällen das FPGA-VI automatisch startet.
Vielen Dank
Alle Beiträge dieses Benutzers finden
Diese Nachricht in einer Antwort zitieren to top
Anzeige
08.07.2008, 13:50
Beitrag #2

Etechniker01 Offline
LVF-Grünschnabel
*


Beiträge: 19
Registriert seit: May 2008

8.0 und 8.5
2008
de_en

10315
Deutschland
Das FPGA VI wird vom host gestartet
Hallo wenn du mit der rechten Maustaste auf die FPGA open Funktion im Blockdiagramm gehst (im Host VI) so kannst du auswählen ob das FPGA VI nur open lassen oder open and run wählen.
Das mit dem Abbruch verstehe ich nicht ganz.
Hab das mal bei mir getestet und da passiert nichts und das Programm wird normal abgearbeitet.
Alle Beiträge dieses Benutzers finden
Diese Nachricht in einer Antwort zitieren to top
08.07.2008, 16:28
Beitrag #3

Benjamin84 Offline
LVF-Gelegenheitsschreiber
**


Beiträge: 56
Registriert seit: Apr 2008

8.5
-
de

13467
Deutschland
Das FPGA VI wird vom host gestartet
Hallo,
danke für die Antwort. Bei mir war der Menuepunkt auf OPEN gestellt trotzdem startet er das FPGA-VI.
Oben hatte ich den Fehler falsch dargestellt. Es ist so ! Wenn ich erst das FPGA-VI starte und dann den Host dann bricht das FPGA-VI ab, aber der Host läuft weiter ohne Probleme.
Alle Beiträge dieses Benutzers finden
Diese Nachricht in einer Antwort zitieren to top
09.07.2008, 13:26
Beitrag #4

Etechniker01 Offline
LVF-Grünschnabel
*


Beiträge: 19
Registriert seit: May 2008

8.0 und 8.5
2008
de_en

10315
Deutschland
Das FPGA VI wird vom host gestartet
Deinen Quellecode kann ja keiner sehen und natürlich besteht auch die Möglichkeit in deinem Quellcode mit der Funktion Open und dann mit anschließenden Funktionen über die Ivoke Method dann Reset und anschließend Run das Fpga VI zu starten. Kannst du dir im Bild anschauen.

Irgendwie verstehe ich auch nicht was du eigentlich machen willst. Soll dein FPGA nebenbei noch etwas anders abarbeiten? Denn das ist ja der Vorteil eines FPGA#s. Wie siht deine Kommunikation zwischen Host und Target aus? Über DMA (Direct Memory Access) oder Handshaking?

Aber wenn du nix zeigst was hier oftmals der Fall ist dann hilft das Dir und auch keinem anden der ähnliche Probleme hat weiter.

MfG Etechniker01


Angehängte Datei(en) Thumbnail(s)
   
Alle Beiträge dieses Benutzers finden
Diese Nachricht in einer Antwort zitieren to top
09.07.2008, 18:34
Beitrag #5

Benjamin84 Offline
LVF-Gelegenheitsschreiber
**


Beiträge: 56
Registriert seit: Apr 2008

8.5
-
de

13467
Deutschland
Das FPGA VI wird vom host gestartet
Hallo, danke für deine Hilfe
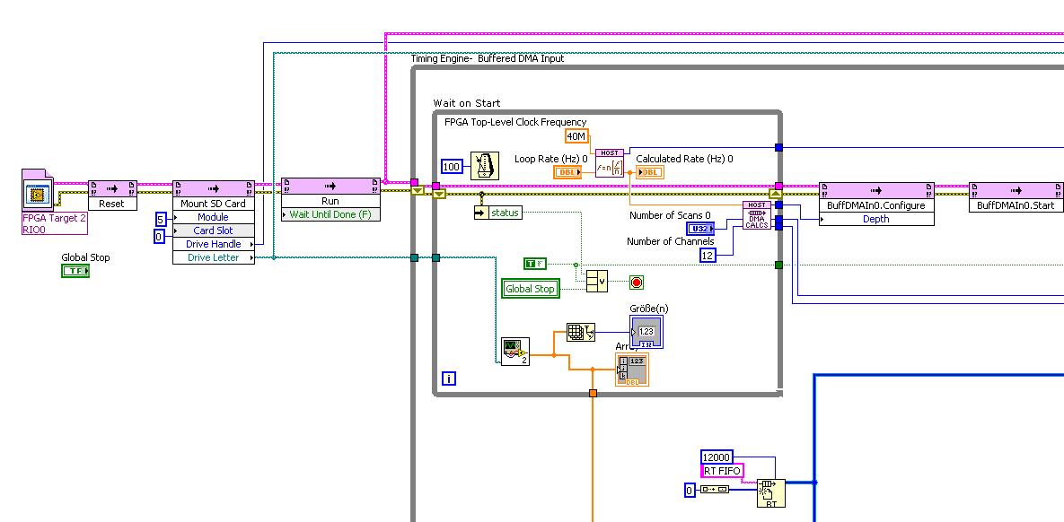
Ich habe mein Programm nicht hochgeladen, da ich einige Subvi drinn habe die ich dann auch alle hätte hochladen müssen. Leider ist mein Programm auch etwas groß geraten, dass ein Screenshout nicht alles gezeigt hätte. Prinzipliel habe ich das acuh so wie in deinem Screenshout. Da ich aus einem Programmbeispiel von NI mein Programm entworfen habe war ich mir über die Reset und Run-funktion nicht ganz im klaren. Komischer weise startet nämlich mein FPGA-vi erst seitdem ich die Moun-SD-Card funktion (siehe bild) mit eingebaut habe, davor mußte ich das FPGA-vi immer selber starten.
vielen Dank noch mal
   
Alle Beiträge dieses Benutzers finden
Diese Nachricht in einer Antwort zitieren to top
Antwort schreiben 


Möglicherweise verwandte Themen...
Themen Verfasser Antworten Views Letzter Beitrag
  Umwandlung von Ticks in Sec und Übertragung an Host derandyk 11 14.358 11.01.2019 14:12
Letzter Beitrag: GerdW
  Sind Referenzen auf FPGA-Variablen in FPGA vi möglich? Felix777 2 9.235 26.10.2015 20:41
Letzter Beitrag: Felix777
  FPGA-Referenz öffnen: FPGA-VI nicht kompiliert LauraP. 9 15.454 17.03.2015 16:58
Letzter Beitrag: LauraP.
  Kommunikation zwischen FPGA und Host skar 13 18.268 09.09.2014 14:08
Letzter Beitrag: skar
  Host to Target DMA-Kanal Problem stefan360 3 6.802 21.01.2014 19:32
Letzter Beitrag: GerdW
  Messwerte vom NI 9222 in Host-VI übertragen LabVIEWNutzer 1 6.063 15.10.2013 07:00
Letzter Beitrag: Y-P

Gehe zu: