Moin,
Zu diesem Beispiel:
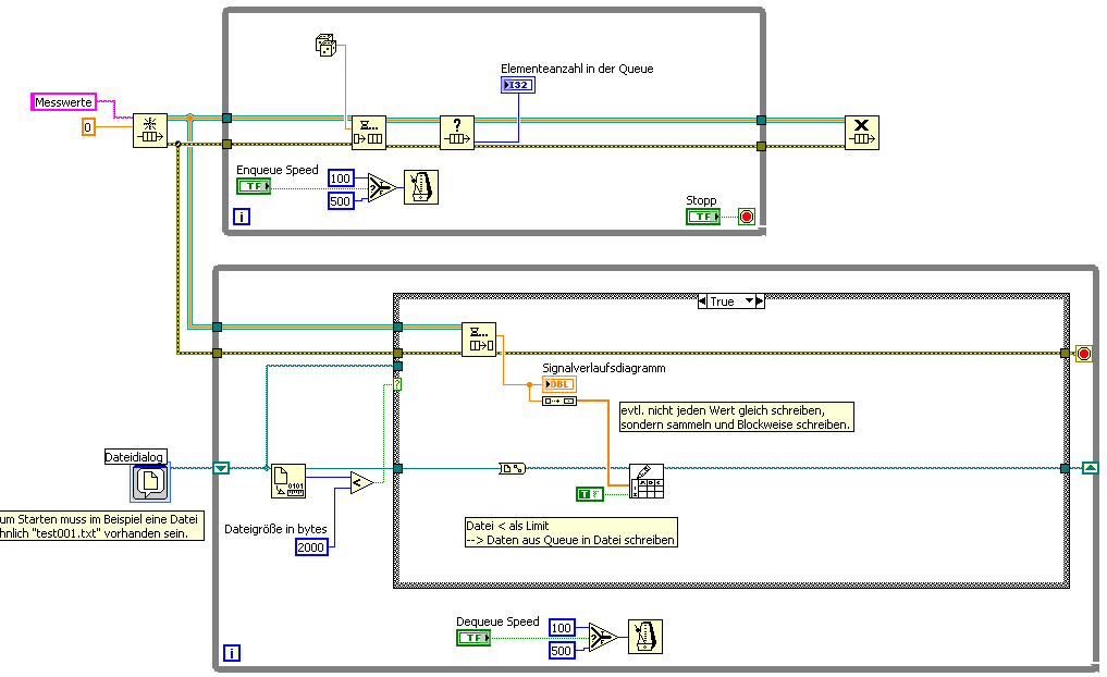
1. Queue?... wollte ich mal ausprobieren, musst du ja nicht benutzen. Mein Gedanke dabei war, einen Puffer für die Daten zu haben, wenn die aktuelle Datei geschlossen wird und die Neue noch nicht erstellt ist.
2. Die Datei muss mit einer 3 stellingen Nummerierung aufhören (test001.txt), sonst gehts nicht.
3. Eine Startdatei ähnlich "test001.txt" muss schon vorhanden sein, das zu überprüfen und ggf. die Datei zu erstellen überlasse ich dir.
4. Das Speichern bzw. Schreiben der Messwerte in die Datei kann bestimmt noch optimiert werden.
5. Das wollte ich heute morgen schon posten, aber naja... ich muss halt ab und zu auch arbeiten.
Datei_nach_Gr__e_splitten___Queue.vi (Größe: 36,65 KB / Downloads: 419)
EDIT:
Datei_nach_Gr__e_splitten___Queue.vi (Größe: 59,81 KB / Downloads: 389)
EDIT2:
Nach langer Zeit mal wieder hier reingeschaut

Ich lerne ja auch immer noch dazu und diese VI ist aus meiner LV-Anfangszeit. Das Schreiben der Daten mit dem Write2Spreadsheet VI ist natürlich Quatsch, da diese die Datei immer (intern) öffnet und schließt. Das sollte durch eigene Dateioperationen ersetzt werden. Ansonsten kann man sich das Öffne der Datei auch sparen

.
Schaun wir mal ob dir das weiter hilft.
Gruß SeBa