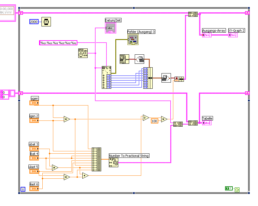
Datum/Zeit in Tabelle darstellen |
Wenn dein Problem oder deine Frage geklärt worden ist, markiere den Beitrag als "Lösung",
indem du auf den "Lösung" Button rechts unter dem entsprechenden Beitrag klickst. Vielen Dank!
| 30
|
|
|
| Möglicherweise verwandte Themen... | |||||
| Themen | Verfasser | Antworten | Views | Letzter Beitrag | |
| Messwerte als Tabelle und grafisch darstellen | Manfred | 20 | 30.067 |
11.01.2021 17:18 Letzter Beitrag: Manfred |
|
| Amplitudenverlauf über Zeit darstellen | klotsche | 11 | 12.077 |
08.09.2020 10:21 Letzter Beitrag: klotsche |
|
| Messwerte mit Datum in XY Graph darstellen | PeterF | 5 | 7.779 |
28.04.2015 06:51 Letzter Beitrag: GerdW |
|
| Messwerte in Tabelle darstellen | Stefan2302 | 17 | 17.463 |
28.03.2015 12:05 Letzter Beitrag: GerdW |
|
| Messwerte in Tabelle anzeigen und zusätzlich live in Graphen darstellen | MoJoJo | 6 | 11.000 |
08.07.2014 11:38 Letzter Beitrag: GerdW |
|
| Zeit und Datum in Diagramm | Andi Vogel | 9 | 15.355 |
29.06.2012 11:46 Letzter Beitrag: Andi Vogel |
|






