INFO: Dieses Forum nutzt Cookies...
Cookies sind für den Betrieb des Forums unverzichtbar. Mit der Nutzung des Forums erklärst Du dich damit einverstanden, dass wir Cookies verwenden.

Es wird in jedem Fall ein Cookie gesetzt um diesen Hinweis nicht mehr zu erhalten. Desweiteren setzen wir Google Adsense und Google Analytics ein.


Antwort schreiben 

Diagramm zeigt falsche Zeit an



Wenn dein Problem oder deine Frage geklärt worden ist, markiere den Beitrag als "Lösung",
indem du auf den "Lösung" Button rechts unter dem entsprechenden Beitrag klickst. Vielen Dank!

02.03.2006, 14:27
Beitrag #1

Praktikant.Chris Offline
LVF-Grünschnabel
*


Beiträge: 26
Registriert seit: Feb 2006



kA



Diagramm zeigt falsche Zeit an
Hallo alle miteinander!

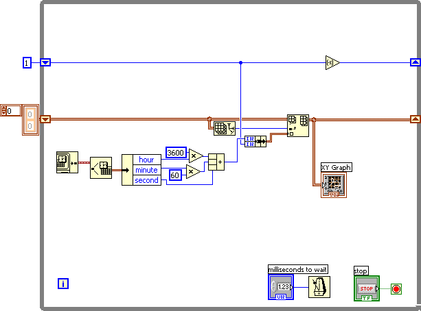
Sagt mal, woran könnte es liegen, dass mein Graph nach einer halben Minute bereits eine Minute auf der X-Achse anzeigt?

Ich habe eine While-Schleife, die alle 2 Sekunden die Werte aufnemmen soll. Sie wird über "Warten bis zu einem Vielfachen ..." (2000ms) gesteuert.

Zumindest sollte das so funktionieren. Tut es aber nicht! Woran liegt das?

Anbei noch ein Bild zum besseren Verständnis!

Vielen Dank schon mal für eure Hilfe!

Christian


Angehängte Datei(en) Thumbnail(s)
   
Alle Beiträge dieses Benutzers finden
Diese Nachricht in einer Antwort zitieren to top
Anzeige
02.03.2006, 16:11
Beitrag #2

thomas.sandrisser Offline
LVF-SeniorMod


Beiträge: 1.298
Registriert seit: Sep 2005

xxxx
2005
EN

78759
United States
Diagramm zeigt falsche Zeit an
Aus dem angehaengten Bild kann man net viel erkennen.
Die Frage ist, welche Schrittweite du beim Graphen eingestellt hast und ob du relative oder absolute Zeit nimmst.

Werden die Werte falsch angezeigt oder laeuft dir nur die x-Achse etwas voraus (was eigentlich net schlimm ist :-)) -> mit Property-Notes kannst den Graphen zwingen, dass er auf einen von dir bestimmten Wert springt...
Webseite des Benutzers besuchen Alle Beiträge dieses Benutzers finden
Diese Nachricht in einer Antwort zitieren to top
02.03.2006, 16:31
Beitrag #3

Praktikant.Chris Offline
LVF-Grünschnabel
*


Beiträge: 26
Registriert seit: Feb 2006



kA



Diagramm zeigt falsche Zeit an
Und wie geht des genau mit den Eigenschaftsknoten für das Kurvendiagramm?
Kenn mich da nicht wirklich aus!

Also ich bekomme ein 1D-Array mit 27 Werten und geb des weiter an den Graphen! Ich weiß nur nicht, ob des mit der Sample-Zeit und der While-Schleife so funktioniert, dass alle 2 Sekunden der Wert eingetragen wird. Und warum des nicht geht!

Gruß Christian


Angehängte Datei(en) Thumbnail(s)
   
Alle Beiträge dieses Benutzers finden
Diese Nachricht in einer Antwort zitieren to top
02.03.2006, 17:11
Beitrag #4

eg Offline
LVF-SeniorMod


Beiträge: 3.868
Registriert seit: Nov 2005

2016
2003
kA

66111
Deutschland
Diagramm zeigt falsche Zeit an
Wie ich es verstanden habe willst du sowas haben:


Angehängte Datei(en) Thumbnail(s)
   
Webseite des Benutzers besuchen Alle Beiträge dieses Benutzers finden
Diese Nachricht in einer Antwort zitieren to top
02.03.2006, 18:11
Beitrag #5

Praktikant.Chris Offline
LVF-Grünschnabel
*


Beiträge: 26
Registriert seit: Feb 2006



kA



Diagramm zeigt falsche Zeit an
Ja genau sowas!

Bei mir hat halt je nach Sample-Zeit bei einer angezeigten Minute diese mal 22, 30, 52 Sekunden. Ganz lustig! :-)

Wie krieg ich das hin, das ich z.B. wenn ich alle z.B. alle 5 Sekunden einen Wert nehmen will, dass des richtig angezeigt wird?

Danke!

Chris
Alle Beiträge dieses Benutzers finden
Diese Nachricht in einer Antwort zitieren to top
02.03.2006, 18:18
Beitrag #6

eg Offline
LVF-SeniorMod


Beiträge: 3.868
Registriert seit: Nov 2005

2016
2003
kA

66111
Deutschland
Diagramm zeigt falsche Zeit an
Dann fang! Es ist aber nicht so einfach zu machen.

Gruss


Angehängte Datei(en) Thumbnail(s)
   
Webseite des Benutzers besuchen Alle Beiträge dieses Benutzers finden
Diese Nachricht in einer Antwort zitieren to top
03.03.2006, 08:53
Beitrag #7

Praktikant.Chris Offline
LVF-Grünschnabel
*


Beiträge: 26
Registriert seit: Feb 2006



kA



Diagramm zeigt falsche Zeit an
Mal ne kurze Frage! Ist das dann Real-Zeit oder die Zeit, die seit Start vergangen ist?

Weil ich hab da nen Timer, der mir die Messdauer vorgeben soll, mit dran hängen.

Grüße Christian
Alle Beiträge dieses Benutzers finden
Diese Nachricht in einer Antwort zitieren to top
03.03.2006, 10:33
Beitrag #8

eg Offline
LVF-SeniorMod


Beiträge: 3.868
Registriert seit: Nov 2005

2016
2003
kA

66111
Deutschland
Diagramm zeigt falsche Zeit an
Es ist die reale absolute PC-Zeit.
Du kannst es aber umbauen auf relative. Ich denke kommst selber drauf.

Passt die absolute denn nicht? Sieht doch besser aus. Dann weisst du auch wann die Messung angefangen hat. Und kannst noch die echte Zeit in die Log-Datei schreiben.

Gruss, Eugen
Webseite des Benutzers besuchen Alle Beiträge dieses Benutzers finden
Diese Nachricht in einer Antwort zitieren to top
03.03.2006, 11:39
Beitrag #9

Praktikant.Chris Offline
LVF-Grünschnabel
*


Beiträge: 26
Registriert seit: Feb 2006



kA



Diagramm zeigt falsche Zeit an
Hallo Eugen!

Leider funtkioniert die Zeitholung nicht! Der kann die Daten nicht verarbeiten!

Und mit dem Array geht auch die Anzeige auf dem XY-Graph nicht wirklich! Ich kapier des nicht!

Langsam geht mir die Zeit aus! Nächste Woche noch, dann ist mein Praktikum vorbei & das Programm sollte funtkionieren! :flucht:


=>Ich bräuchte jemanden, der sich die Sache mal ansieht und mir sagt, wie dumm ich bin, solche "einfachen" Sachen nicht hinzubekommen! :kopfgegendiemauer:

Grüße

Christian


Angehängte Datei(en) Thumbnail(s)
   
Alle Beiträge dieses Benutzers finden
Diese Nachricht in einer Antwort zitieren to top
03.03.2006, 11:53
Beitrag #10

eg Offline
LVF-SeniorMod


Beiträge: 3.868
Registriert seit: Nov 2005

2016
2003
kA

66111
Deutschland
Diagramm zeigt falsche Zeit an
Hey, hey, nicht so traurig.

Du hast eine falsche Funktion erwischt. Als du klein warst hast du doch mal Bilder verglichen und die Unterschiede gesucht.

Dann spiele doch mal.Big Grin


Gruss
Webseite des Benutzers besuchen Alle Beiträge dieses Benutzers finden
Diese Nachricht in einer Antwort zitieren to top
Antwort schreiben 


Möglicherweise verwandte Themen...
Themen Verfasser Antworten Views Letzter Beitrag
  Falsche Darstellung von Bitmap Overseer 2 4.679 27.09.2007 21:15
Letzter Beitrag: Overseer
  Web-Dokumentation macht falsche Farben Bigred 1 4.030 07.08.2007 17:27
Letzter Beitrag: eg

Gehe zu: