Zitat:Ja, in Array ändern…
Wozu benötigst du "Latch when released"? Sollen deine Ausgänge für nur eine einzige Millisekunde angehen?
Das hatte er automatisch so eingestellt. Als Schalter geht es natürlich.
Eine weitere andere Frage

:
Wie kann ich durch das beenden des VI, alle Ausgänge der Module in einen sicheren Zustand übergehen lassen. Also alle Ausgänge bzw. die die ich als relevant betrachte auf 0V schalten?
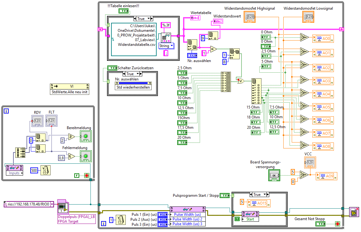
Bisher sieht meine Lösung hierzu so aus.
Kommen wir auch zu meiner weiteren Frage, wieso kann ich die Stopp Bedingungen bei mehreren Schleifen nicht per Verbindung zwischen zwei Schleifen tunneln? Das funktioniert irgendwie nicht, stattdessen musste ich eine lokale Variable hierfür anlegen, damit ich mit den Button "Programm beende" alle relevanten Schleifen beenden kann und das VI stopp. Hast du hierzu noch andere möglichkeiten das Programm zu beenden, vieleicht ein bisschen edler :-D ?
Desweiteren Frage ich mich, wie man ebenfalls eleganter Analoge Werte nur alle 250ms auslesen kann, so wie ich es jetzt in der einer Schleifen getan habe. Hier hatte ich einige Schwierigkeiten, wenn die Analogauslese Schleife in der Hauptschleife drinne ist. Dann funktionierte garnichts mehr, da ja wahrscheinlich die Unterschleife nur alle 250ms wieder in die Hauptschleife springt, richtig?
Ich freue mich auf die ganz vielen tollen Antworten :-)
Mfg
Lukas