INFO: Dieses Forum nutzt Cookies...
Cookies sind für den Betrieb des Forums unverzichtbar. Mit der Nutzung des Forums erklärst Du dich damit einverstanden, dass wir Cookies verwenden.

Es wird in jedem Fall ein Cookie gesetzt um diesen Hinweis nicht mehr zu erhalten. Desweiteren setzen wir Google Adsense und Google Analytics ein.


Antwort schreiben 

Drehmoment-Drehzahlsensor auslesen



Wenn dein Problem oder deine Frage geklärt worden ist, markiere den Beitrag als "Lösung",
indem du auf den "Lösung" Button rechts unter dem entsprechenden Beitrag klickst. Vielen Dank!

19.11.2014, 09:13
Beitrag #1

Stefanie3789 Offline
LVF-Grünschnabel
*


Beiträge: 11
Registriert seit: Nov 2014

2012
2014
EN


Deutschland
Drehmoment-Drehzahlsensor auslesen
Hallo Leute,
nachdem ich jetzt schon ein paar Stunden das Forum durchsucht habe, bin ich leider immernoch nicht auf eine Lösung gekommen:

Hardware: NI6009, og Sensor mit Analoganschlüssen
Ich habe einen Sensor, der mir ein Spannungssignal von -5 bis 5 V ausgibt, je nachdem wie hoch das Drehmoment ist. Das Auslesen funktioniert soweit über den DAQ Assistenten.
Nun möchte ich aber auch das Rechtecksignal auslesen, das er für die Drehzahlmessung ausgibt und ich bekomm es einfach nicht hin!
Das Signal kommt zwar an, wird aber nicht gezählt. Dazu habe ich probiert über Triggering und digital Edge zu zählen aber im Grafen zeigt er mir nichts an Sad Ich bin total auf dem Holzweg.
Beim angehängten VI ist die Drehmomentspannung nicht dabei, da ich die ja kein Rechtecksignal ausgibt.

Ich freue mich sehr über Hilfe.


12.0 .vi  TriggeredAnalogInput.vi (Größe: 69,98 KB / Downloads: 364)
Alle Beiträge dieses Benutzers finden
Diese Nachricht in einer Antwort zitieren to top
Anzeige
19.11.2014, 09:29 (Dieser Beitrag wurde zuletzt bearbeitet: 19.11.2014 09:30 von GerdW.)
Beitrag #2

GerdW Offline
______________
LVF-Team

Beiträge: 17.533
Registriert seit: May 2009

LV2019 (LV2021)
1995
DE_EN

10×××
Deutschland
RE: Drehmoment-Drehzahlsensor auslesen
Hallo Stefanie,

vorweg: ich kann dein VI wg. der verwendeten LV-Version nicht anschauen, gehe aber anhand deiner Beschreibung davon aus, dass du ein Analogsignal misst und mittels ExpressVIs auszuwerten versuchst.

Die USB6009 hat verhältnismäßig langsame AI-Kanäle, da könnte das Pulszählen eines Analogsignals schnell scheitern (Stichwort Nyquist).
Du hast aber den PFI0-Eingang, der nur zum Pulsezählen gemacht ist. Der kann mit Taktraten bis 10MHz umgehen und dürfte vollkommen ausreichen.

Also:
Dein Pulssignal an den PFI0 anschließen. (Ich gehe von einem TTL-kompatiblen Signal aus, ansonsten musst du etwas Anpassungselektronik vorbereiten. Deine Sensor-Typangabe ist jedenfalls nicht sehr aussagekräftig!) Dann einfach im 100ms-Takt den Pulszähler abfragen und die Drehzahl aus der Differenz der Pulsangaben berechnen…

Alle Beiträge dieses Benutzers finden
Diese Nachricht in einer Antwort zitieren to top
19.11.2014, 10:20
Beitrag #3

Stefanie3789 Offline
LVF-Grünschnabel
*


Beiträge: 11
Registriert seit: Nov 2014

2012
2014
EN


Deutschland
RE: Drehmoment-Drehzahlsensor auslesen
Hallo,
danke schonmal für die schnelle Antwort.

Habe den Sensor jetzt an den PFI0 angeschlossen aber so richtig scheint das nicht zu funktionieren bzw mach ich etwas falsch.
Habe ihn als Counter Input -> Edge Count im Assistenten konfiguriert. Leider kommt immer eine Fehlermeldung (siehe Snapshot).

Der Sensor liefert ein Rechtecksignal mit 60 Imp/Umdrehung mit einem Pegel von 5V.

Hilfe!


Angehängte Datei(en) Thumbnail(s)
   
Alle Beiträge dieses Benutzers finden
Diese Nachricht in einer Antwort zitieren to top
19.11.2014, 10:22 (Dieser Beitrag wurde zuletzt bearbeitet: 19.11.2014 10:23 von GerdW.)
Beitrag #4

GerdW Offline
______________
LVF-Team

Beiträge: 17.533
Registriert seit: May 2009

LV2019 (LV2021)
1995
DE_EN

10×××
Deutschland
RE: Drehmoment-Drehzahlsensor auslesen
Hallo Stefanie,

manchmal hilft es doch, das Manual zu lesen - oder eben die Fehlermeldung…

Was genau ist an:
Zitat:value is not supported
Requested Value: Rising
You can select: Falling
nicht zu verstehen?

Im Manual steht der Grund dafür!
Rtmfx

Alle Beiträge dieses Benutzers finden
Diese Nachricht in einer Antwort zitieren to top
19.11.2014, 10:28
Beitrag #5

Stefanie3789 Offline
LVF-Grünschnabel
*


Beiträge: 11
Registriert seit: Nov 2014

2012
2014
EN


Deutschland
RE: Drehmoment-Drehzahlsensor auslesen
Du hast recht, ich hab den Hinweis überlesen.
Mit falling Edge geht es (Meiner Meinung müsste aber eig beides gehen, deswegen habe ich dort nicht den Fehler vermutet).
Die Flanken werden gezählt.
Und wie bekomm ich da jetzt eine vernünftige Drehzahl raus und angezeigt? (n in 1/min)

Es tut mir leid, dass ich so blöde Fragen stelle, aber jeder fängt mal an.
Alle Beiträge dieses Benutzers finden
Diese Nachricht in einer Antwort zitieren to top
19.11.2014, 10:31 (Dieser Beitrag wurde zuletzt bearbeitet: 19.11.2014 10:35 von GerdW.)
Beitrag #6

GerdW Offline
______________
LVF-Team

Beiträge: 17.533
Registriert seit: May 2009

LV2019 (LV2021)
1995
DE_EN

10×××
Deutschland
RE: Drehmoment-Drehzahlsensor auslesen
Hallo Stefanie,

Zitat:Meiner Meinung müsste aber eig beides gehen
Meiner Meinung nach nicht.
Unsere Meinungen sind aber unwichtig: alles notwendige steht im Manual zur Hardware! Rtmfx

Zitat:wie bekomm ich da jetzt eine vernünftige Drehzahl raus und angezeigt? (n in 1/min)
Drehzahl = delta(Pulse)/delta(Zeit) * Pulse/Umdr * 60s/1min
Simple Mathematik, wie oben schon erwähnt…

Alle Beiträge dieses Benutzers finden
Diese Nachricht in einer Antwort zitieren to top
Anzeige
19.11.2014, 14:57
Beitrag #7

Stefanie3789 Offline
LVF-Grünschnabel
*


Beiträge: 11
Registriert seit: Nov 2014

2012
2014
EN


Deutschland
RE: Drehmoment-Drehzahlsensor auslesen
Ich trau mich ja kaum noch zu fragen...

Aber ich bekomm es einfach nicht hin.
Wie schaffe ich es innerhalb von 1000ms die Flanken zu zählen? Der Assistent lässt keine andere Funktion zu als 1 Sample (on Demand).

Ich dachte an eine Schleife, die sich jede Sekunde wiederholt, dabei wird aber der Zählwert nicht zurückgesetzt.
Es muss doch eine Anzeige geben die das schon kann?!
Alle Beiträge dieses Benutzers finden
Diese Nachricht in einer Antwort zitieren to top
19.11.2014, 15:07
Beitrag #8

GerdW Offline
______________
LVF-Team

Beiträge: 17.533
Registriert seit: May 2009

LV2019 (LV2021)
1995
DE_EN

10×××
Deutschland
RE: Drehmoment-Drehzahlsensor auslesen
Hallo Stefanie,

das Flankenzählen übernimmt die USB6009 für dich!
Du musst nur zweimal (mit zeitlichem Abstand dazwischen) die aktuelle Pulszahl abfragen und dann die Differenz bilden:
   
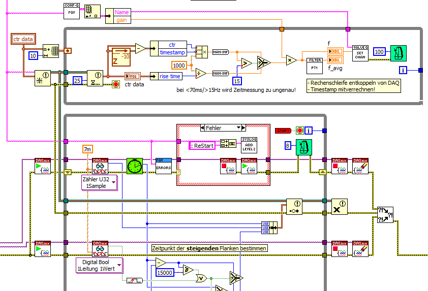
Hier wird das Gleiche mit einer USB6008 gemacht:
- Zähler in der unteren Schleife abfragen (zusätzlich noch der Timestamp der Messung), ich arbeite mit 8ms Loop-Zeit
- in der oberen Schleife die Messwerte auswerten: Differenz über 10 Messwerte (z^-10) und daraus dann die Frequenz bestimmen
(Die ganzen bunten subVIs sind aus meiner user.lib, die sind hier nicht von Belang und ich werde sie nicht erläutern.)

Alle Beiträge dieses Benutzers finden
Diese Nachricht in einer Antwort zitieren to top
26.11.2014, 16:39 (Dieser Beitrag wurde zuletzt bearbeitet: 26.11.2014 16:44 von Stefanie3789.)
Beitrag #9

Stefanie3789 Offline
LVF-Grünschnabel
*


Beiträge: 11
Registriert seit: Nov 2014

2012
2014
EN


Deutschland
RE: Drehmoment-Drehzahlsensor auslesen
Hallo.

Nachdem ich ewig rumprobiert habe mit dem Assistenten zu verschiedenen Zeitpunkten die Flanken zu zählen, was aber durch diese Schleife nicht geht bin ich also bis jetzt leider immernoch nicht zu einer Lösung gekommen Sad

Wenn ich richtig verstehe, geht das mit dem Assistenten auch gar nicht, da der nur innerhalb seiner Schleife die Flanken zählt.
Deshalb habe ich versucht das Schaltbild so zu bauen wie es bei dir (GerdW) aussieht. (das klingt zwar blöd, aber ich weiß sonst nicht weiter)

Leider kommt schon bei "Create Virtual Channel" ein Fehler der wohl darauf hindeutet, dass ich versuche mehrmals den gleichen Channel zu lesen.
Wenn ich am Eingang des Taskname und den Channel wegnehme kommt aber der Fehler, dass nicht richtig "verkabelt" wurde. Theoretisch wird der Channel ja auch mehrfach verwendet, da er in jedem DAQ-SubVI ausgewählt ist.
(Habs mal drangehängt, falls das hilft)

Was mache ich denn falsch?

PS: ja, der Schieberegister ist zur Zeit noch etwas überflüssig


Angehängte Datei(en) Thumbnail(s)
   

12.0 .vi  DAQ-flankenzaehler_wip.vi (Größe: 15,43 KB / Downloads: 256)
Alle Beiträge dieses Benutzers finden
Diese Nachricht in einer Antwort zitieren to top
26.11.2014, 16:51 (Dieser Beitrag wurde zuletzt bearbeitet: 26.11.2014 17:10 von GerdW.)
Beitrag #10

GerdW Offline
______________
LVF-Team

Beiträge: 17.533
Registriert seit: May 2009

LV2019 (LV2021)
1995
DE_EN

10×××
Deutschland
RE: Drehmoment-Drehzahlsensor auslesen
Hallo Stefanie,

Zitat:Leider kommt schon bei "Create Virtual Channel" ein Fehler der wohl darauf hindeutet, dass ich versuche mehrmals den gleichen Channel zu lesen.
Der Fehler "deutet" nicht, sondern ist vollkommen klar…

Zitat:Wenn ich am Eingang des Taskname und den Channel wegnehme kommt aber der Fehler, dass nicht richtig "verkabelt" wurde.
Wie willst du einen Kanal anlegen, ohne mitzuteilen, welcher Pin benutzt werden soll?

Zitat:Theoretisch wird der Channel ja auch mehrfach verwendet, da er in jedem DAQ-SubVI ausgewählt ist.
Wenn das auch praktisch so ist, hast du doch deinen Fehler gefunden: den Kanal nur genau einmal nutzen!

Alle Beiträge dieses Benutzers finden
Diese Nachricht in einer Antwort zitieren to top
30
Antwort schreiben 


Möglicherweise verwandte Themen...
Themen Verfasser Antworten Views Letzter Beitrag
  Drehmoment Winkel XY-Diagramm und Abtastrate Jonnybo 1 5.496 05.06.2016 20:00
Letzter Beitrag: GerdW
  Entscheidungsproblem: Drücke,Temperaturen,Drehmoment/-zahl messen alex88de 15 13.186 15.05.2015 12:23
Letzter Beitrag: GerdW
  Drehzahl Drehmoment / Digital Analog zeitsynchron Lucky Rude 3 8.302 03.01.2013 11:20
Letzter Beitrag: Selectah83

Gehe zu: