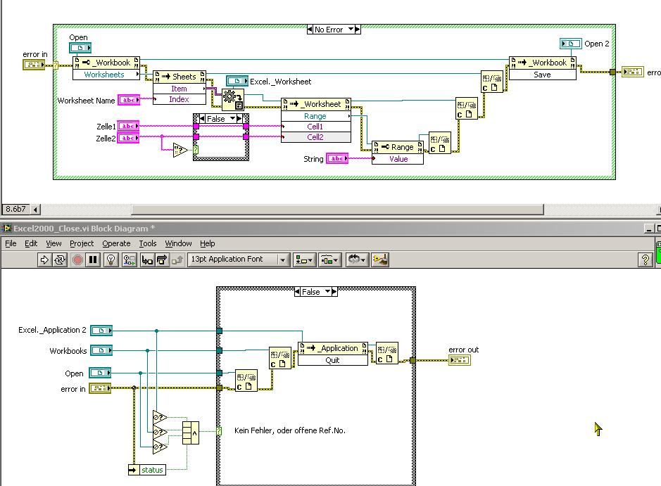
EXCEL speichern |
Wenn dein Problem oder deine Frage geklärt worden ist, markiere den Beitrag als "Lösung",
indem du auf den "Lösung" Button rechts unter dem entsprechenden Beitrag klickst. Vielen Dank!
| 30
|
|
|
| Möglicherweise verwandte Themen... | |||||
| Themen | Verfasser | Antworten | Views | Letzter Beitrag | |
| muss Excel auf dem Zielsystem für Excel-Report installiert sein? | Trinitatis | 2 | 6.333 |
01.08.2016 20:51 Letzter Beitrag: Trinitatis |
|
| Speichern einer Wertetabelle in Excel | KRo_xy | 4 | 6.576 |
07.04.2015 07:54 Letzter Beitrag: KRo_xy |
|
| Labview 2009 Daten in Excel Speichern | Lars87 | 5 | 8.737 |
30.01.2015 14:10 Letzter Beitrag: GerdW |
|
| Messergebnisse in verschiedene Excel-Sheets speichern | w47 | 13 | 15.794 |
09.12.2014 20:03 Letzter Beitrag: jg |
|
| LabVIEW Eingabe in Excel speichern, auslesen und bearbeiten | Schraqnzy | 6 | 10.627 |
16.04.2012 11:55 Letzter Beitrag: Schraqnzy |
|
| Daten aus SPS in Excel speichern | Ninja2602 | 21 | 28.264 |
24.02.2012 15:06 Letzter Beitrag: GerdW |
|






