|
07.09.2009, 13:08
Beitrag #1
|
|
|
|
|
|
07.09.2009, 20:04
Beitrag #2
|
Y-P
☻ᴥᴥᴥ☻ᴥᴥᴥ☻
Beiträge: 12.612
Registriert seit: Feb 2006
Developer Suite Core -> LabVIEW 2015 Prof.
2006
EN
71083
Deutschland
|
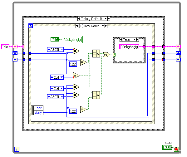
Eigene Auswahl für Tastaturzuweisung treffen
Hallo,
ich habe kurz einen Workaround gebastelt.
Leider kann ich wegen der Eventstruktur nicht auf LabVIEW 8.5 zurückspeichern.
Rueckgaengig.vi (Größe: 13,38 KB / Downloads: 309)
Gruß Markus
--------------------------------------------------------------------------
Bitte stellt mir keine Fragen über PM, dafür ist das Forum da - andere haben vielleicht auch Interesse an der Antwort !!
--------------------------------------------------------------------------
|
|
|
|
|
07.09.2009, 20:29
Beitrag #3
|
|
|
|
|
|
08.09.2009, 08:24
Beitrag #4
|
|
|
|
|
|
08.09.2009, 08:35
Beitrag #5
|
Y-P
☻ᴥᴥᴥ☻ᴥᴥᴥ☻
Beiträge: 12.612
Registriert seit: Feb 2006
Developer Suite Core -> LabVIEW 2015 Prof.
2006
EN
71083
Deutschland
|
Eigene Auswahl für Tastaturzuweisung treffen
Mach mal auf VKey (am Rahmen der Eventstruktur) einen Rechtsklick und wähle dann "Create Constant" aus.
Gruß Markus
' schrieb:@Y-P: Das sieht sehr schön aus, danke. Habe mich leider vergeblich daran versucht die INT-Konstanten "Ctrl" und "ASCII" hinzubekommen. Könntest Du mir vielleicht den Trick noch verraten?
--------------------------------------------------------------------------
Bitte stellt mir keine Fragen über PM, dafür ist das Forum da - andere haben vielleicht auch Interesse an der Antwort !!
--------------------------------------------------------------------------
|
|
|
|
08.09.2009, 08:42
(Dieser Beitrag wurde zuletzt bearbeitet: 08.09.2009 08:43 von kpa.)
Beitrag #6
|
|
|
|
|
|
08.09.2009, 09:26
Beitrag #7
|
Peter04
LVF-Stammgast
  
Beiträge: 305
Registriert seit: Jan 2008
2020
2007
DE_EN
79xxx
Deutschland
|
Eigene Auswahl für Tastaturzuweisung treffen
Hallo,
ja, danke Y-P für den Tipp. Leider funzt mein Nachbau nicht, sondern hängt sich auf und mit debug ist dann auch nichts mehr. Ich hab mal meine Version angehangen, vielleicht kannste da noch mal einen Blick draufwerfen.
@kpa: Super !!!  Führt dazu, dass mein Rechner sich gnadenlos aufhängt und ich den Stecker ziehen darf. Liegt aber vermutlich daran, dass 8.6 noch nie gescheit bei mir lief. Oder eine andere dll in WinXP?
Schöne Grüße
Peter
STRG_Z.vi (Größe: 24,93 KB / Downloads: 288)
|
|
|
|
08.09.2009, 10:08
(Dieser Beitrag wurde zuletzt bearbeitet: 08.09.2009 10:10 von Y-P.)
Beitrag #8
|
Y-P
☻ᴥᴥᴥ☻ᴥᴥᴥ☻
Beiträge: 12.612
Registriert seit: Feb 2006
Developer Suite Core -> LabVIEW 2015 Prof.
2006
EN
71083
Deutschland
|
Eigene Auswahl für Tastaturzuweisung treffen
Hier ist es nochmal für LabVIEW 8.0. Hab auf einem anderen Rechner noch LabVIEW 8.6 und es Dir heruntergespeichert.
Rueckgaengig.vi (Größe: 19,32 KB / Downloads: 295)
Gruß Markus
EDIT: Du hast u.a. ein falsches Event ausgewählt.
--------------------------------------------------------------------------
Bitte stellt mir keine Fragen über PM, dafür ist das Forum da - andere haben vielleicht auch Interesse an der Antwort !!
--------------------------------------------------------------------------
|
|
|
|
|
08.09.2009, 10:19
Beitrag #9
|
|
|
|
|
|
08.09.2009, 10:48
|
Peter04
LVF-Stammgast
  
Beiträge: 305
Registriert seit: Jan 2008
2020
2007
DE_EN
79xxx
Deutschland
|
Eigene Auswahl für Tastaturzuweisung treffen
Hallo,
danke, Y-P. Ich sach mal: Rasta hat gewonnen
Gruß
Peter
|
|
|
|
| |