INFO: Dieses Forum nutzt Cookies...
Cookies sind für den Betrieb des Forums unverzichtbar. Mit der Nutzung des Forums erklärst Du dich damit einverstanden, dass wir Cookies verwenden.

Es wird in jedem Fall ein Cookie gesetzt um diesen Hinweis nicht mehr zu erhalten. Desweiteren setzen wir Google Adsense und Google Analytics ein.


Antwort schreiben 

Ereignisse



Wenn dein Problem oder deine Frage geklärt worden ist, markiere den Beitrag als "Lösung",
indem du auf den "Lösung" Button rechts unter dem entsprechenden Beitrag klickst. Vielen Dank!

06.06.2008, 09:22
Beitrag #1

Maexle Offline
LVF-Grünschnabel
*


Beiträge: 10
Registriert seit: May 2008

8.0.1
2008
de

84130
Deutschland
Ereignisse
Hallo zusammen,

ich möchte mit einem Ereingins-Case auf einen Doppelklick in einer Tabelle (nicht mehrspaltiges Listenfeld) reagieren.
Das Ereingis soll bei einem Doppelklick den String, der in dem Tabellenfeld steht, übergeben.
Dieses Ereignis steht aber nicht zur auswahl. Gibt es eine möglichkeit dieses Ereignis der Ereignis-List hinzuzufügen?
Oder kann man irgendwie die Objekte erweitern, die bei einem Ereignis zurückgegeben werden?

Im Moment reagiere ich auf ein "Maustaste gedrückt", und bekomme zwar die Werte: Schaltfläche und Koordinaten zurück.
Der Wert Schaltfläche ändert sich aber nicht (ist immer 1) und
die Koordinaten sind aber nicht fest für die Tabellenfelder (ein und das selbe Feld hat immerwieder andere Koordinaten).

Ich würde also gerne wissen welche Möglichkeiten man hat um die Ereignisse zu ändern oder vieleicht ein ganz eigenes Ereignis zu erstellen.

Wär toll wenn mir jemand weiterhelfen könnte.
Danke.

Mit freundlichen Grüßen
Robert
Alle Beiträge dieses Benutzers finden
Diese Nachricht in einer Antwort zitieren to top
Anzeige
09.06.2008, 10:54
Beitrag #2

Maexle Offline
LVF-Grünschnabel
*


Beiträge: 10
Registriert seit: May 2008

8.0.1
2008
de

84130
Deutschland
Ereignisse
Hallo zusammen,

ich hab immer noch das Problem mit dem ereignis und der tabelle.
Da noch niemand darauf geantwortet hat, gehe ich davon aus das es, wenn überhaupt, nicht so einfach zu lösen ist.
Daher hab ich eine simplerere Frage: wie kann ich mir anzeigen lassen welches Feld einer Tabelle gerade gewählt/markiert ist?
Hoffentlich kann mir da jemand helfen, sonnst weiss ich auch nicht mehr.
Danke.

MfG
Robert
Alle Beiträge dieses Benutzers finden
Diese Nachricht in einer Antwort zitieren to top
09.06.2008, 11:01 (Dieser Beitrag wurde zuletzt bearbeitet: 09.06.2008 11:03 von Achim.)
Beitrag #3

Achim Offline
*****
*****


Beiträge: 4.226
Registriert seit: Nov 2005

20xx
2000
EN

978xx
Deutschland
Ereignisse
Hi,
die Property ActiveCell zeigt dir, wo du grade hingeklickt hast.

Zu deiner anderen Frage: Nein, du kannst keine Ereignisse selber definieren. Es gibt halt bei der Tabelle kein DoubleClick-Event! Warum verwendest du nicht die MultiColumn-Listbox? Hat das irgend nen speziellen Grund?

Gruß
Achim

"Is there some mightier sage, of whom we have yet to learn?"

"Opportunity is missed by most people because it is dressed in overalls and looks like work." (Thomas Edison)
Alle Beiträge dieses Benutzers finden
Diese Nachricht in einer Antwort zitieren to top
09.06.2008, 11:23 (Dieser Beitrag wurde zuletzt bearbeitet: 09.06.2008 11:35 von jg.)
Beitrag #4

jg Offline
CLA & CLED
LVF-Team

Beiträge: 15.864
Registriert seit: Jun 2005

20xx / 8.x
1999
EN

Franken...
Deutschland
Ereignisse
Offtopic
Kein neues Thema aufmachen, bloss weil du auf die erste Frage (noch) keine Antwort erhalten hast! -> Themen zusammengeführt.

OnTopic:
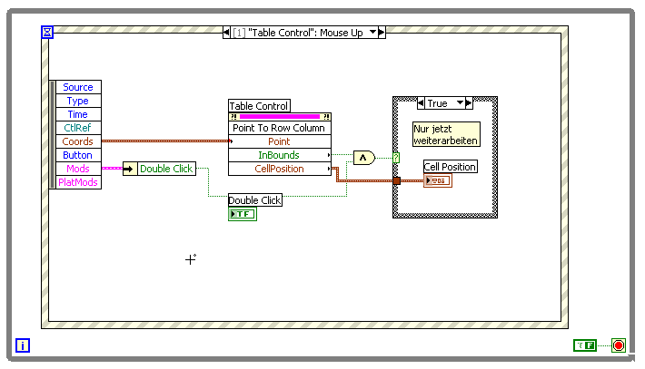
Ich würde eher das Event MouseUp verwenden (->Maus-Click beendet) und dann bekommst du über den Ausgang "MOD" heraus, ob ein Doppelklick vorgelegen hat.

Somit hast du also das Ereignis "Doppelklick". (@Achim: Du liegst also falsch, es gibt "indirekt" das Doppelklick-Event)

Der Rest ist Umrechnung von Koordinaten, am einfachsten über die InvokeNode "Point to RowColumn" der Tabelle.

Gesamt also so:

   

MfG, Jens

Wer die erhabene Weisheit der Mathematik tadelt, nährt sich von Verwirrung. (Leonardo da Vinci)

!! BITTE !! stellt mir keine Fragen über PM, dafür ist das Forum da - andere haben vielleicht auch Interesse an der Antwort!

Einführende Links zu LabVIEW, s. GerdWs Signatur.
Alle Beiträge dieses Benutzers finden
Diese Nachricht in einer Antwort zitieren to top
09.06.2008, 13:43
Beitrag #5

Maexle Offline
LVF-Grünschnabel
*


Beiträge: 10
Registriert seit: May 2008

8.0.1
2008
de

84130
Deutschland
Ereignisse
Danke für die Ideen, aber das mehrspaltige Listenfeld kann ich nicht nehmen, da ich es mit einem 2-D Array aus Strings füttern muss und nicht mit Zahlen.
Und das mit den MOD und Doppelklick hab ich auch rausgefunden, aber das problem ist, dass Koordinaten nicht statisch sind (das selbe Feld hat Unterschiedliche Koordinaten, ist zwar schwachsinnig, ist aber so). Ich habs auch mit der Schaltfläche probiert die bleibt aber immer 1. Das ist ja mein Hauptproblem ich kann nicht bestimmen welches Feld angeklickt wurde. Und Die aktive Zelle aus dem eigenschaftsknoten bleibt immer 0 & 0, was ich auch nicht versteh. Ich hab mir das ja selbst beigebracht da gibts bestimmt viele "tricks" und möglichkeiten, die ich nicht kenne. Kann man z.B. ein Listenfeld so einstellen dass es Strings annimmt odder muss man bei den Koordinaten noch was umrechnen. Vieleicht kann man auch irgendwie direkt den Inhalt einer angewählten Zelle bekommen oder so?
Ich habe mir schon so ziemlich alles anzeigen lassen und hab auch schon jedes nur mögliche Event angewählt um zu sehen was es zurück gibt.

Ich weiss zwar dass das alles komisch ist, aber vieleicht fällt einem von euch dazu noch was ein.
Falls nicht, trozdem Danke.

MfG
Robert
Alle Beiträge dieses Benutzers finden
Diese Nachricht in einer Antwort zitieren to top
09.06.2008, 14:55
Beitrag #6

jg Offline
CLA & CLED
LVF-Team

Beiträge: 15.864
Registriert seit: Jun 2005

20xx / 8.x
1999
EN

Franken...
Deutschland
Ereignisse
Poste doch mal ein Beispiel-VI von dir (nicht das wir hier mit Tabellen, Listenfeldern und sonstigen Begriffen aneinander vorbei reden).

Ansonsten kann ich nur sagen, Bsp so wie von mir hochgeladen funktioniert ohne Probleme und holt sich aktuell das angeklickte Tabellenfeld, egal wie die Formatierung der Tabelle gerade ist. Und noch mal zur Sicherheit, das ist eine InvokeNode/Methode, keine PropertyNode/Eigenschaftsknoten.

MfG, Jens

Wer die erhabene Weisheit der Mathematik tadelt, nährt sich von Verwirrung. (Leonardo da Vinci)

!! BITTE !! stellt mir keine Fragen über PM, dafür ist das Forum da - andere haben vielleicht auch Interesse an der Antwort!

Einführende Links zu LabVIEW, s. GerdWs Signatur.
Alle Beiträge dieses Benutzers finden
Diese Nachricht in einer Antwort zitieren to top
Anzeige
10.06.2008, 08:12
Beitrag #7

Maexle Offline
LVF-Grünschnabel
*


Beiträge: 10
Registriert seit: May 2008

8.0.1
2008
de

84130
Deutschland
Ereignisse
Guten Morgen Jens,

ich kann dein Bild leider nicht erkennen, da hier alle Bilder geblockt werden.

Das VI ist aber nur ein SubVI meines Programms, aber in dem hab ich die Probleme.
In die untere Tabelle im Bild lasse ich meine Werte reinschreiben.

Jetzt muss, wenn ich dort unter Argument etwas doppelklicke, das in den String ARGUMENT geschrieben werden.
Wenn ich etwas unter ARG_- oder RES_TABELLE anklicke, soll die entsprechende Tabelle geöffnet werden.
Nun wäre das reinschreiben und öffnen kein Problem, wenn ich rausbekommen könnte was angeklickt wurde.

Ein weiteres Problem ist, dass wenn ich etwas erweitere (z.B. mir die aktive Zelle des Tabellen-Bedienelements anzeigen lasse) sich das VI aufhängt.
Es kommt auch kein Time-out mehr oder die Zeit wird nicht mehr aktualisiert. Aber das ist wie gesagt ein anderes Problem.
Vieleicht fällt dir ja was ein.
Danke.

P.S: Ich benutze LabVIEW 8.0

MfG
Robert


Angehängte Datei(en) Thumbnail(s)
       

Sonstige .vi  Generate_Jobs.vi (Größe: 128,95 KB / Downloads: 223)
Alle Beiträge dieses Benutzers finden
Diese Nachricht in einer Antwort zitieren to top
10.06.2008, 09:49
Beitrag #8

Achim Offline
*****
*****


Beiträge: 4.226
Registriert seit: Nov 2005

20xx
2000
EN

978xx
Deutschland
Ereignisse
' schrieb:Kann man z.B. ein Listenfeld so einstellen dass es Strings annimmt

Das Listenfeld hat als Inhalt auch immer "Strings", im Sinne von beliebigen Inhalten der Zellen!

Beschreiben kannst du das mit dem PropertyNode "ItemNames", einem 2D-Array von Strings!

"Is there some mightier sage, of whom we have yet to learn?"

"Opportunity is missed by most people because it is dressed in overalls and looks like work." (Thomas Edison)
Alle Beiträge dieses Benutzers finden
Diese Nachricht in einer Antwort zitieren to top
10.06.2008, 21:45
Beitrag #9

jg Offline
CLA & CLED
LVF-Team

Beiträge: 15.864
Registriert seit: Jun 2005

20xx / 8.x
1999
EN

Franken...
Deutschland
Ereignisse
' schrieb:Guten Morgen Jens,

ich kann dein Bild leider nicht erkennen, da hier alle Bilder geblockt werden.
Offtopic2
Was soll denn das, alle Bilder blocken? Da kann ich ja gleich zurück in die "gute alte" DOS-Zeit und kann mir WWW an den Hut schmieren..., aber VI's darfst du hoch- und runterladen...

OK, hier noch mal das Bsp (leicht erweitert) als VI

Lv80_img
Sonstige .vi  Untitled_1.vi (Größe: 15,71 KB / Downloads: 306)


MfG, Jens

P.S.: Das mit Wait-VI (100ms) und Timeout in der Event-Structure (1000ms) finde ich doppelt gemoppelt, ich denke, zumindest das Wait-VI kannste dir sparen. Der Rest ist mir momentan zu viel für eine tiefgreifende Analyse.

Wer die erhabene Weisheit der Mathematik tadelt, nährt sich von Verwirrung. (Leonardo da Vinci)

!! BITTE !! stellt mir keine Fragen über PM, dafür ist das Forum da - andere haben vielleicht auch Interesse an der Antwort!

Einführende Links zu LabVIEW, s. GerdWs Signatur.
Alle Beiträge dieses Benutzers finden
Diese Nachricht in einer Antwort zitieren to top
11.06.2008, 09:36
Beitrag #10

Maexle Offline
LVF-Grünschnabel
*


Beiträge: 10
Registriert seit: May 2008

8.0.1
2008
de

84130
Deutschland
Ereignisse
Guten Morgen Jens,

ich weiss auch nicht was das mit den Bildern soll, vor allem da Werbung und Bilder auf Webseiten angezeigt werden, aber haqlt nichts im Forum, keine Landkarten/Stadtpläne usw., also im Prinzip alles was man gerne sehen will wird nicht angezeigt und alles was unwichtig und nervig ist kommt durch. Und das beste ist ja das ich trozdem alles runterladen kann, worin ja das eigentliche Risiko liegt :-).
Ist halt ne beschissene Server- oder Firewalleinstellung, ich weiss ja auch nicht.

Danke für das Beispiel, so in etwa hab ich mir das auch gedacht. Nur was mit den Koordinaten anzufangen ist bzw. wie wusste ich nicht.

Nur eins noch: gibt es eventuel Probleme, wenn in einem Event-Case eine Sequenz ist, in der dann auf ein Event gewartet wird?
Danke.

MfG
Robert
Alle Beiträge dieses Benutzers finden
Diese Nachricht in einer Antwort zitieren to top
30
Antwort schreiben 


Möglicherweise verwandte Themen...
Themen Verfasser Antworten Views Letzter Beitrag
  Kopplung zweier Ereignisse TTT 4 5.289 25.07.2018 15:49
Letzter Beitrag: TTT
  Plotlegende programmatisch erstellen um Ereignisse zu erfassen mez15 10 9.041 01.03.2017 16:48
Letzter Beitrag: GerdW
  Ereignis in Ereignisstruktur ruft weitere Ereignisse auf Gruenschnabel 6 6.257 16.09.2016 07:01
Letzter Beitrag: TSC
  2 Ereignisse nacheinander auslösen jan_1 31 22.236 13.04.2016 19:27
Letzter Beitrag: Lucki
  Ereignisse in Cluster in Array erfassen mez15 7 7.229 15.12.2015 11:24
Letzter Beitrag: mez15
  Ereignisstruktur - Gleichzeitig auftretende Ereignisse I3erry 3 4.456 28.09.2015 13:21
Letzter Beitrag: Lucki

Gehe zu: