Hi,
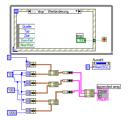
angehängt ist ein Bsp. (

) in dem 3 Kurvenverläufe mit je zwei Punkten zusammengefasst werden. Ich möchte eventgesteuert den angezeigten Graphen via "wenn auwahl geändert" aktualisieren. Funktioniert wunderbar. ABER: Gibt es einen Trick, wie ich definieren kann, dass erstmal ein bestimmtes Event durchgeführt wird? Also dass in jedem Fall sofort ein Kurvenverlauf dargestellt wird? Jetzt wird eben erst bei einer Änderung von Auwahl der Graph angezeigt.
Klar, ich kann das ganze nochmal vor die Case-Struktur schreiben, aber das finde ich unschön. Im eigentlichen Problem stecken da mehrere Sub-VI´s hinter und es würde viele Probleme geben. Also eine Option wie "täusche Änderung von Auwahl vor" oder "in jedem Fall als erstes einmal dieses Event durchführen" suche ich...
Viele Grüße
karl.ranseier