INFO: Dieses Forum nutzt Cookies...
Cookies sind für den Betrieb des Forums unverzichtbar. Mit der Nutzung des Forums erklärst Du dich damit einverstanden, dass wir Cookies verwenden.

Es wird in jedem Fall ein Cookie gesetzt um diesen Hinweis nicht mehr zu erhalten. Desweiteren setzen wir Google Adsense und Google Analytics ein.


Antwort schreiben 

FIFO in Abhängigkeit der verbleibenden Elemente im FIFO füllen



Wenn dein Problem oder deine Frage geklärt worden ist, markiere den Beitrag als "Lösung",
indem du auf den "Lösung" Button rechts unter dem entsprechenden Beitrag klickst. Vielen Dank!

01.09.2013, 20:25
Beitrag #1

Mietzekatze Offline
LVF-Gelegenheitsschreiber
**


Beiträge: 118
Registriert seit: Nov 2011

2014 SP1
2011
DE


Deutschland
FIFO in Abhängigkeit der verbleibenden Elemente im FIFO füllen
Hallo,

ich möchte mit meinem cRIO im LV FPGA Modus unter anderem Analoge Kanäle ansteuern.
Dazu habe ich Daten in einem Array auf dem Host (cRIO) liegen. Über ein FIFO (Host to Target) möchte ich diese Daten auf das FPGA übertragen und die Analogen Kanäle damit ansteuern.
Die Befüllung des FIFOs soll in Abhängigkeit der verbleibenden Elemente im FIFO geschehen. Sobald die Anzahl der Elemente im FIFO beispielsweise unter 100 fällt sollen erneut 100 Elemente in das FIFO geladen werden. Falls die Anzahl der Elemente größer 100 ist, sollen keine Elemente in das FIFO geladen werden.
Die erste Frage lautet. Wie kann ich Hostseitig die aktuelle Anzahl der Elemente im FIFO abfragen?
In Angehängter Datei steht die Variable "FIFO befüllen" dafür das das FIFO weniger als 100 Elemente besitzt. Die Variable "Ausgabe" soll am Ende mit dem Eingang von FIFO.Write verbunden werden.
Als Beispielvektor und um zu sehen welche Daten in "Ausgabe" stehen, wird am Anfang ein Vektor kreiert der eine Größe von 100 Elementen besitzt und dessen Elemente gleich der Indexnummer sind.
Die Case-Struktur und Array-Subset sollen dazu dienen die passenden Elemente in das FIFO (Ausgabe) zu laden.
Leider funktioniert das noch nicht so ganz.
Entdeckt jemand meinen Fehler?
Danke Smile


Angehängte Datei(en) Thumbnail(s)
   

12.0 .vi  TestBefüllungFIFOAusgang.vi (Größe: 12,49 KB / Downloads: 313)
Alle Beiträge dieses Benutzers finden
Diese Nachricht in einer Antwort zitieren to top
Anzeige
02.09.2013, 09:09
Beitrag #2

jg Offline
CLA & CLED
LVF-Team

Beiträge: 15.864
Registriert seit: Jun 2005

20xx / 8.x
1999
EN

Franken...
Deutschland
RE: FIFO in Abhängigkeit der verbleibenden Elemente im FIFO füllen
(01.09.2013 20:25 )Mietzekatze schrieb:  Die erste Frage lautet. Wie kann ich Hostseitig die aktuelle Anzahl der Elemente im FIFO abfragen?
Da fällt mir nur ein, ein leeres Array an "Write-FIFO" übergeben und dann die Antwort "Empty Elements Remaining" auswerten.

Gruß, Jens


Angehängte Datei(en) Thumbnail(s)
   

Wer die erhabene Weisheit der Mathematik tadelt, nährt sich von Verwirrung. (Leonardo da Vinci)

!! BITTE !! stellt mir keine Fragen über PM, dafür ist das Forum da - andere haben vielleicht auch Interesse an der Antwort!

Einführende Links zu LabVIEW, s. GerdWs Signatur.
Alle Beiträge dieses Benutzers finden
Diese Nachricht in einer Antwort zitieren to top
02.09.2013, 10:27
Beitrag #3

Lucki Offline
Tech.Exp.2.Klasse
LVF-Team

Beiträge: 7.699
Registriert seit: Mar 2006

LV 2016-18 prof.
1995
DE

01108
Deutschland
RE: FIFO in Abhängigkeit der verbleibenden Elemente im FIFO füllen
Also die Initialisierung verstehe ich ja noch, auch wenn sie recht aufgebläht daherkommt:
   
Alle Beiträge dieses Benutzers finden
Diese Nachricht in einer Antwort zitieren to top
06.09.2013, 13:45
Beitrag #4

Mietzekatze Offline
LVF-Gelegenheitsschreiber
**


Beiträge: 118
Registriert seit: Nov 2011

2014 SP1
2011
DE


Deutschland
RE: FIFO in Abhängigkeit der verbleibenden Elemente im FIFO füllen
Okay wenn ich das sehe ist es ja auch viel einfacher mit der Initialisierung Smile

Wenn ich Empty Elements Remaining auslese bekomme ich doch aber den Platz angezeigt, welcher noch für Elemente frei ist. Ist das der hostseitige Platz, welcher bei ungefüllten FIFO 10.000 Elementen fast oder die Größe die ich im Projektexplorer für das FIFO einstellen kann?
Alle Beiträge dieses Benutzers finden
Diese Nachricht in einer Antwort zitieren to top
06.09.2013, 14:29
Beitrag #5

jg Offline
CLA & CLED
LVF-Team

Beiträge: 15.864
Registriert seit: Jun 2005

20xx / 8.x
1999
EN

Franken...
Deutschland
RE: FIFO in Abhängigkeit der verbleibenden Elemente im FIFO füllen
Du kennst die Maximal-Größe des FIFO (aus der Konfiguration).
Du kannst Abfragen, wie viele Elemente frei sind.

Aus beiden Infos kannst du also filtern, wie viele Element noch im RT->FPGA FIFO hängen.

Gruß, Jens

Wer die erhabene Weisheit der Mathematik tadelt, nährt sich von Verwirrung. (Leonardo da Vinci)

!! BITTE !! stellt mir keine Fragen über PM, dafür ist das Forum da - andere haben vielleicht auch Interesse an der Antwort!

Einführende Links zu LabVIEW, s. GerdWs Signatur.
Alle Beiträge dieses Benutzers finden
Diese Nachricht in einer Antwort zitieren to top
10.09.2013, 22:43 (Dieser Beitrag wurde zuletzt bearbeitet: 10.09.2013 22:45 von Mietzekatze.)
Beitrag #6

Mietzekatze Offline
LVF-Gelegenheitsschreiber
**


Beiträge: 118
Registriert seit: Nov 2011

2014 SP1
2011
DE


Deutschland
RE: FIFO in Abhängigkeit der verbleibenden Elemente im FIFO füllen
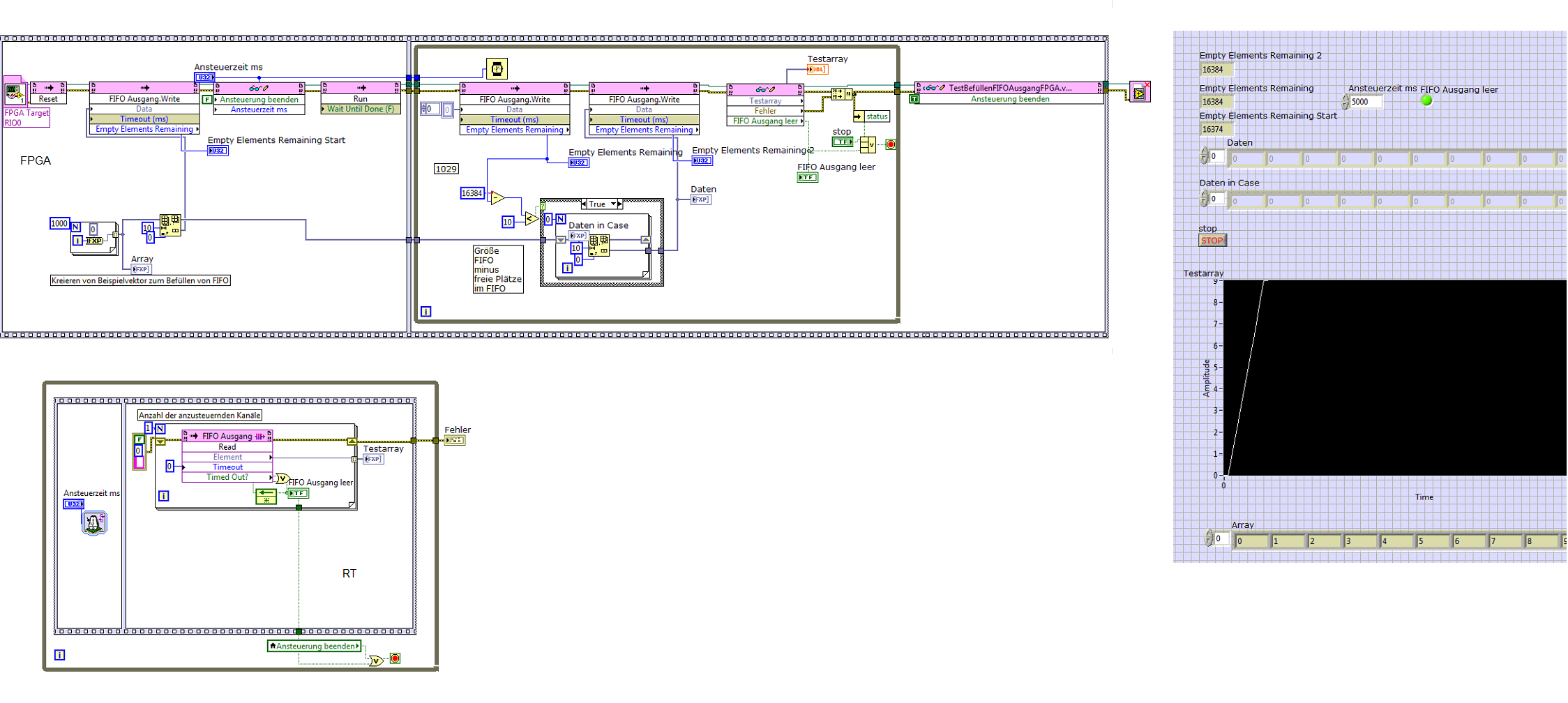
Also leider funktioniert das mit den Empty Elements Remaining noch nicht so ganz.
Im Anhang befindet sich ein kleines Beispielprogramm.
Der FIFO ist auf die Größe 1029 eingestellt.
Beim Auslesen von Empty Elements Remaining erscheint allerdings eine viel höhere Zahl:(16384 mit 10 Elementen gefüllt)
Diese Zahl aktualisiert sich auch nicht. Das wäre das erste Mysterium.
Nun sollte die Case-struktur neue Daten in das FIFO schreiben, wenn die Empty Elements Remaining kleiner 10. Da diese allerdings konstant auf 16384 bleiben wird dieser Bereich nicht aktiviert und nach 10 Elementen bricht das Programm ab, da der FIFO leer ist.

Hm was zeigt dieses Empty Elements Remaining eigentlich an,wenn nicht die verbleibenden freien Plätze im FIFO?


Angehängte Datei(en) Thumbnail(s)
   

12.0 .vi  TestBefüllenFIFOAusgangFPGA.vi (Größe: 30,88 KB / Downloads: 319)

12.0 .vi  TestBefüllungFIFOAusgang.vi (Größe: 133,37 KB / Downloads: 295)
Alle Beiträge dieses Benutzers finden
Diese Nachricht in einer Antwort zitieren to top
Anzeige
12.09.2013, 14:45 (Dieser Beitrag wurde zuletzt bearbeitet: 12.09.2013 14:45 von jg.)
Beitrag #7

jg Offline
CLA & CLED
LVF-Team

Beiträge: 15.864
Registriert seit: Jun 2005

20xx / 8.x
1999
EN

Franken...
Deutschland
RE: FIFO in Abhängigkeit der verbleibenden Elemente im FIFO füllen
Aus der Hilfe:

Empty Elements Remaining returns the number of empty elements remaining in the host memory part of the DMA FIFO.

Ich muss zugeben, mglw. habe das falsch interpretiert und es ist gar nicht die noch freie Größe im Bereich des FPGA. Probiere doch mal folgendes: Im FPGA-Code liest den FIFO gar nicht aus. Was passiert dann im RT? (Nach dem Motto: Probieren geht über studieren).

Jetzt aber nochmal zu deinem VI:
Direkt nach Start werden dir 16374 Elemente angezeigt.
Das passt ja (indirekt), denn du hast gerade 10 Elemente geschrieben.

Danach schreibst du aber auf den ersten Blick nur leere Arrays und somit ändert sich die Zahl auch nicht.

Gruß, Jens

Wer die erhabene Weisheit der Mathematik tadelt, nährt sich von Verwirrung. (Leonardo da Vinci)

!! BITTE !! stellt mir keine Fragen über PM, dafür ist das Forum da - andere haben vielleicht auch Interesse an der Antwort!

Einführende Links zu LabVIEW, s. GerdWs Signatur.
Alle Beiträge dieses Benutzers finden
Diese Nachricht in einer Antwort zitieren to top
15.09.2013, 22:39
Beitrag #8

Mietzekatze Offline
LVF-Gelegenheitsschreiber
**


Beiträge: 118
Registriert seit: Nov 2011

2014 SP1
2011
DE


Deutschland
RE: FIFO in Abhängigkeit der verbleibenden Elemente im FIFO füllen
Die Zahl sollte sich ändern, da ich auf der FPGA Seite Werte entnehme.
Alle Beiträge dieses Benutzers finden
Diese Nachricht in einer Antwort zitieren to top
16.09.2013, 07:29
Beitrag #9

jg Offline
CLA & CLED
LVF-Team

Beiträge: 15.864
Registriert seit: Jun 2005

20xx / 8.x
1999
EN

Franken...
Deutschland
RE: FIFO in Abhängigkeit der verbleibenden Elemente im FIFO füllen
(15.09.2013 22:39 )Mietzekatze schrieb:  Die Zahl sollte sich ändern, da ich auf der FPGA Seite Werte entnehme.
Die Zahl hat sich doch laut deinem Screenshot geändert. Direkt beim Schreiben kommt 16374 raus. FPGA entnimmt Elemente (auf FPGA-Seite). Im RT ist die Rückmeldung 16384.

Gruß, Jens

Wer die erhabene Weisheit der Mathematik tadelt, nährt sich von Verwirrung. (Leonardo da Vinci)

!! BITTE !! stellt mir keine Fragen über PM, dafür ist das Forum da - andere haben vielleicht auch Interesse an der Antwort!

Einführende Links zu LabVIEW, s. GerdWs Signatur.
Alle Beiträge dieses Benutzers finden
Diese Nachricht in einer Antwort zitieren to top
Antwort schreiben 


Möglicherweise verwandte Themen...
Themen Verfasser Antworten Views Letzter Beitrag
  FPGA FIFO vs. MEMORY derandyk 1 5.597 30.11.2018 11:42
Letzter Beitrag: GerdW
  16 Kanal AI mit FPGA und DMA FIFO derandyk 12 15.681 23.11.2018 15:56
Letzter Beitrag: BNT
  FPGA FIFO Roland 5 9.779 28.05.2018 20:16
Letzter Beitrag: jg
  unplausible Werte aus FIFO kwakz 2 8.683 28.09.2015 06:05
Letzter Beitrag: kwakz
  FPGA FIFO - Oszilloscop PxCE_HB 9 15.752 08.09.2015 14:35
Letzter Beitrag: GerdW
  Kommunikation über DMA zwischen FPGA und RT: FIFO nur für 3 ms füllen Rostra 9 12.456 18.06.2015 06:17
Letzter Beitrag: Rostra

Gehe zu: