04.02.2009, 13:32
Beitrag #1
|
Physikus
Unregistered
|
Faltung
Hallo Leute,
nach langer Zeit darf ich mich endlich wieder mit LabVIEW beschäftigen und habe auch gleich eine Frage. ^_^
Ich möchte eine Faltung durchführen und habe gesehen, dass es dafür ein eigenes Symbol bei LabVIEW gibt. Leider stand in der Hilfe dabei, dass dies nicht in der Basisversion vorhanden ist.
Eine kurze Suche in meiner Version hat ergeben, dass ich wohl die Basisversion besitze, da das Symbol nicht zu finden war.
Stellt sich also für mich die Frage: Lässt sich eine Faltung auch (einfach so) programmieren? Oder greife ich dazu besser auf andere Programme zurück?
Cheers,
Physikus.
|
|
|
04.02.2009, 13:51
Beitrag #2
|
Y-P
☻ᴥᴥᴥ☻ᴥᴥᴥ☻
Beiträge: 12.612
Registriert seit: Feb 2006
Developer Suite Core -> LabVIEW 2015 Prof.
2006
EN
71083
Deutschland
|
Faltung
Die "Convolution"-VIs kann man auch öffnen und einfach nachprogrammieren. Nur weiß ich nicht, ob das von NI-Seite aus legal ist und außerdem weiß ich auch nicht, wie die funktionieren. 
Hast Du kein neueres LabVIEW zur Hand? Da gibt es auch schöne Bsp. im Example-Finder.
Gruß Markus
--------------------------------------------------------------------------
Bitte stellt mir keine Fragen über PM, dafür ist das Forum da - andere haben vielleicht auch Interesse an der Antwort !!
--------------------------------------------------------------------------
|
|
|
04.02.2009, 14:10
Beitrag #3
|
jg
CLA & CLED
Beiträge: 15.864
Registriert seit: Jun 2005
20xx / 8.x
1999
EN
Franken...
Deutschland
|
Faltung
' schrieb:Die "Convolution"-VIs kann man auch öffnen und einfach nachprogrammieren. Nur weiß ich nicht, ob das von NI-Seite aus legal ist und außerdem weiß ich auch nicht, wie die funktionieren. 
Hast Du kein neueres LabVIEW zur Hand? Da gibt es auch schöne Bsp. im Example-Finder.
Gruß Markus
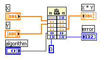
@Y-P: Was ist hier dran nachprogrammierbar? (Screenshot aus 8.6)
Wenn du "nur" das Basispaket hast, dann hast du auch nicht die entsprechende DLL.
@Physikus:
Kann man schon in LV programmieren. Ist halt ein wenig Array-Multiplikation und Array-Geschiebe. Da musst du dich halt mal reinarbeiten.
Gruß, Jens
Wer die erhabene Weisheit der Mathematik tadelt, nährt sich von Verwirrung. (Leonardo da Vinci)
!! BITTE !! stellt mir keine Fragen über PM, dafür ist das Forum da - andere haben vielleicht auch Interesse an der Antwort!
Einführende Links zu LabVIEW, s. GerdWs Signatur.
|
|
|
04.02.2009, 14:21
Beitrag #4
|
Y-P
☻ᴥᴥᴥ☻ᴥᴥᴥ☻
Beiträge: 12.612
Registriert seit: Feb 2006
Developer Suite Core -> LabVIEW 2015 Prof.
2006
EN
71083
Deutschland
|
Faltung
@Jens:
Hab' mir das PtbyPt-VI angeschaut und das könntest Du nachprogrammieren. Sind halt keine Arrays am Eingang, sondern Einzelwerte.
Gruß Markus
--------------------------------------------------------------------------
Bitte stellt mir keine Fragen über PM, dafür ist das Forum da - andere haben vielleicht auch Interesse an der Antwort !!
--------------------------------------------------------------------------
|
|
|
04.02.2009, 14:38
Beitrag #5
|
jg
CLA & CLED
Beiträge: 15.864
Registriert seit: Jun 2005
20xx / 8.x
1999
EN
Franken...
Deutschland
|
Faltung
' schrieb:@Jens:
Hab' mir das PtbyPt-VI angeschaut und das könntest Du nachprogrammieren. Sind halt keine Arrays am Eingang, sondern Einzelwerte.
Gruß Markus
Achso, aber dies hat Physikus, wenn er wirklich eine Base-Version hat, auch nicht nachbauen...
Aber diese Aufsummierung, das geht schon. SubArrays korrekt auswählen, dann Arrays miteinander multiplizieren und Aufsummieren mit Summenzeichen. Das geht schon. Auch wenn am Ende sicher langsamer ist als die DLL-größer-Base-Package-Variante.
Gruß, Jens
Wer die erhabene Weisheit der Mathematik tadelt, nährt sich von Verwirrung. (Leonardo da Vinci)
!! BITTE !! stellt mir keine Fragen über PM, dafür ist das Forum da - andere haben vielleicht auch Interesse an der Antwort!
Einführende Links zu LabVIEW, s. GerdWs Signatur.
|
|
|
05.02.2009, 13:33
Beitrag #6
|
Physikus
Unregistered
|
Faltung
Danke für die Antworten,
habe den Eindruck, dass es wieder einmal an der Version hängt.
Ja, ich kann nur LV 6 hier an der Uni verwenden.
Habe nochmal nachgefragt und herausgefunden, dass ich eigentlich eine Faltung rückgängig machen muss. Und das geht im Grunde über eine FFT. Allerdings scheint auch dieses Symbol nur in der Basisversion vorhanden zu sein.
Und so wie es aussieht greife ich da prinzipiell eher auf Mathematica zurück?
*verwirrt*
Cheers,
Physikus.
|
|
|
05.02.2009, 15:45
Beitrag #7
|
Lucki
Tech.Exp.2.Klasse
Beiträge: 7.699
Registriert seit: Mar 2006
LV 2016-18 prof.
1995
DE
01108
Deutschland
|
Faltung
' schrieb:Habe nochmal nachgefragt und herausgefunden, dass ich eigentlich eine Faltung rückgängig machen muss. Und das geht im Grunde über eine FFT. Allerdings scheint auch dieses Symbol nur in der Basisversion vorhanden zu sein.
Man muß ja nicht unbedingt "falten", sondern könnte es auch mit Fouriertransformation machen - vorausgesetzt das ist in der Basiversion dabei.
Es geht geht dann so:
Von den beiden Funktionen f(t) und g(t) die (komplexen) Frequenzspektren berechnen. Diese Spektren miteinander multiplizieren und das Ergebnis in den Zeitbereich rücktransformieren.
Rückgängig machen kann man das Ergebnis auch, aber natürlich nur dann, wenn eine der beiden Funktionen f oder g in der Zeit- oder Frequenzebene bekannt ist. Dann kann man die andere berechnen. Der Unterschied in der Prozedur ist dann lediglich, daß die beiden Spektren dividiert werden.
Gruß Ludwig
|
|
|
05.02.2009, 16:05
Beitrag #8
|
jg
CLA & CLED
Beiträge: 15.864
Registriert seit: Jun 2005
20xx / 8.x
1999
EN
Franken...
Deutschland
|
Faltung
' schrieb:Man muß ja nicht unbedingt "falten", sondern könnte es auch mit Fouriertransformation machen - vorausgesetzt das ist in der Basiversion dabei.
Das ist das Problem. Ist eben nicht in der Basis-Version dabei. Die ganzen Mathe-Sonderfunktionen lässt sich NI mit dem Full Development System gut bezahlen.
Gruß, Jens
Wer die erhabene Weisheit der Mathematik tadelt, nährt sich von Verwirrung. (Leonardo da Vinci)
!! BITTE !! stellt mir keine Fragen über PM, dafür ist das Forum da - andere haben vielleicht auch Interesse an der Antwort!
Einführende Links zu LabVIEW, s. GerdWs Signatur.
|
|
|
06.02.2009, 07:15
(Dieser Beitrag wurde zuletzt bearbeitet: 06.02.2009 07:16 von rolfk.)
Beitrag #9
|
|
|
| |