05.09.2011, 11:17
(Dieser Beitrag wurde zuletzt bearbeitet: 05.09.2011 11:19 von ReneP.)
Beitrag #1
|
|
|
|
|
|
05.09.2011, 12:03
Beitrag #2
|
illuminus
LVF-Gelegenheitsschreiber
 
Beiträge: 67
Registriert seit: Jul 2005
LabVIEW Professional 2011, Embedded for ARM MCU, Embedded for ADI BF
1996
EN
55129
Deutschland
|
RE: Fehlermeldung Error 74 occurred at Unflatten From String
Hi,
du bekommst ein Fehler 74 zurück, wenn der String leer ist. Ich vermute mal, dass du in einen Timeout gelaufen bist.
Steht den in "Gesendet von TEDAS:" was drin? Bzw. überprüfe doch mal die Länge des Strings.
Gruß
Das Schönste, was wir entdecken können, ist das Geheimnisvolle.
|
|
|
|
|
05.09.2011, 12:46
Beitrag #3
|
ReneP
LVF-Gelegenheitsschreiber
 
Beiträge: 87
Registriert seit: Feb 2010
10
2009
EN
xxxxx
Deutschland
|
RE: Fehlermeldung Error 74 occurred at Unflatten From String
Hi,
nein da steht nichts drin. Das heißt also, dass er gar keine Verbindung herstellen konnte oder wie darf ich das verstehen?
Danke dir.
Gruß
|
|
|
|
|
05.09.2011, 13:52
Beitrag #4
|
illuminus
LVF-Gelegenheitsschreiber
 
Beiträge: 67
Registriert seit: Jul 2005
LabVIEW Professional 2011, Embedded for ARM MCU, Embedded for ADI BF
1996
EN
55129
Deutschland
|
RE: Fehlermeldung Error 74 occurred at Unflatten From String
Ja, genau.
Ich kann leider nicht im Bild weiter nach rechts scrollen, aber kann es sein, dass du in dem Top Case die TCP/IP Verbindung wider schließt?
Das ganze ist generell nicht ganz glücklich gelöst ... was soll das VI zu erst machen lesen oder schreiben? Du hast zweimal schreiben und einmal lesen und keine Struktur was zuerst geschehen soll. Das muss zwangsläufig zu Fehlern führen.
Gruß
Das Schönste, was wir entdecken können, ist das Geheimnisvolle.
|
|
|
|
|
05.09.2011, 14:11
Beitrag #5
|
ReneP
LVF-Gelegenheitsschreiber
 
Beiträge: 87
Registriert seit: Feb 2010
10
2009
EN
xxxxx
Deutschland
|
RE: Fehlermeldung Error 74 occurred at Unflatten From String
Hi,
sorry mehr passte nicht auf den Bildschirm
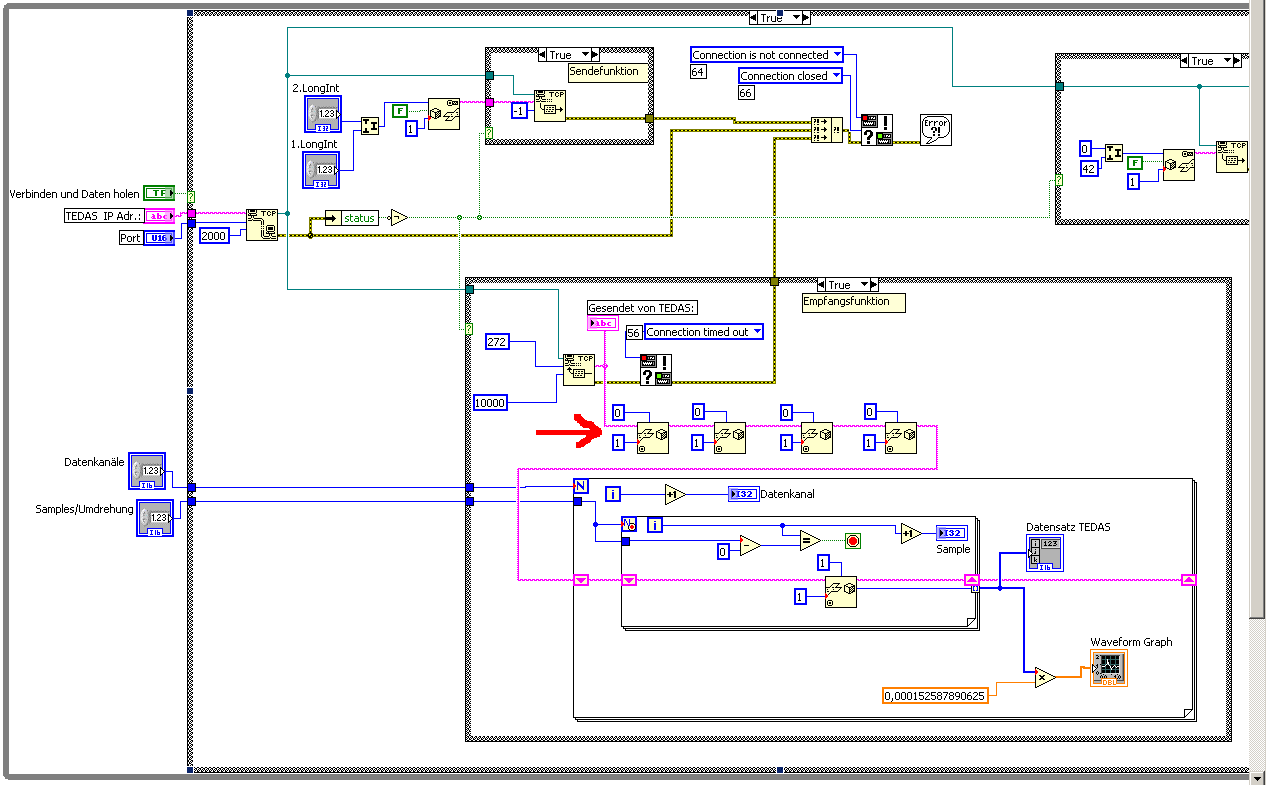
Also im Bild oben links das erste Senden übermittel dem Server einen Sendebefehl, daraufhin antwortet der Server ( empfang der Daten unten mitte) und anschließend wird rechts der "kanal schließen" befehl gesendet.
Danke für deine ausdauernde Hilfe.
|
|
|
|
|
06.09.2011, 07:59
Beitrag #7
|
ReneP
LVF-Gelegenheitsschreiber
 
Beiträge: 87
Registriert seit: Feb 2010
10
2009
EN
xxxxx
Deutschland
|
RE: Fehlermeldung Error 74 occurred at Unflatten From String
Hi,
[/s]
ja mit den Sub VIs hast du ja recht. Aber bin ja wie die siehst in der Entwicklung und da habe ich gern alles direkt sichtbar.
Das heißt ich kann die Reihenfolge wie die einzelnen Blöcke verarbeitet werden mit der Errorleitung festlegen?
Wenn das so ist, habe ich wieder mal was gelernt.
Danke!
Gruß
Rene
|
|
|
|
|
06.09.2011, 08:32
Beitrag #8
|
Y-P
☻ᴥᴥᴥ☻ᴥᴥᴥ☻
Beiträge: 12.612
Registriert seit: Feb 2006
Developer Suite Core -> LabVIEW 2015 Prof.
2006
EN
71083
Deutschland
|
RE: Fehlermeldung Error 74 occurred at Unflatten From String
Natürlich, LabVIEW beruht ja gerade auf dem Datenflussprinzip.
Gruß Markus
(06.09.2011 07:59 )Tryxinos schrieb: Das heißt ich kann die Reihenfolge wie die einzelnen Blöcke verarbeitet werden mit der Errorleitung festlegen?
--------------------------------------------------------------------------
Bitte stellt mir keine Fragen über PM, dafür ist das Forum da - andere haben vielleicht auch Interesse an der Antwort !!
--------------------------------------------------------------------------
|
|
|
|
|
06.09.2011, 09:53
Beitrag #9
|
ReneP
LVF-Gelegenheitsschreiber
 
Beiträge: 87
Registriert seit: Feb 2010
10
2009
EN
xxxxx
Deutschland
|
RE: Fehlermeldung Error 74 occurred at Unflatten From String
Hi,
hehe 
Ich hatte mich schon immer gefragt wie die Reihenfolge festgelegt wird 
Danke.
Noch mal eine generelle Frage zu meinem Programm.
Wenn ich die TCP Verbindung hergestellt habe, dann könnte ich doch Theoretisch das Senden und Empfangen in einer While-Schleife so oft durchlaufen lassen wie ich möchte und danach erst die Verbindung schließen oder?
Wenn das geht, frage ich mich wieso ich dann immer diesen Fehler 74 s.o. bekomme.
Gruß
Rene
|
|
|
|
|
06.09.2011, 10:39
|
Y-P
☻ᴥᴥᴥ☻ᴥᴥᴥ☻
Beiträge: 12.612
Registriert seit: Feb 2006
Developer Suite Core -> LabVIEW 2015 Prof.
2006
EN
71083
Deutschland
|
RE: Fehlermeldung Error 74 occurred at Unflatten From String
--------------------------------------------------------------------------
Bitte stellt mir keine Fragen über PM, dafür ist das Forum da - andere haben vielleicht auch Interesse an der Antwort !!
--------------------------------------------------------------------------
|
|
|
|
| |