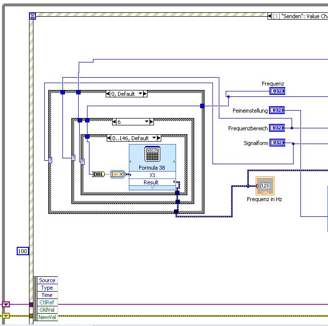
Formel soll kommawerte ausgeben |
Wenn dein Problem oder deine Frage geklärt worden ist, markiere den Beitrag als "Lösung",
indem du auf den "Lösung" Button rechts unter dem entsprechenden Beitrag klickst. Vielen Dank!
|
|
|
| Möglicherweise verwandte Themen... | |||||
| Themen | Verfasser | Antworten | Views | Letzter Beitrag | |
| Unterschied zw. Formelknoten und Formel VI | hansi9990 | 7 | 7.824 |
01.10.2017 12:34 Letzter Beitrag: hansi9990 |
|
| PID Reglerausgang soll Integerwerte ausgeben | PTBist | 3 | 4.350 |
19.11.2016 16:49 Letzter Beitrag: GerdW |
|
| Simple Formel in LabView+Grafik | PotatoJim | 1 | 3.621 |
15.06.2015 13:40 Letzter Beitrag: jg |
|
| Formel in Labview umsetzen | ReptileX2 | 4 | 5.724 |
08.06.2015 07:40 Letzter Beitrag: ReptileX2 |
|
| Oberfläche mit Array und Formel grafisch ausgeben? | flink | 6 | 6.664 |
14.07.2014 08:56 Letzter Beitrag: jg |
|
| Tab control soll nur einmal true ausgeben | Orga | 5 | 6.352 |
14.06.2013 06:12 Letzter Beitrag: Orga |
|










