INFO: Dieses Forum nutzt Cookies...
Cookies sind für den Betrieb des Forums unverzichtbar. Mit der Nutzung des Forums erklärst Du dich damit einverstanden, dass wir Cookies verwenden.

Es wird in jedem Fall ein Cookie gesetzt um diesen Hinweis nicht mehr zu erhalten. Desweiteren setzen wir Google Adsense und Google Analytics ein.


Antwort schreiben 

Frontpanel Farben



Wenn dein Problem oder deine Frage geklärt worden ist, markiere den Beitrag als "Lösung",
indem du auf den "Lösung" Button rechts unter dem entsprechenden Beitrag klickst. Vielen Dank!

22.02.2010, 11:41
Beitrag #1

conne Offline
LVF-Grünschnabel
*


Beiträge: 25
Registriert seit: Feb 2010

8.5
2007
de

28199
Deutschland
Frontpanel Farben
Hallo,
Es passt vielleicht nicht ganz hier rein, aber ich muss trotzdem mal fragen. Ich habe ein relativ großes Frontpanel, das farblich angepasst werden muss. Dazu habe ich bisher im Blockdiagramm alle einzelnen Eigenschaftsknoten in einer Case-Struktur. Da das aber immer mehr wird frage ich mich nun, ob man das nicht irgendwie einfacher, und vor allem übersichtlicher machen kann.
Meine nächste Idee wäre nun die Referenzen der Anzeigen in einen Cluster zu packen, und an ein SubVI zu übergeben, in dem dann die Eigenschaftsknoten sind.
Wie würdet ihr das machen?


Angehängte Datei(en) Thumbnail(s)
   
Alle Beiträge dieses Benutzers finden
Diese Nachricht in einer Antwort zitieren to top
Anzeige
22.02.2010, 12:24
Beitrag #2

SeBa Offline
LVF-Guru
*****


Beiträge: 2.025
Registriert seit: Oct 2008

09SP1 & 10 FDS
2008
DE

65xxx
Deutschland
Frontpanel Farben
Ich würde die FP-Elemente per Untertitel in Gruppen einteilen.
Elemente einer Gruppe bekommen z.B. die selbe Farbe ect... d.h. die Elemente müssen die entsprechende Eigenschaft auch besitzen.

In einer Schleife schaust du für jedes Element, welcher Gruppe es angehört und in einer Case-Struktur setzt du dann die Eigenschaften.

Sinnvollere Bezeichnungen als 1 und 2 für die Gruppen gibt es bestimmt, zur Demonstration sind diese jedoch zweckmäßig.

Nicht vergessen geöffnete Referenzen wieder zu schließen... ich habs weggelassen.

   

Gruß SeBa

Dieser Beitrag soll weder nützlich, informativ noch lesbar sein.

Er erhebt lediglich den Anspruch dort wo er ungenau ist, wenigstens eindeutig ungenau zu sein.
In Fällen größerer Abweichungen ist es immer der Leser, der sich geirrt hat.

Rette einen Baum!
Diesen Beitrag nur ausdrucken, wenn unbedingt nötig!
Alle Beiträge dieses Benutzers finden
Diese Nachricht in einer Antwort zitieren to top
22.02.2010, 13:31 (Dieser Beitrag wurde zuletzt bearbeitet: 22.02.2010 13:31 von conne.)
Beitrag #3

conne Offline
LVF-Grünschnabel
*


Beiträge: 25
Registriert seit: Feb 2010

8.5
2007
de

28199
Deutschland
Frontpanel Farben
So, darf ich nochmal?
Wie bekomme ich es denn hin, in dem Durchlauf der Schleife auch auf Eigenschaften zuzugreifen, die nicht für alle Elemente gleich sind?


Angehängte Datei(en) Thumbnail(s)
   
Alle Beiträge dieses Benutzers finden
Diese Nachricht in einer Antwort zitieren to top
22.02.2010, 13:37 (Dieser Beitrag wurde zuletzt bearbeitet: 22.02.2010 13:38 von Y-P.)
Beitrag #4

Y-P Offline
☻ᴥᴥᴥ☻ᴥᴥᴥ☻
LVF-Team

Beiträge: 12.612
Registriert seit: Feb 2006

Developer Suite Core -> LabVIEW 2015 Prof.
2006
EN

71083
Deutschland
Frontpanel Farben
Mit "To more specific class".
Hier ein Bsp.: http://www.LabVIEWforum.de/index.php?s=&am...ost&p=50488

Gruß Markus

--------------------------------------------------------------------------
Bitte stellt mir keine Fragen über PM, dafür ist das Forum da - andere haben vielleicht auch Interesse an der Antwort !!
--------------------------------------------------------------------------
Alle Beiträge dieses Benutzers finden
Diese Nachricht in einer Antwort zitieren to top
22.02.2010, 14:28
Beitrag #5

jg Offline
CLA & CLED
LVF-Team

Beiträge: 15.864
Registriert seit: Jun 2005

20xx / 8.x
1999
EN

Franken...
Deutschland
Frontpanel Farben
Meine Empfehlung für den Einstieg:
Erstelle von den Elementen, die per PropertyNode setzen willst, eine Referenz (Rechtsklick->Create->Reference).
Die Referenzen identischer Elemente (also Numerics oder Booleans) fasst du dann in einem Array zusammen (Build Array).
Und dann geht es mit einer For-Schleife weiter, ähnlich wie schon oben beschrieben.

Mit den bisherigen Vorschlägen landest du aktuell in einer Sackgasse, denn dein VI ist doch sicher das hier:
http://www.LabVIEWforum.de/Probleme-beim-A...232-t15588.html
Und da liegen alle deine Controls auf einem Tab, du musst dir also die Referenzen so holen:
   

Per Untertitel bzw. Caption würde ich NICHT aufsplitten. Die Caption kann zur Laufzeit per PropertyNode geändert werden, und ist somit kein eineindeutiger Bezeichner. Was ist, wenn du dein VI einmal mehrsprachig machst. Wenn eine Aufteilung, dann nach dem Label des Controls, und auf dem FP zeigt man den die Caption anstatt des Labels an!

Noch interessanter ist die Möglichkeit, die Art des Controls über seine Class ID festzustellen:
   
Aber jetzt wird es abgehoben, also Schluß hier.

Gruß, Jens

Wer die erhabene Weisheit der Mathematik tadelt, nährt sich von Verwirrung. (Leonardo da Vinci)

!! BITTE !! stellt mir keine Fragen über PM, dafür ist das Forum da - andere haben vielleicht auch Interesse an der Antwort!

Einführende Links zu LabVIEW, s. GerdWs Signatur.
Alle Beiträge dieses Benutzers finden
Diese Nachricht in einer Antwort zitieren to top
22.02.2010, 20:06
Beitrag #6

conne Offline
LVF-Grünschnabel
*


Beiträge: 25
Registriert seit: Feb 2010

8.5
2007
de

28199
Deutschland
Frontpanel Farben
Ja Jens, da haste mich voll erwischt ;-)
Aber diese Vorgehensweise ist ja dann doch ziemlich aufwändig! Außerdem weiß ich nicht genau, wie ich das machen soll.
Ich müsste ja jetzt aus dem Array die betreffenden Referenzen rausfiltern, und wieder in ein neues Array schreiben, sehe ich das richtig?
Ist das nicht am Ende mehr Code als wenn ich einfach die einzelnen Eigenschaftsknoten stehen lasse?
Davon mal ab, wüsste ich gar nicht, wie ich das angehen sollte, auf eine Referenzeigenschaft abzufragen....
Alle Beiträge dieses Benutzers finden
Diese Nachricht in einer Antwort zitieren to top
Anzeige
22.02.2010, 22:10
Beitrag #7

jg Offline
CLA & CLED
LVF-Team

Beiträge: 15.864
Registriert seit: Jun 2005

20xx / 8.x
1999
EN

Franken...
Deutschland
Frontpanel Farben
Das mit den Referenzen ist nicht gerade das einfachste Thema in LabVIEW. Vor allem, wenn man noch an der Klasse der Referenz programmatisch rummacht und sie zu einer allgemeineren oder genaueren Klasse ändert.

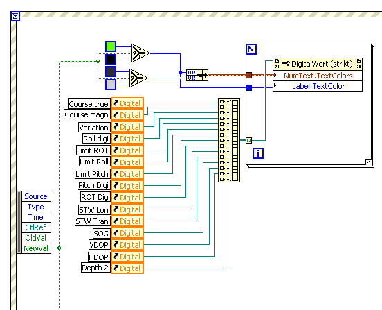
Deshalb, wenn du etwas zusammenfassen willst, dann fang doch erst mal mit sowas hier an:
   
Sowas ist schnell gemacht, und in meinen Augen übersichtlicher, als 20mal dieselbe PropertyNode nebeneinander.

Gruß, Jens

Wer die erhabene Weisheit der Mathematik tadelt, nährt sich von Verwirrung. (Leonardo da Vinci)

!! BITTE !! stellt mir keine Fragen über PM, dafür ist das Forum da - andere haben vielleicht auch Interesse an der Antwort!

Einführende Links zu LabVIEW, s. GerdWs Signatur.
Alle Beiträge dieses Benutzers finden
Diese Nachricht in einer Antwort zitieren to top
23.02.2010, 10:53
Beitrag #8

conne Offline
LVF-Grünschnabel
*


Beiträge: 25
Registriert seit: Feb 2010

8.5
2007
de

28199
Deutschland
Frontpanel Farben
Ich glaube, so werde ich das erstmal lösen, und die andere Variante vielleicht nochmal angehen, wenn ich mal Zeit habe.
Vielen Dank soweit!
Alle Beiträge dieses Benutzers finden
Diese Nachricht in einer Antwort zitieren to top
Antwort schreiben 


Möglicherweise verwandte Themen...
Themen Verfasser Antworten Views Letzter Beitrag
  Farben verschwinden beim Speichern einer Tabelle dulfried 4 6.238 14.09.2017 14:45
Letzter Beitrag: dulfried
Question Y-Achse mit unterschiedlichen Farben im Label LazyBoNe 2 4.301 02.07.2014 08:28
Letzter Beitrag: LazyBoNe
  mehrere Farben in Verlaufsanzeige für Balken Hasenfuss 7 9.489 28.01.2013 09:41
Letzter Beitrag: THL
  Farben der Designelemente auf dem Frontpanel qf_ 7 14.572 08.02.2010 14:19
Letzter Beitrag: Guest
  Dem Button Farben zuordnen!? yasukatakaya 6 8.082 12.11.2009 14:46
Letzter Beitrag: Achim
  Stringanzeige mit verschiedenen Farben archibald 8 7.573 05.06.2009 19:45
Letzter Beitrag: jg

Gehe zu: