Hallo,
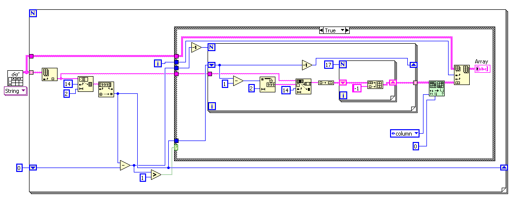
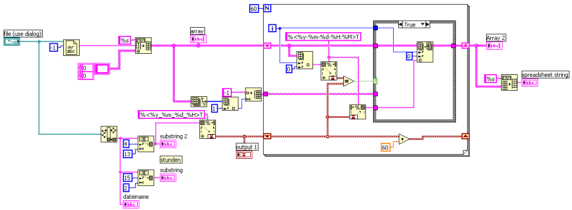
ich habe Textfiles - in denen stehen normalerweiße 60 Zeilen mit Messwerten ( Stundenmesswerte - alle Minute eine Zeile mit 17 Messwerten )!
In der ersten Spalte steht quasi der Zeitstempel ( Datum, Stundenzeit und Minutenzeit von 00 bis 59) und danach kommen die verschiedenen Messwerte.
Mein Problem ist jetzt: wie krieg ich es hin wenn mal mittendrin eine Zeile fehlt ( dann hab ich ja insgesamt nur 59 zeilen mit Messwerten ) mir eine neue Textfile zu erstellen wo dann die fehlende Zeile mit dem richtigen Zeitstempel und als messwerte 17 mal nur -1 steht.
Beispiel:
2009-05-12-12:00 *17 unterschiedliche messwerte durch tab getrennt*
2009-05-12-12:01 *17 unterschiedliche messwerte durch tab getrennt*
2009-05-12-12:02 *17 unterschiedliche messwerte durch tab getrennt*
2009-05-12-12:03 *17 unterschiedliche messwerte durch tab getrennt*
2009-05-12-12:04 *17 unterschiedliche messwerte durch tab getrennt*
2009-05-12-12:05 *17 unterschiedliche messwerte durch tab getrennt*
2009-05-12-12:07 *17 unterschiedliche messwerte durch tab getrennt*
2009-05-12-12:08 *17 unterschiedliche messwerte durch tab getrennt*
2009-05-12-12:09 *17 unterschiedliche messwerte durch tab getrennt*
.
.
.
2009-05-12-12:56 *17 unterschiedliche messwerte durch tab getrennt*
2009-05-12-12:57 *17 unterschiedliche messwerte durch tab getrennt*
2009-05-12-12:58 *17 unterschiedliche messwerte durch tab getrennt*
2009-05-12-12:59 *17 unterschiedliche messwerte durch tab getrennt*
Im obigen Beispiel fehlt 12:06 -> insgesamt nur 59 Zeilen
Nach erfolgreicher Bearbeitung solls so aussehen:
2009-05-12-12:00 *17 unterschiedliche messwerte durch tab getrennt*
2009-05-12-12:01 *17 unterschiedliche messwerte durch tab getrennt*
2009-05-12-12:02 *17 unterschiedliche messwerte durch tab getrennt*
2009-05-12-12:03 *17 unterschiedliche messwerte durch tab getrennt*
2009-05-12-12:04 *17 unterschiedliche messwerte durch tab getrennt*
2009-05-12-12:05 *17 unterschiedliche messwerte durch tab getrennt*
2009-05-12-12:06 *17 mal -1*
2009-05-12-12:07 *17 unterschiedliche messwerte durch tab getrennt*
2009-05-12-12:08 *17 unterschiedliche messwerte durch tab getrennt*
.
.
.
2009-05-12-12:56 *17 unterschiedliche messwerte durch tab getrennt*
2009-05-12-12:57 *17 unterschiedliche messwerte durch tab getrennt*
2009-05-12-12:58 *17 unterschiedliche messwerte durch tab getrennt*
2009-05-12-12:59 *17 unterschiedliche messwerte durch tab getrennt*
Jetzt 60 Zeilen und fehlender Zeitstempel eingefügt und mit -1 aufgefüllt!!
Ich bekomm es nicht hin - bin fast schon am verzweifeln

- bin für jede Hilfe dankbar!!!
Anbei noch zwei Text-Files mit fehlenden Werten...
Danke schön!!
PVW_2009_05_12_10_UTC.txt (Größe: 14,1 KB / Downloads: 334)
PVW_2009_05_12_12_UTC.txt (Größe: 14,35 KB / Downloads: 315)