|
11.04.2006, 16:48
Beitrag #1
|
|
|
|
|
|
11.04.2006, 19:10
Beitrag #2
|
Dennis.Moser
Administrator
Beiträge: 3.045
Registriert seit: Aug 2004
5.1 : 7.1 : 8.x : 20xx
1997
DE_EN
57589
Deutschland
|
LV und Profibus ansteuern?
hallo franz,
nur kurzer link http://www.comsoft.de/html/icpd/profibus/i...es/dfprofi2.htm
kann ich dir wärmstens empfehlen
arbeiten mit der DF profi 1 und 2 schon seit 6 Jahren ohne probleme...
Wissen ist das einzige Gut das sich vermehrt, wenn man es teilt!
!! BITTE !! stellt mir keine Fragen über PM, dafür ist das Forum da - andere haben vielleicht auch Interesse an der Antwort !!
BC: 14vqy6mgfswpX6z7HLVxk1h3sHAvzE4aZG
|
|
|
|
|
12.04.2006, 14:03
Beitrag #3
|
|
|
|
|
|
18.01.2007, 13:23
Beitrag #4
|
ssx
LVF-Grünschnabel

Beiträge: 10
Registriert seit: Dec 2006
8.2
2006
kA
76706
Deutschland
|
LV und Profibus ansteuern?
' schrieb:Servus Dennis,
vielen Dank für die schnelle Hilfe.
Der Link wird evtl. weiterhelfen.
Schade nur, das ich nicht über USB auf Profibus komme.
Mein Einsatz müßte eine mobile Lösung mit Notebook sein.
Aber trotzdem mal vielen Dank, es ist ja ein Treiber für LV angeboten.
Grüße, Franz
Servus,
ist vielleicht ein bissl spät, aber unter http://www.bihl-wiedemann.de/deutsch/index.html findest du einen Profibusmastersimulator der nummer BW1257,
den kannst du über einen USB aus RS232 adapter an deinen Laptop anschließen und in LabVIEW relativ einfach einbinden.
Gruß Seb
|
|
|
|
|
18.01.2007, 13:34
Beitrag #5
|
|
|
|
|
|
18.01.2007, 13:49
Beitrag #6
|
Y-P
☻ᴥᴥᴥ☻ᴥᴥᴥ☻
Beiträge: 12.612
Registriert seit: Feb 2006
Developer Suite Core -> LabVIEW 2015 Prof.
2006
EN
71083
Deutschland
|
LV und Profibus ansteuern?
Wird da die SPS über den Profibus auch mit VI-Server (OPC) angesteuert, oder geht das auch über VISA?
Gruß Markus
--------------------------------------------------------------------------
Bitte stellt mir keine Fragen über PM, dafür ist das Forum da - andere haben vielleicht auch Interesse an der Antwort !!
--------------------------------------------------------------------------
|
|
|
|
|
18.01.2007, 14:02
Beitrag #7
|
Achim
*****
    
Beiträge: 4.226
Registriert seit: Nov 2005
20xx
2000
EN
978xx
Deutschland
|
LV und Profibus ansteuern?
Hi,
mit der Hilscher-Karte geht das über ne DLL die mitgeliefert wird inkl. Beispiel:
Bei der Siemens ist das glaub ich ähnlich, weiß es aber nicht mehr so genau...
Man kann beide auch über DataSocket/OPC ansteuern, aber dazu braucht man nen separaten OPC-Server (meist nicht kostenlos erhältlich), und außerdem ist das VIEL langsamer...hatten wir auch mal, aber irgendwann ist das rausgeflogen...
Gruss
Achim
"Is there some mightier sage, of whom we have yet to learn?"
"Opportunity is missed by most people because it is dressed in overalls and looks like work." (Thomas Edison)
|
|
|
|
|
18.01.2007, 14:15
Beitrag #8
|
Y-P
☻ᴥᴥᴥ☻ᴥᴥᴥ☻
Beiträge: 12.612
Registriert seit: Feb 2006
Developer Suite Core -> LabVIEW 2015 Prof.
2006
EN
71083
Deutschland
|
LV und Profibus ansteuern?
Gibt's die DLL schon komplett verschaltet (inkl. allen Controls, Indicators) wie in Deinem VI und sind die Einstellungen der Funktionen, Parameter,... schon richtig voreingestellt?
Wo schreibt man dann z.B. den Befehl rein, um einen Merker, Eingang, Ausgang,.... abzufragen / zu setzen, bzw. wie sieht der Befehle dann beispielsweise aus?
Gruß Markus
--------------------------------------------------------------------------
Bitte stellt mir keine Fragen über PM, dafür ist das Forum da - andere haben vielleicht auch Interesse an der Antwort !!
--------------------------------------------------------------------------
|
|
|
|
18.01.2007, 14:38
(Dieser Beitrag wurde zuletzt bearbeitet: 18.01.2007 14:41 von Achim.)
Beitrag #9
|
|
|
|
|
|
18.01.2007, 15:13
|
Y-P
☻ᴥᴥᴥ☻ᴥᴥᴥ☻
Beiträge: 12.612
Registriert seit: Feb 2006
Developer Suite Core -> LabVIEW 2015 Prof.
2006
EN
71083
Deutschland
|
LV und Profibus ansteuern?
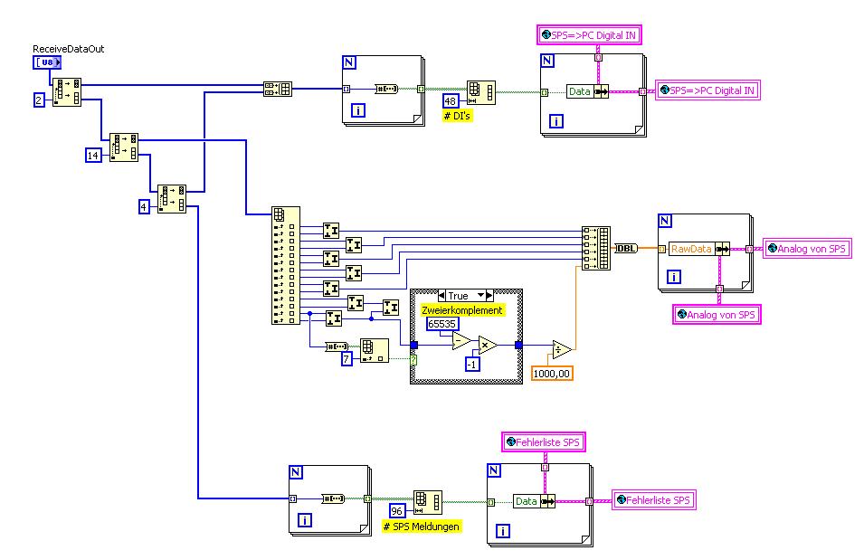
Gibt es diese VIs inkl. globaler Variablen, SubVIs... dann schon und wie sieht so ein Befehl dann aus, den ich über das Cluster reinschicken muss, bzw. was erhalte ich da für Werte zurück? Im Prinzip will ich ja z.B. wissen, ob Merker xy = 0 ist. Wie macht man so was? Ich muss doch genau diesen Merker dann finden.
Was sind das für "Parameters" und wie funktioniert der "Analog"-Teil. Gibt es das alles schon vorgefertigt?
Das sieht nämlich ziemlich kompliziert aus. 
Was sind denn das eigentlich für Array-Funktionen bei #DIs (48) und # SPS-Meldungen (96)
Gruß Markus
( SPS-Ansteuerung )
--------------------------------------------------------------------------
Bitte stellt mir keine Fragen über PM, dafür ist das Forum da - andere haben vielleicht auch Interesse an der Antwort !!
--------------------------------------------------------------------------
|
|
|
|
| |