INFO: Dieses Forum nutzt Cookies...
Cookies sind für den Betrieb des Forums unverzichtbar. Mit der Nutzung des Forums erklärst Du dich damit einverstanden, dass wir Cookies verwenden.

Es wird in jedem Fall ein Cookie gesetzt um diesen Hinweis nicht mehr zu erhalten. Desweiteren setzen wir Google Adsense und Google Analytics ein.


Antwort schreiben 

Dieses Thema hat akzeptierte Lösungen:

Letzte Ergebnisse anzeigen (Highscore)



Wenn dein Problem oder deine Frage geklärt worden ist, markiere den Beitrag als "Lösung",
indem du auf den "Lösung" Button rechts unter dem entsprechenden Beitrag klickst. Vielen Dank!

17.12.2014, 16:20
Beitrag #31

GerdW Offline
______________
LVF-Team

Beiträge: 17.534
Registriert seit: May 2009

LV2019 (LV2021)
1995
DE_EN

10×××
Deutschland
RE: Letzte Ergebnisse anzeigen (Highscore)
Hallo bolze,

Zitat:Setze doch deine Reset-Bedingung in der Schleife…
Ich stehe gerade voll auf dem "Schlauch" und komme nicht drauf.
Du schreibst einen Wert in eine lokale Variable von "Reset"…

Zitat:Habe ich eingefügt. Ist es besser wenn die Wartezeit länger ist oder gibt es da einen Richtwert?
Wenn die Schleife nur Userinput verarbeiten soll, reicht üblicherweise eine Wartezeit von 100ms. Wobei dann immer zu überlegen ist, ob man Userinput nicht doch gleich mit einer Eventstruktur verarbeitet. Hoppla: warum erfolgt der Aufruf deiner Tastatur eigentlich nicht über eine Eventstruktur?

Wenn in der Schleife auch noch DAQ etc. verarbeitet wird, hängt die Wartezeit von dem DAQ-Aufruf ab. Entweder (wie bei dir) gibt man über die Wartezeit die Samplerate vor - oder man erledigt dies durch eine entsprechende Konfiguration des DAQmx-Tasks. Dann benötigt man aber auch keine extra Wartezeit mehr…

Alle Beiträge dieses Benutzers finden
Diese Nachricht in einer Antwort zitieren to top
Anzeige
17.12.2014, 20:04
Beitrag #32

bolze Offline
LVF-Grünschnabel
*


Beiträge: 21
Registriert seit: Feb 2012

2013
2012
DE


Deutschland
RE: Letzte Ergebnisse anzeigen (Highscore)
(17.12.2014 16:20 )GerdW schrieb:  Hallo bolze,

Zitat:Setze doch deine Reset-Bedingung in der Schleife…
Ich stehe gerade voll auf dem "Schlauch" und komme nicht drauf.
Du schreibst einen Wert in eine lokale Variable von "Reset"…

Könntest du ein Bild schicken wie ich das einbauen soll ? So wie ich es mache funktioniert es nicht.
Alle Beiträge dieses Benutzers finden
Diese Nachricht in einer Antwort zitieren to top
18.12.2014, 07:46
Beitrag #33

GerdW Offline
______________
LVF-Team

Beiträge: 17.534
Registriert seit: May 2009

LV2019 (LV2021)
1995
DE_EN

10×××
Deutschland
RE: Letzte Ergebnisse anzeigen (Highscore)
Hallo bolze,

wie machst du es denn?
Einfach immer die aktuelle Version deines VIs anhängen und eine qualifizierte Fehlermeldung/-beschreibung befügen…

Alle Beiträge dieses Benutzers finden
Diese Nachricht in einer Antwort zitieren to top
18.12.2014, 10:32
Beitrag #34

bolze Offline
LVF-Grünschnabel
*


Beiträge: 21
Registriert seit: Feb 2012

2013
2012
DE


Deutschland
RE: Letzte Ergebnisse anzeigen (Highscore)
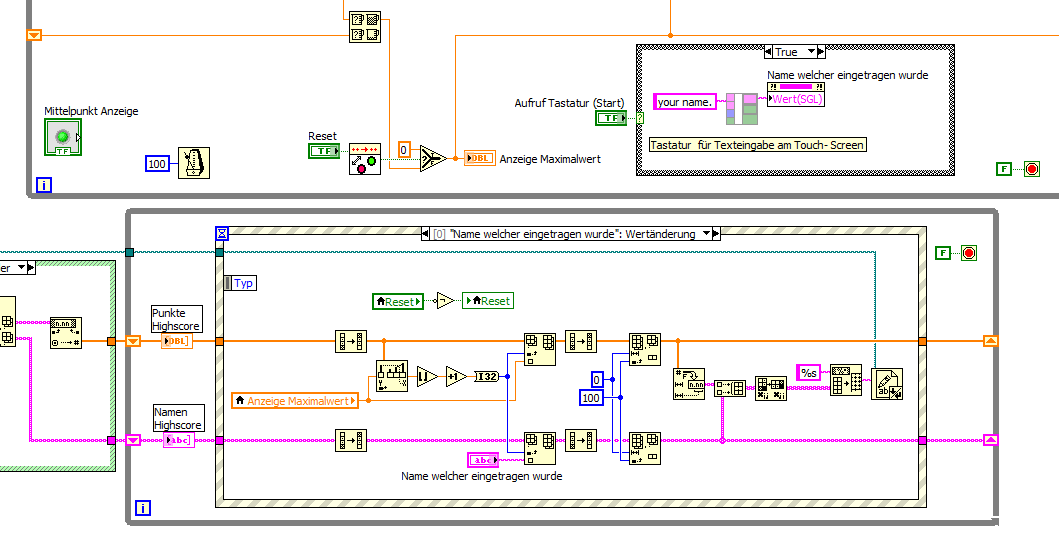
Hier ist das aktuelle VI. Es funktioniert alles bis auf das Rücksetzten des Schleppzeigers und des Maximalwertes.
Danke schon mal im vorraus :-)


Angehängte Datei(en)
8.5 .vi  Starker Daumen_deutsch.vi (Größe: 172,43 KB / Downloads: 211)
Alle Beiträge dieses Benutzers finden
Diese Nachricht in einer Antwort zitieren to top
18.12.2014, 10:48 (Dieser Beitrag wurde zuletzt bearbeitet: 18.12.2014 10:53 von GerdW.)
Beitrag #35

GerdW Offline
______________
LVF-Team

Beiträge: 17.534
Registriert seit: May 2009

LV2019 (LV2021)
1995
DE_EN

10×××
Deutschland
RE: Letzte Ergebnisse anzeigen (Highscore)
Hallo bolze,

gibt es einen Grund, warum du über eine Propertynode abfragst, ob die Datasocket-Verbindung des Controls "Name…" aktiviert wurde?

Vorschlag:
   
Die Funktion nach dem Reset-Terminal ist "Boolean Crossing"…

Alle Beiträge dieses Benutzers finden
Diese Nachricht in einer Antwort zitieren to top
Antwort schreiben 


Möglicherweise verwandte Themen...
Themen Verfasser Antworten Views Letzter Beitrag
  Eingabeaufforderung behält letzte Werte Nick Name 4 5.603 22.07.2014 14:56
Letzter Beitrag: Nick Name
  Highscore speichern kb3 4 6.107 10.02.2014 22:04
Letzter Beitrag: kb3
  Über letzte Array Werte mitteln dbuckl 3 5.504 03.12.2013 13:06
Letzter Beitrag: GerdW
  Wie auf Ergebnisse aus reentranten VIs warten? toaran_ 3 4.390 24.01.2013 19:04
Letzter Beitrag: jg
  letzte Zeile eines Strings anzeigen greglemond 20 19.644 01.08.2012 14:35
Letzter Beitrag: fabqu
  Letzte x Elemente aus einem Array auslesen sanjo 5 8.407 06.07.2012 14:56
Letzter Beitrag: sanjo

Gehe zu: