INFO: Dieses Forum nutzt Cookies...
Cookies sind für den Betrieb des Forums unverzichtbar. Mit der Nutzung des Forums erklärst Du dich damit einverstanden, dass wir Cookies verwenden.

Es wird in jedem Fall ein Cookie gesetzt um diesen Hinweis nicht mehr zu erhalten. Desweiteren setzen wir Google Adsense und Google Analytics ein.


Antwort schreiben 

Mehrere physikalische Kanäle erfassen



Wenn dein Problem oder deine Frage geklärt worden ist, markiere den Beitrag als "Lösung",
indem du auf den "Lösung" Button rechts unter dem entsprechenden Beitrag klickst. Vielen Dank!

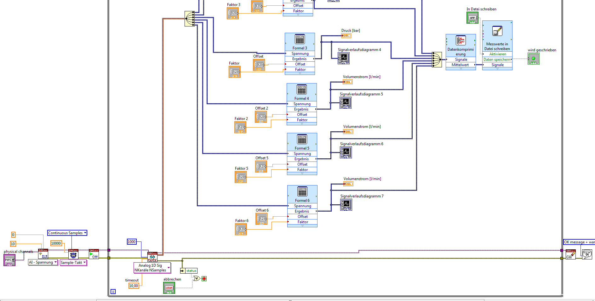
28.08.2011, 16:47 (Dieser Beitrag wurde zuletzt bearbeitet: 28.08.2011 16:52 von dejay.)
Beitrag #1

dejay Offline
LVF-Grünschnabel
*


Beiträge: 23
Registriert seit: May 2011

2010
-
DE



Mehrere physikalische Kanäle erfassen
Hallo zusammen,

Folgendes Problem:
ich habe anhand des Beispiels von Labview ein Programm erstellt, mit welchem ich ein "physical channel" auswählen kann, der dann in einem Signalverlaufsdiagramm angezeigt wird.
jetzt möchte ich aber mehrere Kanäle darstellen. über den jeweiligen diagrammen möchte ich den dazugehörigen "physical channel" auswählen können. Wie mache ich sowas?
Dazu kommt noch, dass die Werte in einer Datei gespeichert werden sollen.

Bis jetzt sieht das Programm wie folgt aus:
(siehe Bild)


PS:

ein weiteres Problem ist, dass ich die Daten so wie es jetzt ist, nicht speicher kann. es kommt immer
"Fehler -200279 - Es wurde versucht Abtastwerte zu lesen, die nicht mehr zur Verfügung stehen. Der angeforderte Abtastwert war zuvor verfügbar, wurde jedoch überschrieben."

Woran liegt das?

Vielen Dank schon mal!!
viele Grüße
David


Angehängte Datei(en) Thumbnail(s)
   
Alle Beiträge dieses Benutzers finden
Diese Nachricht in einer Antwort zitieren to top
Anzeige
28.08.2011, 18:11
Beitrag #2

johannes_r Offline
LVF-Gelegenheitsschreiber
**


Beiträge: 67
Registriert seit: Apr 2009

LV2010/2009/8.6.1...
2010
EN

97450
Deutschland
RE: Mehrere physikalische Kanäle erfassen
Die Syntax zur Angabe eines Bereichs von zu erfassenden Kanälen kann man bei NI nachlesen (siehe Link).

http://digital.ni.com/public.nsf/allkb/9...E8006807DF

Gruß
Alle Beiträge dieses Benutzers finden
Diese Nachricht in einer Antwort zitieren to top
28.08.2011, 19:58
Beitrag #3

dejay Offline
LVF-Grünschnabel
*


Beiträge: 23
Registriert seit: May 2011

2010
-
DE



RE: Mehrere physikalische Kanäle erfassen
hallo.

danke für den Tip, aber kann ich so nicht einen Bereich angeben, der ausgelsen wird?
ich möchte aber für jedes Diagramm einzelt angeben, welchen channel es darstellen soll (physical channel Auswahl über jedem Diagramm!)
Alle Beiträge dieses Benutzers finden
Diese Nachricht in einer Antwort zitieren to top
28.08.2011, 20:51
Beitrag #4

GerdW Offline
______________
LVF-Team

Beiträge: 17.538
Registriert seit: May 2009

LV2019 (LV2021)
1995
DE_EN

10×××
Deutschland
RE: Mehrere physikalische Kanäle erfassen
Hallo Dejay,

Zitat:ich möchte aber für jedes Diagramm einzelt angeben, welchen channel es darstellen soll (physical channel Auswahl über jedem Diagramm!)
Schön, das du das willst! Dann programmier es doch auch...

Übrigens:
Eine einfache Offset/Gain-Korrektur lässt sich direkt im DAQmx-Treiber per "Skalierung" erledigen. Sowas kann dann für sehr übersichtliche Programme sorgen!

Alle Beiträge dieses Benutzers finden
Diese Nachricht in einer Antwort zitieren to top
29.08.2011, 16:02
Beitrag #5

dejay Offline
LVF-Grünschnabel
*


Beiträge: 23
Registriert seit: May 2011

2010
-
DE



RE: Mehrere physikalische Kanäle erfassen
(28.08.2011 20:51 )GerdW schrieb:  Schön, das du das willst! Dann programmier es doch auch...

Wenn ich das gekönnte, würde ich nicht fragen, wie es geht!

Danke für den Tipp mit der skalierung! habe es so gelöst, damit ich die Werte auf der oberfläche ändern kann!
Alle Beiträge dieses Benutzers finden
Diese Nachricht in einer Antwort zitieren to top
29.08.2011, 16:19 (Dieser Beitrag wurde zuletzt bearbeitet: 29.08.2011 16:20 von GerdW.)
Beitrag #6

GerdW Offline
______________
LVF-Team

Beiträge: 17.538
Registriert seit: May 2009

LV2019 (LV2021)
1995
DE_EN

10×××
Deutschland
RE: Mehrere physikalische Kanäle erfassen
Hallo dj,

Zitat:Wenn ich das gekönnte, würde ich nicht fragen, wie es geht!
Du hast bisher eine feste Zuordnung deiner Waveforms zu den Graphen. Wenn du das variabel haben willst, musst du auf "Signal aufsplitten" verzichten und stattdessen vor jedem Graph mit IndexArray die gewünschte Waveform aus den Array indizieren. Sollte nicht allzu schwierig sein...

Alle Beiträge dieses Benutzers finden
Diese Nachricht in einer Antwort zitieren to top
Anzeige
29.08.2011, 17:05 (Dieser Beitrag wurde zuletzt bearbeitet: 29.08.2011 17:07 von dejay.)
Beitrag #7

dejay Offline
LVF-Grünschnabel
*


Beiträge: 23
Registriert seit: May 2011

2010
-
DE



RE: Mehrere physikalische Kanäle erfassen
mh, ok! Bin totaler LV neuling und versteh noch nicht so viel!

hab das mit den einzelnen physical channels aufgegeben! Würde das jetzt gerne so lassen, wie is ist (siehe Bild oben)!
Das Prblem ist aber leider immer noch der Fehler

"Fehler -200279

Mögliche Ursachen:

Es wurde versucht Abtastwerte zu lesen, die nicht mehr zur Verfügung stehen. Der angeforderte Abtastwert war zuvor verfügbar, wurde jedoch überschrieben.

Vergrößern des Puffers, häufigeres Lesen der Daten oder Angabe einer festen Anzahl zu lesender Abtastwerte anstatt alle verfügbaren Abtastwerte zu lesen, könnte das Problem eventuell beheben.

Eigenschaft: RelativZu
Zugehöriger Wert: Aktuelle Leseposition
Eigenschaft: Offset
Zugehöriger Wert: 0

Task-Name: _unnamedTask<12>"

Was mache ich falsch? Wie kann ich den Fehler beheben?

Vielen Dank für die Hilfe im Voraus!!
PS:

der Fehler tritt auf, wenn ich die Signale in eine Datei schreiben!
Alle Beiträge dieses Benutzers finden
Diese Nachricht in einer Antwort zitieren to top
29.08.2011, 17:17 (Dieser Beitrag wurde zuletzt bearbeitet: 29.08.2011 20:55 von dimitri84.)
Beitrag #8

dimitri84 Offline
Astronaut
*****


Beiträge: 1.496
Registriert seit: Aug 2009

2020 Developer Suite
2009
DE_EN

53562
Deutschland
RE: Mehrere physikalische Kanäle erfassen
Du liest deine Daten zu langsam. Normalerweise ist eine Schleifenzeit von 100 ms kein Problem - du hast sogar (wissentlich oder nicht) die von NI empfohlene 10 zu 1 Regel befolgt: bei 10k Samplingrate liest du 1k Daten pro Lesevorgang. Anscheinend dauert aber der Code in der Schleife länger als 100 ms, deswegen sammeln sich Daten in dem Eingangspuffer.

Einfache Lösung: Du kannst mehr Samples auf einmal lesen. Somit hat dein Code mehr Zeit.
Bessere Lösung: Du musst deinen Code optimieren, also z.B. auf alle Express VIs verzichten. Alles was du dort machst lässt sich wunderbar selbst programmieren und nebenbei lernst du sogar noch was. Und überlege dir, ob es wirklich sein muss, dass du erst mit 10 kHz abtastest nur um anschließend wieder 'ne Mittelwertbildung zu machen ...


Gruß dimitri

„Sag nicht alles, was du weißt, aber wisse immer, was du sagst.“ (Matthias Claudius)
Webseite des Benutzers besuchen Alle Beiträge dieses Benutzers finden
Diese Nachricht in einer Antwort zitieren to top
30.08.2011, 20:55 (Dieser Beitrag wurde zuletzt bearbeitet: 30.08.2011 21:14 von dejay.)
Beitrag #9

dejay Offline
LVF-Grünschnabel
*


Beiträge: 23
Registriert seit: May 2011

2010
-
DE



RE: Mehrere physikalische Kanäle erfassen
Vielen vielen Dank dimitri84 für die ausführliche, anfängertaugliche und hilfreiche Antwort! Ich werde deine Tips mal testen!!

ich musste deine Tipps direkte mal testen.
Resultat:
- da ich keine so hohe Abtastrate brauche, habe ich dieser erst mal runter gesetzt. und mit Befolgen der 10:1 Regel (die mir natürlich nicht bekannt war :-)) klappts so schon super! Ich werde jetzt noch die ExpressVIs ersetzten. ist echt ne gute Übung. War mir auch nicht ganz klar, dass die ExpressVIs nicht so optimal sind!

Also Danke nochmal! Sehr hilf- und lehrreich deine Antwort! So wünsche ich mir das von so einem Forum!
Alle Beiträge dieses Benutzers finden
Diese Nachricht in einer Antwort zitieren to top
Antwort schreiben 


Möglicherweise verwandte Themen...
Themen Verfasser Antworten Views Letzter Beitrag
  Mehrere Signale von NI-6009 erfassen braendy 12 12.094 10.01.2022 22:28
Letzter Beitrag: Kiesch
  DAQ mehrere Signaltypen parallel erfassen serge_franke 1 4.816 22.01.2018 14:06
Letzter Beitrag: GerdW
  Task, Kanal und Physikalische Namen Nordvestlys 1 7.238 11.02.2015 15:50
Letzter Beitrag: Nordvestlys
  Mehrere Queues für mehrere Tasks Gerald85 4 9.322 21.08.2013 13:18
Letzter Beitrag: Gerald85
  Mehrere physikalische Kanäle - für jeden Kanal ein Graph dejay 6 11.353 01.02.2013 14:17
Letzter Beitrag: jg
  mehrere physikalische Kanäle in einen Task Selectah83 6 11.937 05.01.2013 14:46
Letzter Beitrag: Selectah83

Gehe zu: