INFO: Dieses Forum nutzt Cookies...
Cookies sind für den Betrieb des Forums unverzichtbar. Mit der Nutzung des Forums erklärst Du dich damit einverstanden, dass wir Cookies verwenden.

Es wird in jedem Fall ein Cookie gesetzt um diesen Hinweis nicht mehr zu erhalten. Desweiteren setzen wir Google Adsense und Google Analytics ein.


Antwort schreiben 

Messwerte (4x String) in 2 xy-Plots darstellen



Wenn dein Problem oder deine Frage geklärt worden ist, markiere den Beitrag als "Lösung",
indem du auf den "Lösung" Button rechts unter dem entsprechenden Beitrag klickst. Vielen Dank!

29.12.2012, 19:38
Beitrag #1

LVNeuling Offline
LVF-Grünschnabel
*


Beiträge: 21
Registriert seit: Dec 2012

2012
2012
EN

3xxxx
Deutschland
Messwerte (4x String) in 2 xy-Plots darstellen
Hallo,
ich hoffe ich begehe keinen groben Fehler, aber ich erstelle mal ein neues Thema, da das Programm inzwischen weit fortgeschritten ist.
Der andere Thread lautet HAMEG 8112-3S und LabView.

Mein Programm ist soweit fertig und weist auch keine Fehler mehr auf!
Nochmals vielen Dank an alle, die mir dabei sehr hilfreich waren!
Sicherlich könnte in der VI noch einiges schöner und vielleicht auch besser sein, aber ich bin schon ziemlich stolz drauf, dass es überhaupt funktioniert... :-)

Soweit zum Vorgeplänkel, jetzt zum Problem:

Ich Messe mit dem durch die VI angesteuerten Messgerät nacheinander einen Widerstand (R1), eine Temperatur (T1), eine weitere Temperatur (T2) und einen weiteren Widerstand (R2). Anschließend wieder von vorne. In dieser Reihenfolge, so lange, bis es dem User reicht und er abbricht.

Ausgegeben werden mir bisher nur nacheinander die String-Werte.
Diese möchte ich jetzt am besten in eine Excel Tabelle oder ein Array schreiben und dann "live" in Labview 2 xy-Graphen erstellen, jeweils Widerstand (Y-Achse) über Temperatur (X-Achse).

Leider weiss ich noch so rein gar nicht wo ich anfangen soll, obwohl ich schon die Hilfe aufgesucht habe und auch viel im Forum gesucht habe.

Könnte mir freundlicherweise irgendwer auf die Sprünge helfen?
Es hapert halt dran, ein Array von 4 Spalten mit den Messwerten zufüllen (1. Zeile die ersten 4 Messwerte, 2. Zeile die nächsten 4 usw.) und daraus dann einen Graphen zu erstellen.

Im Anhang nochmal meine VI!

Vielen Dank bereits jetzt!


Angehängte Datei(en) Thumbnail(s)
   

12.0 .vi  Basic Serial Write and Read_Ohne delay before read.vi (Größe: 24,15 KB / Downloads: 201)
Alle Beiträge dieses Benutzers finden
Diese Nachricht in einer Antwort zitieren to top
Anzeige
29.12.2012, 20:21
Beitrag #2

GerdW Offline
______________
LVF-Team

Beiträge: 17.528
Registriert seit: May 2009

LV2019 (LV2021)
1995
DE_EN

10×××
Deutschland
RE: Messwerte (4x String) in 2 xy-Plots darstellen
Hallo Neuling,

- häng doch dein VI mal in einer älteren LV-Version an (wie schon mehrfach gewünscht!)
- wie sieht der empfangene String aus? Möglicherweise kannst du den recht einfach mittels SpreadsheetStringToArray umwandeln!
- wenn du dein 1D-Array mit den Messwerte eines "Sampleschritts" gelesen hast, kannst du mittels BuildArray und einem Schieberegister sehr einfach ein 2D-Array erzeugen!
- dieses 2D-Array dann auf einem Graphen anzeigen...

Alle Beiträge dieses Benutzers finden
Diese Nachricht in einer Antwort zitieren to top
30.12.2012, 00:10
Beitrag #3

LVNeuling Offline
LVF-Grünschnabel
*


Beiträge: 21
Registriert seit: Dec 2012

2012
2012
EN

3xxxx
Deutschland
RE: Messwerte (4x String) in 2 xy-Plots darstellen
OK, hier einmal meine VI als LV 8.6 Version.

Der ausgegebene String hat immer nur Zahlenwerte nach dem Muster +/-0.000000.


Angehängte Datei(en)
8.6 .vi  Basic Serial Write and Read_Ohne delay before read.vi (Größe: 24,65 KB / Downloads: 201)
Alle Beiträge dieses Benutzers finden
Diese Nachricht in einer Antwort zitieren to top
30.12.2012, 00:45
Beitrag #4

LVNeuling Offline
LVF-Grünschnabel
*


Beiträge: 21
Registriert seit: Dec 2012

2012
2012
EN

3xxxx
Deutschland
RE: Messwerte (4x String) in 2 xy-Plots darstellen
OK, das mit dem Built Array hat schon mal funktioniert! s.Anhang

Jedoch bekomm ich das mit dem Schieberegister nicht hin, weiss jemand, wie die Funktion im enlisch LV heisst? Durch simple Übersetzung bin ich nicht drauf gekommen.


Angehängte Datei(en)
8.6 .vi  Basic Serial Write and Read_Ohne delay before read.vi (Größe: 25,56 KB / Downloads: 226)
Alle Beiträge dieses Benutzers finden
Diese Nachricht in einer Antwort zitieren to top
30.12.2012, 05:51
Beitrag #5

LVNeuling Offline
LVF-Grünschnabel
*


Beiträge: 21
Registriert seit: Dec 2012

2012
2012
EN

3xxxx
Deutschland
RE: Messwerte (4x String) in 2 xy-Plots darstellen
Vielen Dank gilt mal wieder GerdW für seine Hilfe!
Eine Nacht Arbeit und es läuft!

Jetzt hab ich einen Array mit all meinen Messwerten!

Kommen wir zum nächsten Problem:

Das Auswählen der Daten für den Graphen...
Ich benötige ja Wert 1, 5, 9, .... für meine X- Achse und Wert 2, 6, 10... für die Y-Achse... Und genauso der andere Graph...
Wie kann man sowas lösen?
Im Anhang das soweit funktionierende Programm.


Angehängte Datei(en)
8.6 .vi  Serial Write and Read.vi (Größe: 29,7 KB / Downloads: 210)
Alle Beiträge dieses Benutzers finden
Diese Nachricht in einer Antwort zitieren to top
30.12.2012, 10:30
Beitrag #6

panduci Offline
LVF-Gelegenheitsschreiber
**


Beiträge: 86
Registriert seit: Jun 2011

8.5, 2012 ,2013, 2014, 2015
2006
DE


Oesterreich
RE: Messwerte (4x String) in 2 xy-Plots darstellen
Hallo,

würde das mit der Messwerterfassung so machen wie im es im Anhang ersichtlich ist. Die Zufallszahlen spielen deine Messwerte wieder welche du halt als String vorliegen hast. Es wird also ein 1. Dimensionales Array bei jedem Schleifendurchlauf erstellt. Durch die Schieberegister und Build Array wird ein 2.Dimensionales Array mit 4.Spalten erstellt. Durch Anschließendes transponieren und Indizieren des Arrays kannst du die gewünschten Spalten in einem XY Graph darstellen.

Hoffe das kleine Bild kann dir helfen2hands.


Angehängte Datei(en) Thumbnail(s)
   
Alle Beiträge dieses Benutzers finden
Diese Nachricht in einer Antwort zitieren to top
Anzeige
30.12.2012, 11:49 (Dieser Beitrag wurde zuletzt bearbeitet: 30.12.2012 11:51 von LVNeuling.)
Beitrag #7

LVNeuling Offline
LVF-Grünschnabel
*


Beiträge: 21
Registriert seit: Dec 2012

2012
2012
EN

3xxxx
Deutschland
RE: Messwerte (4x String) in 2 xy-Plots darstellen
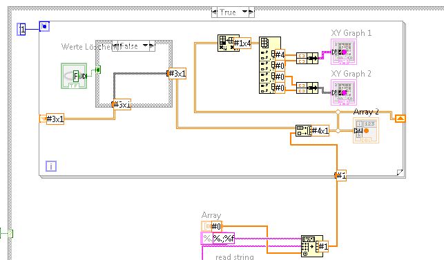
Vielen Dank, leider klappt es irgendwie nicht so...
Oder muss ich noch was einstellen an den Bausteinen?
Ich füge mal ein Live Bild mit an, dann sieht man ja schon woran es hapert.

edit: Bin jetzt leider raus und erst am Dienstag Abend wieder hier!
Allen einen guten Rutsch und wir sehen/schreiben uns nächstes Jahr! :-)


Angehängte Datei(en) Thumbnail(s)
   
Alle Beiträge dieses Benutzers finden
Diese Nachricht in einer Antwort zitieren to top
30.12.2012, 13:16
Beitrag #8

Trinitatis Offline
LVF-Guru
*****


Beiträge: 1.694
Registriert seit: May 2008

7.1 / 8.0 /2014-1, 18
2002
DE

18055
Deutschland
RE: Messwerte (4x String) in 2 xy-Plots darstellen
Hallo LVNeuling,

es ist doch manchmal schwer zu verstehen, warum hier im Forum Probleme ausgebreitet werden, dann aber die Hilfestellung, die von anderen Forumsmitgliedern kommt, nicht oder nur unzureichend beherzigt wird.

Warum baust du das Beispiel von panduci nicht einfach nach?!
Du scheinst ja doch recht arg begrenzte Ahnung von LabView zu haben, dann würde es dir doch helfen, dieses Beispiel nachzubauen, herauszufinden wie - und für dich besonders wichtig - warum es funktioniert.

Dann hast du zudem schonmal ein Erfolgserlebnis und kannst dieses Beispiel sehr einfach umbauen, um deine Wünsche zu realisieren.
Alle Beiträge dieses Benutzers finden
Diese Nachricht in einer Antwort zitieren to top
05.01.2013, 20:29
Beitrag #9

LVNeuling Offline
LVF-Grünschnabel
*


Beiträge: 21
Registriert seit: Dec 2012

2012
2012
EN

3xxxx
Deutschland
RE: Messwerte (4x String) in 2 xy-Plots darstellen
@ Trinitatis: Ich habe einzelne Funktionen nicht gefunden und konnte es deswegen nicht genauso nachbauen, wie von panduci erklärt. Inzwischen habe ich es aber hinbekommen und:

Es läuft!
Vielen Dank nochmal für eure Hilfe!

Aber jetzt kommen wir auch schon zum nächsten Problem:
Per "Write To Spreadsheet File VI" gebe ich die Daten zusätzlich noch in ein .csv Dokument aus (nur so als Backup).

Allerdings schreibt er mir meine 4 Messwerte, die ich auch in mein Array schreibe in eine Zeile und ich bekomme sie nicht getrennt...
Sprich im .csv Dok habe ich in einer Zelle alle 4 Messwerte. Die nächsten 4 Messwerte schreibt er in die nächste Zeile, was so ja korrekt ist.
Ich bekomme es aber nicht hin, dass er mir die 4 Messwerte in verschiedene Spalten schreibt...
Da gibt es doch sicherlich auch einen ganz simplen Trick oder?
Für mich wirkt es so, als seien zwischen den Werten kein Trennzeichen, denn egal was ich probiert habe, es bewirkt nichts.


Angehängte Datei(en) Thumbnail(s)
   

8.6 .vi  Serial Write and Read_neu2.vi (Größe: 30,97 KB / Downloads: 223)
Alle Beiträge dieses Benutzers finden
Diese Nachricht in einer Antwort zitieren to top
05.01.2013, 21:08
Beitrag #10

Trinitatis Offline
LVF-Guru
*****


Beiträge: 1.694
Registriert seit: May 2008

7.1 / 8.0 /2014-1, 18
2002
DE

18055
Deutschland
RE: Messwerte (4x String) in 2 xy-Plots darstellen
Hallo LVNeuling,

das Problem scheint bei dir das Dezimaltrennzeichen zu sein, dass du explizit auf "Punkt" gesetzt hast.
Wenn du das mal auf "Komma" setzt, dann klappt das prinzipiell mit der Spaltentrennung. Allerdings sehen die Daten nach Start von Excel auch recht bedenklich aus.
Im Editor bzw. TC-Lister betrachtet sind es aber durch TAB getrennte Kommazahlen - scheint also irgendwie ein Excel-Problem zu sein, sollte aber als Bacup alle Mal ausreichen. Zur Not musst du es in LV einlesenSmile

Gruß, Marko
Alle Beiträge dieses Benutzers finden
Diese Nachricht in einer Antwort zitieren to top
Antwort schreiben 


Möglicherweise verwandte Themen...
Themen Verfasser Antworten Views Letzter Beitrag
  3D-Messwerte darstellen Luki97 6 6.837 09.08.2022 09:53
Letzter Beitrag: Luki97
  Messwerte als Tabelle und grafisch darstellen Manfred 20 27.836 11.01.2021 17:18
Letzter Beitrag: Manfred
  mehrere Plots in einem XY Graph darstellen tom181 14 30.150 29.08.2015 08:06
Letzter Beitrag: Lucki
  Messwerte flott in einen Graphen darstellen Hasenfuss 15 13.960 01.07.2015 16:41
Letzter Beitrag: Hasenfuss
  mehrere Plots nacheinander darstellen Erik89 5 7.556 01.05.2015 10:40
Letzter Beitrag: Lucki
  Messwerte mit Datum in XY Graph darstellen PeterF 5 7.163 28.04.2015 06:51
Letzter Beitrag: GerdW

Gehe zu: