INFO: Dieses Forum nutzt Cookies...
Cookies sind für den Betrieb des Forums unverzichtbar. Mit der Nutzung des Forums erklärst Du dich damit einverstanden, dass wir Cookies verwenden.

Es wird in jedem Fall ein Cookie gesetzt um diesen Hinweis nicht mehr zu erhalten. Desweiteren setzen wir Google Adsense und Google Analytics ein.


Antwort schreiben 

Phasenverschiebung!



Wenn dein Problem oder deine Frage geklärt worden ist, markiere den Beitrag als "Lösung",
indem du auf den "Lösung" Button rechts unter dem entsprechenden Beitrag klickst. Vielen Dank!

26.04.2007, 07:42 (Dieser Beitrag wurde zuletzt bearbeitet: 26.04.2007 08:02 von djblake12.)
Beitrag #1

djblake12 Offline
LVF-Grünschnabel
*


Beiträge: 32
Registriert seit: May 2006

7.1 und 8.0
2006
kA


Oesterreich
Phasenverschiebung!
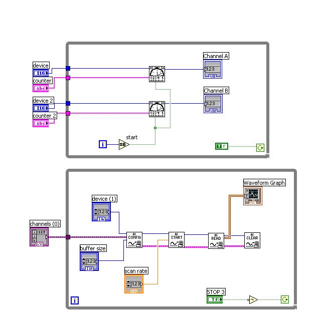
Ich lese mittels Traditionellen NI-DAQ-Geraet PCI-6025E zwei Pulssignale ein. Diese haben immer die gleiche Pulsdauer doch sie sind Phasenverschoben.

Meine Aufgabe ist es, die Pulse zu zaehlen und ermitteln ob das Geraet Rechts oder Links laueft.
Wenn man es nach rechts bewegt ist das Signal am Channel A vorlaeufig und umgekehrt.

Wie kann ich mittels LabVIEW bestimmen welches Signal Vor bzw. welches Nacheilend ist.

Bitte um rasche Hilfe.

Danke


Angehängte Datei(en) Thumbnail(s)
       
Alle Beiträge dieses Benutzers finden
Diese Nachricht in einer Antwort zitieren to top
Anzeige
26.04.2007, 08:34
Beitrag #2

cb Offline
LVF-SeniorMod


Beiträge: 1.734
Registriert seit: Feb 2006

2018SP1
2001
EN

40xxx
Deutschland
Phasenverschiebung!
' schrieb:Ich lese mittels Traditionellen NI-DAQ-Geraet PCI-6025E zwei Pulssignale ein. Diese haben immer die gleiche Pulsdauer doch sie sind Phasenverschoben.

Meine Aufgabe ist es, die Pulse zu zaehlen und ermitteln ob das Geraet Rechts oder Links laueft.
Wenn man es nach rechts bewegt ist das Signal am Channel A vorlaeufig und umgekehrt.

Wie kann ich mittels LabVIEW bestimmen welches Signal Vor bzw. welches Nacheilend ist.

Bitte um rasche Hilfe.

Danke

das hört sich für mich erstmal so an, als würdest du z.B. mit einem Encoder eine Winkelposition messen wollen? Wenn ja, wäre eine analoge Erfassung der falsche Ansatz, dafür nimmt man einen Counter ...

Wenn du die Phasenverschiebung ermitten möchtest, und beide Signale die gleiche Amplitude haben, dann würde ich den Index in den beiden Messwerte Arrays suchen, bei dem ein von dir festzulegender Wert über-/ unterschritten wird. Wenn z.B. das Signal A nacheilt, dann ist der Index des über-/ unterschrittenen Grenzwertes kleiner als der von Signal B.

Die Differenz von Index A und Index B, multipliziert mit 1/Samplerate ergibt die Phasenverschiebung in Sekunden ... die Genauigkeit der Phasenverschiebung hängt damit natürlich von deiner Sample-Rate ab ...

https://www.rotabench.com - Prüftechnik für Elektromotoren
Webseite des Benutzers besuchen Alle Beiträge dieses Benutzers finden
Diese Nachricht in einer Antwort zitieren to top
26.04.2007, 08:52
Beitrag #3

djblake12 Offline
LVF-Grünschnabel
*


Beiträge: 32
Registriert seit: May 2006

7.1 und 8.0
2006
kA


Oesterreich
Phasenverschiebung!
Ja, es handelt sich dabei nicht um eine Winkelposition sondern um eine Laengsverschiebung.
Die Pulse zaehle ich mit einem Counter. Doch wie funktioniert dies mit der Abstandsmessung bzw. Verschiebung?

Wie kann ich den Index festlegen?
Alle Beiträge dieses Benutzers finden
Diese Nachricht in einer Antwort zitieren to top
26.04.2007, 11:00
Beitrag #4

cb Offline
LVF-SeniorMod


Beiträge: 1.734
Registriert seit: Feb 2006

2018SP1
2001
EN

40xxx
Deutschland
Phasenverschiebung!
' schrieb:Ja, es handelt sich dabei nicht um eine Winkelposition sondern um eine Laengsverschiebung.
Die Pulse zaehle ich mit einem Counter. Doch wie funktioniert dies mit der Abstandsmessung bzw. Verschiebung?

Wie kann ich den Index festlegen?

wenn du einen Z-Puls hast, dann ist es ganz leicht, wenn du keinen Z-Puls hast, dann wird es etwas komplizierter, weil du eine Referenzfahrt machen musst und du deinen Nullpunkt selbst festlegst.

Wenn du mit DAQmx arbeitest, dann nimm den DAQmx-Assistenten und erstelle eine Positions-Messung mit einem Counter. Wenn du wissen willst, wie das genau programmiert wird, dann mach einen Rechtsklick auf das Express-VI und wähle "Frontpanel öffnen" aus. Dann kannst du das Express VI in ein Standard-VI konvertieren und dir den Quellcode anschauen.

Die Screenshots zeigen einen DAQmx-Task für einen Linear-Encoder, der einen Weg von 1 mm pro Tic ausgibt ...

   

   

https://www.rotabench.com - Prüftechnik für Elektromotoren
Webseite des Benutzers besuchen Alle Beiträge dieses Benutzers finden
Diese Nachricht in einer Antwort zitieren to top
26.04.2007, 12:35
Beitrag #5

djblake12 Offline
LVF-Grünschnabel
*


Beiträge: 32
Registriert seit: May 2006

7.1 und 8.0
2006
kA


Oesterreich
Phasenverschiebung!
Was ist ein Z-Puls???

Nein ich arbeite leider mit einem traditionellen NI-DAQ-Geraet.
Ich muss lediglich bestimmen welcher Puls zuerst kommt, der vom Kanal A oder der vom Kanal B.

Bitte um weitere Vorschlaege.
Alle Beiträge dieses Benutzers finden
Diese Nachricht in einer Antwort zitieren to top
26.04.2007, 12:55
Beitrag #6

cb Offline
LVF-SeniorMod


Beiträge: 1.734
Registriert seit: Feb 2006

2018SP1
2001
EN

40xxx
Deutschland
Phasenverschiebung!
' schrieb:Was ist ein Z-Puls???

Nein ich arbeite leider mit einem traditionellen NI-DAQ-Geraet.
Ich muss lediglich bestimmen welcher Puls zuerst kommt, der vom Kanal A oder der vom Kanal B.

Bitte um weitere Vorschlaege.

na, dann schau dir doch mal die Beispiele zum Thema Encoder mit trad. DAQ im Example Finder an. Wenn der Counter "hoch zählt" kommt der eine Puls zuerst, wenn der Counter "runter zählt", dann der andereSmile

https://www.rotabench.com - Prüftechnik für Elektromotoren
Webseite des Benutzers besuchen Alle Beiträge dieses Benutzers finden
Diese Nachricht in einer Antwort zitieren to top
Anzeige
26.04.2007, 13:21
Beitrag #7

djblake12 Offline
LVF-Grünschnabel
*


Beiträge: 32
Registriert seit: May 2006

7.1 und 8.0
2006
kA


Oesterreich
Phasenverschiebung!
Welches meinst DU?

Ich habe nur das "BNC-2120 Quadrature Encoder" Beispiel. Und bei diesem vwird nur ein Puls verwendet und zaehlt immer hinauf.
Alle Beiträge dieses Benutzers finden
Diese Nachricht in einer Antwort zitieren to top
30
Antwort schreiben 


Möglicherweise verwandte Themen...
Themen Verfasser Antworten Views Letzter Beitrag
  Phasenverschiebung mehrerer Schleifen Erik01 7 7.768 15.04.2014 13:17
Letzter Beitrag: Lucki
  Phasenverschiebung durch event Graf_Zahl 24 16.984 11.03.2013 15:28
Letzter Beitrag: jg
  Signalanzeige und Phasenverschiebung kaischneider 4 7.715 25.01.2012 17:36
Letzter Beitrag: TobiasSch
  Phasenverschiebung messen TobiasSch 2 6.330 25.01.2012 17:15
Letzter Beitrag: TobiasSch
  Phasenverschiebung und Triggersignal nicht sauber krys 2 5.706 24.01.2008 22:26
Letzter Beitrag: dc6xs
  Phasenverschiebung Hoschi81 2 7.234 18.12.2006 18:35
Letzter Beitrag: dc6xs

Gehe zu: