(20.03.2012 21:09 )ollumque schrieb: ..
Achja, wie schauts mit den Anhängen aus? Ich habe jetzt auch mal ne 2010er Versioin mit hochgeladen, da ich nicht weiß wie abwärtskompatibel die sind.
..

ist soweit ich weiß abwärtskompatibel bis

. Eine Aufwärtskompatibilität existiert in LabVIEW grundsätzlich nicht. Da nicht jeder in Besitz von

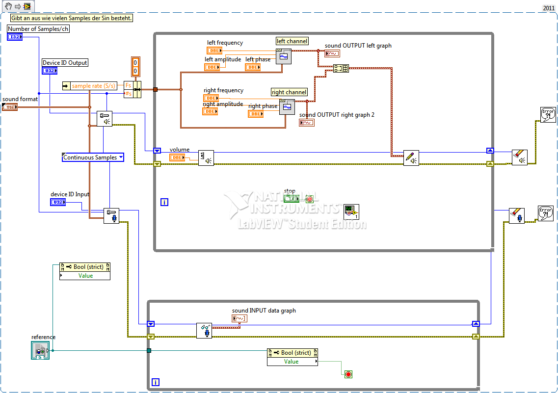
ist, ist es nicht verkehrt eine "ältere" Version mit anzubieten um mehr Leute zu erreichen. Bei kleinen VIs ist ein Screenshot (idealerweise ein Codesnippet) oft hilfreich! Um den Server zu schonen, könntest du auf die

Version verzichten. Wenn du nix "neues" verwendest, kann ja jeder auch die ältere Version öffnen!
Grüße,
Totti