INFO: Dieses Forum nutzt Cookies...
Cookies sind für den Betrieb des Forums unverzichtbar. Mit der Nutzung des Forums erklärst Du dich damit einverstanden, dass wir Cookies verwenden.

Es wird in jedem Fall ein Cookie gesetzt um diesen Hinweis nicht mehr zu erhalten. Desweiteren setzen wir Google Adsense und Google Analytics ein.


Antwort schreiben 

Problem bei seriellen Schnittstellen



Wenn dein Problem oder deine Frage geklärt worden ist, markiere den Beitrag als "Lösung",
indem du auf den "Lösung" Button rechts unter dem entsprechenden Beitrag klickst. Vielen Dank!

23.10.2014, 10:54
Beitrag #1

gammel Offline
LVF-Neueinsteiger


Beiträge: 5
Registriert seit: Sep 2014

9
-
kA



Problem bei seriellen Schnittstellen
Hallo,

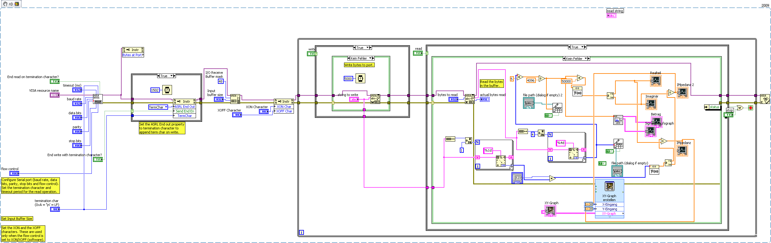
erstmal falls dass hier im falschen Forum ist, könnt ihr dem post gerne verschieben. Ich habe ein Problem mit seriellen Schnittstellen und das Verhalten von Labview scheint mir sehr komisch zu sein. Das VI wirft immer an anderen Stellen eine Fehler und ich kann keien Regelmäßigkeit erkennen. Kurz zu dem was das Programm machen soll: Es soll über eine serielle schnittstelle werte an einen mikrocontroller senden und anschließend die verarbeiteten Werte wieder lesen und dann ein wenig damit rechnen. Entweder schreibt schreibt das VI gar nicht und wirft an dieser Stelle den Fehler oder er liest die Werte nicht mehr und gibt dann an dieser Stelle einen Fehler aus.

Lv09_img2

Danke

Bahn


Angehängte Datei(en) Thumbnail(s)
   
Alle Beiträge dieses Benutzers finden
Diese Nachricht in einer Antwort zitieren to top
Anzeige
23.10.2014, 11:30 (Dieser Beitrag wurde zuletzt bearbeitet: 23.10.2014 11:33 von GerdW.)
Beitrag #2

GerdW Offline
______________
LVF-Team

Beiträge: 17.536
Registriert seit: May 2009

LV2019 (LV2021)
1995
DE_EN

10×××
Deutschland
RE: Problem bei seriellen Schnittstellen
Hallo gammel,

wenn du Fehler beschreiben willst, solltest du vor allem auch die Fehlernummer bekannt geben.
In Ermangelung deines µP können wir dein VI zwar anschauen, aber nicht sinnvoll laufen lassen…

Für den Test der Gerätekommunikation nutzt man üblicherweise:
- zuerst ein Programm wie HyperTerm
- wenn es mit HyperTerm funktioniert, implementiert man die Kommunikation in LabVIEW - mit denselben Parametern
- dann erst kümmert man sich um die Datenauswertung…

Alle Beiträge dieses Benutzers finden
Diese Nachricht in einer Antwort zitieren to top
23.10.2014, 11:56
Beitrag #3

gammel Offline
LVF-Neueinsteiger


Beiträge: 5
Registriert seit: Sep 2014

9
-
kA



RE: Problem bei seriellen Schnittstellen
Fehlernr: -1073807360
Alle Beiträge dieses Benutzers finden
Diese Nachricht in einer Antwort zitieren to top
23.10.2014, 12:04
Beitrag #4

GerdW Offline
______________
LVF-Team

Beiträge: 17.536
Registriert seit: May 2009

LV2019 (LV2021)
1995
DE_EN

10×××
Deutschland
RE: Problem bei seriellen Schnittstellen
Hallo gammel,

-1073807360 = $BFFF0000 = "VISA: unbekannter Systemfehler"…

Leider sehr unspezifisch und damit für Ferndiagnose recht ungeeignet!

Alle Beiträge dieses Benutzers finden
Diese Nachricht in einer Antwort zitieren to top
23.10.2014, 12:21
Beitrag #5

jg Offline
CLA & CLED
LVF-Team

Beiträge: 15.864
Registriert seit: Jun 2005

20xx / 8.x
1999
EN

Franken...
Deutschland
RE: Problem bei seriellen Schnittstellen
Vielleicht das hier:
http://digital.ni.com/public.nsf/allkb/D...1D006F1415

Gruß, Jens

Wer die erhabene Weisheit der Mathematik tadelt, nährt sich von Verwirrung. (Leonardo da Vinci)

!! BITTE !! stellt mir keine Fragen über PM, dafür ist das Forum da - andere haben vielleicht auch Interesse an der Antwort!

Einführende Links zu LabVIEW, s. GerdWs Signatur.
Alle Beiträge dieses Benutzers finden
Diese Nachricht in einer Antwort zitieren to top
23.10.2014, 14:17 (Dieser Beitrag wurde zuletzt bearbeitet: 23.10.2014 14:30 von Lucki.)
Beitrag #6

Lucki Offline
Tech.Exp.2.Klasse
LVF-Team

Beiträge: 7.699
Registriert seit: Mar 2006

LV 2016-18 prof.
1995
DE

01108
Deutschland
RE: Problem bei seriellen Schnittstellen
Ja, das Selbstbewußtsein vieler Anfänger ist heutzutage grenzenlos. Wenn etwas nicht gleich klappt, liegt es nicht nicht an einem selbst, sondern mit Labview stimmt etwas nicht. In Deinem Fall: Labview verhält sich "komisch".
In Zusammenhang mit der seriellen Schnittstelle gibt es allerdings wirklich ein echtes Problem mit Labview. Im Modus "Zeilenende-Erkennung" (=default) ist nämlich Lesen und Schreiben so unglaublich simpel, das NI es nicht für nötig gehalten hat, dafür ein Beipiel zu bringen. Für einen Anfänger ist es aber nach meiner Forums-Erfahrung absolut unmöglich, ohne ein solches Beispiel von selbst darauf zu kommen, wie simpel das ist.

Probiere also erst mal das untenstehende Beipiel aus, bevor du es kompliziert machst. Damit es funktioniert, mußt Du am Stecker der seriellen Schnittstelle natürlich RxD mit TxD verbinden. (Das Gesendete soll über den gleichen Port wieder empfangen werden)

   

Edit: Die Zeilenende-Konstane wird nicht gebraucht, sie ist in dem Write-String schon enthalten
Die Hard-oder Soft-Flußsteuerung ist übrigens Schnee von vorgestern, die verwendet heute kaum noch jemand.
Alle Beiträge dieses Benutzers finden
Diese Nachricht in einer Antwort zitieren to top
Anzeige
23.10.2014, 14:36 (Dieser Beitrag wurde zuletzt bearbeitet: 23.10.2014 14:37 von jg.)
Beitrag #7

jg Offline
CLA & CLED
LVF-Team

Beiträge: 15.864
Registriert seit: Jun 2005

20xx / 8.x
1999
EN

Franken...
Deutschland
RE: Problem bei seriellen Schnittstellen
Offtopic2
Rube Goldberg:
   
Nix für ungut Wink
Gruß, Jens

Wer die erhabene Weisheit der Mathematik tadelt, nährt sich von Verwirrung. (Leonardo da Vinci)

!! BITTE !! stellt mir keine Fragen über PM, dafür ist das Forum da - andere haben vielleicht auch Interesse an der Antwort!

Einführende Links zu LabVIEW, s. GerdWs Signatur.
Alle Beiträge dieses Benutzers finden
Diese Nachricht in einer Antwort zitieren to top
27.10.2014, 13:01
Beitrag #8

gammel Offline
LVF-Neueinsteiger


Beiträge: 5
Registriert seit: Sep 2014

9
-
kA



RE: Problem bei seriellen Schnittstellen
Hallo,

mit dem "komisch" hab ich gemeint, dass wenn ich es starte, es funktioniert, aber wenn ich es wieder ausführe, ohne irgendwas geändert zu haben, wirft es mir den Fehler. Das verwirrt mich leider.


Danke nochmal für eure Antworten
Alle Beiträge dieses Benutzers finden
Diese Nachricht in einer Antwort zitieren to top
30
Antwort schreiben 


Möglicherweise verwandte Themen...
Themen Verfasser Antworten Views Letzter Beitrag
  Schnittstellen werden im Frontpanel nicht angezeigt. Mido 5 6.144 14.05.2019 15:46
Letzter Beitrag: jg
  VISA: I/O Fehler beim Auslesen einer seriellen Schnittstelle konne 5 9.482 19.07.2017 13:04
Letzter Beitrag: konne
  Alle seriellen Schnittstellen auslesen Exl 1 5.899 01.04.2017 16:41
Letzter Beitrag: GerdW
  Modul am seriellen Port ansprechen Charly82 2 6.800 22.05.2016 07:34
Letzter Beitrag: Charly82
  Daten von Seriellen Port in While-Schleife auswerten Bensch 4 7.403 26.10.2015 11:28
Letzter Beitrag: Bensch
  Verwendung von mehreren RS232 Schnittstellen PMG 8 10.840 26.05.2014 11:48
Letzter Beitrag: Eliii

Gehe zu: