INFO: Dieses Forum nutzt Cookies...
Cookies sind für den Betrieb des Forums unverzichtbar. Mit der Nutzung des Forums erklärst Du dich damit einverstanden, dass wir Cookies verwenden.

Es wird in jedem Fall ein Cookie gesetzt um diesen Hinweis nicht mehr zu erhalten. Desweiteren setzen wir Google Adsense und Google Analytics ein.


Antwort schreiben 

Problem beim werte aufnehmen und speichern



Wenn dein Problem oder deine Frage geklärt worden ist, markiere den Beitrag als "Lösung",
indem du auf den "Lösung" Button rechts unter dem entsprechenden Beitrag klickst. Vielen Dank!

18.01.2011, 09:27
Beitrag #1

ostfalia Offline
LVF-Grünschnabel
*


Beiträge: 16
Registriert seit: Aug 2010

2009
2010
de


Deutschland
Problem beim werte aufnehmen und speichern
Hi,

ich bin schon etwas länger hier angemeldet und konnte auch schon den einen oder anderen Tiopp mitnehmen, aber jetzt komme ich nicht mehr weiter und hoffe, dass mir von euch einer helfen kann.
Ich arbeite mit LabView 2009 und habe folgendes Problem.

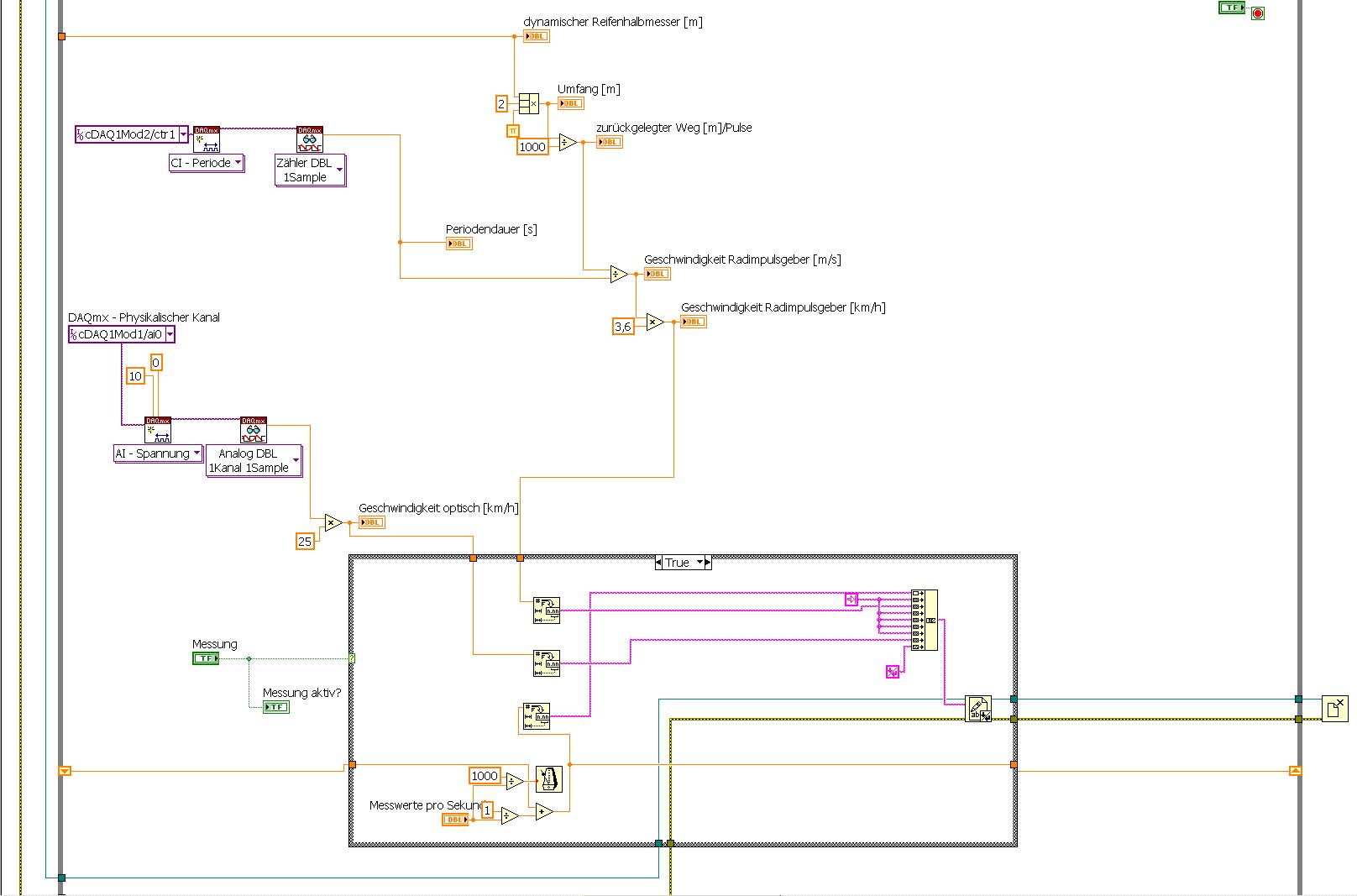
Ich muss für eine Studienarbeit an einem Polo 2 Geschwindigkeiten aufnehmen. Die eine nehme ich über einen optischen Sensor auf, der ein analoges Signal (Spannung) ausgibt und mit der Multiplikation mit 25 auf die Geschwindigkeit kommt.
Für die andere habe ich einen digitalen Radsensor, der pro Umdrehung 1000 pulses ausgibt. Um damit die Geschwindigkeit zu ermitteln, lese ich zunächst den Radius des Reifens ein, den ich in einem vorherigen Versuch ermittelt habe. Mit der Multiplikation mit 2 und pi komme ich auf den Umfang. Diesen teile ich durch 1000 um auf den Weg, den das Auto pro ausgegeben pulse des Radsensors zurücklegt zu kommen. Um nun auf die Geschwindigkeit zu kommen, nehme ich jetzt noch die Periodendauer auf und teile diese dann durch den vorher errechneten Weg pro pulse.
Das funktioniert alles so weit auch ganz gut, allerdings nur eine kurze Zeit, bis sich mein Rechner aufhängt. Ist mein Rechner einfach nur zu schwach oder habe ich was falsch programmiert? Kann mir irgendjemand von euch helfen?

Das VI habe ich beigefügt, ist wie gesagt aus LabView 2009. Habe sicherheitshalber dann auch noch einen Screenshot angehängt.

Nur mal zur Erklärung. Die case-Struktur dient der Datenspeicherung. Wenn der Taster betätigt wird, sollen die beiden Geschwindigkeiten jeweils mit der schon verstrichenen Zeit in eine Datei geschrieben werden. Dies funktioniert in anderen Programmen, die ich schon geschrieben habe auch einwandfrei...

Vielen Dank schonmal


Angehängte Datei(en) Thumbnail(s)
   

Sonstige .vi  Antriebsschlupfmessung.vi (Größe: 62,68 KB / Downloads: 262)
Alle Beiträge dieses Benutzers finden
Diese Nachricht in einer Antwort zitieren to top
Anzeige
18.01.2011, 09:34 (Dieser Beitrag wurde zuletzt bearbeitet: 18.01.2011 09:45 von GerdW.)
Beitrag #2

GerdW Offline
______________
LVF-Team

Beiträge: 17.529
Registriert seit: May 2009

LV2019 (LV2021)
1995
DE_EN

10×××
Deutschland
Problem beim werte aufnehmen und speichern
Hallo ostfalia,

schon mal vom Bild den ersten (großen) Fehler:
Inits immer außerhalb der Schleife!

Also: Task anlegen/definieren vor der Schleife, Messwerte lesen in der Schleife!

Weitere Anmerkungen:
Es gibt eine "2pi"-Konstante. Es gibt eine Kehrwert-Funktion. Und es gibt in LV2009 einen Aufräumknopf, der reduziert dein BD auf ca. 1/3 der Größe bei gleichzeitig deutlich verbesserter Anordnung...

Alle Beiträge dieses Benutzers finden
Diese Nachricht in einer Antwort zitieren to top
18.01.2011, 09:38
Beitrag #3

chris_deus Offline
LVF-Gelegenheitsschreiber
**


Beiträge: 78
Registriert seit: Aug 2006

2010
2006
en

48565
Deutschland
Problem beim werte aufnehmen und speichern
Hallo Ostfalia,

in deiner While Schleife befindet sich kein Timer. Zumindest ist mir keiner aufgefallen.

Deine Schleife läuft also mit maximaler Geschwindigkeit und deine CPU auf 100%.....

Pack mal einen Timer mit 1 Millisekunde rein und versuch es erneut.

GerdW kann ich mich nur anschliessen.

Gruß,

Christoph

Webseite des Benutzers besuchen Alle Beiträge dieses Benutzers finden
Diese Nachricht in einer Antwort zitieren to top
18.01.2011, 10:24
Beitrag #4

ostfalia Offline
LVF-Grünschnabel
*


Beiträge: 16
Registriert seit: Aug 2010

2009
2010
de


Deutschland
Problem beim werte aufnehmen und speichern
erstmal euch beiden vielen dank für die schnelle Hilfe.

So richtig klappen will es aber immer noch nicht. Das Einfügen des Timers hat immerhin bewirkt, dass die Messwertaufnahme jetzt ungefähr ne halbe Minute läuft. Danach steigt er aber auch wieder aus. Ich habe die Funktion "Bis zum nächsten vielfachen von ms warten" genommen. Das ist doch richtig, oder?

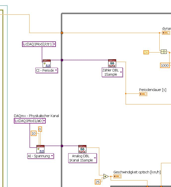
Die Inits vor die Schleife legen funktioniert irgendwie gar nicht. Da steigt er sofort aus. Oder ich hab dich falsch verstanden...Ich hab das jetzt wie im Screenshot zu sehen gemacht. Meintest du das so?


Angehängte Datei(en) Thumbnail(s)
   
Alle Beiträge dieses Benutzers finden
Diese Nachricht in einer Antwort zitieren to top
18.01.2011, 10:27 (Dieser Beitrag wurde zuletzt bearbeitet: 18.01.2011 10:35 von GerdW.)
Beitrag #5

GerdW Offline
______________
LVF-Team

Beiträge: 17.529
Registriert seit: May 2009

LV2019 (LV2021)
1995
DE_EN

10×××
Deutschland
Problem beim werte aufnehmen und speichern
Hallo ostfalia,

Zitat:Funktion "Bis zum nächsten vielfachen von ms warten"
Ein einfaches Wait hätte es auch getan...

Zitat:Die Inits vor die Schleife legen funktioniert irgendwie gar nicht.
Wenn das Init vor der Schleife nicht funktioniert, dann tut es das in der Schleife auch nicht... Schon mal den Fehler anzeigen lassen?

Zitat:Meintest du das so?
Prinzipiell ja.

Alle Beiträge dieses Benutzers finden
Diese Nachricht in einer Antwort zitieren to top
18.01.2011, 10:34
Beitrag #6

ostfalia Offline
LVF-Grünschnabel
*


Beiträge: 16
Registriert seit: Aug 2010

2009
2010
de


Deutschland
Problem beim werte aufnehmen und speichern
Sie funktionieren ja an sich schon vor der Schleife. Also sie nehmen den aktuellen Wert auf. Allerdings hängt sich das Programm dann sofort auf. Wenn ich sie in der Schleife habe, dann läuft es erst eine gewisse Zeit (ungefähr 30 Sekunden) und hängt sich dann erst auf...
Alle Beiträge dieses Benutzers finden
Diese Nachricht in einer Antwort zitieren to top
Anzeige
18.01.2011, 10:37
Beitrag #7

GerdW Offline
______________
LVF-Team

Beiträge: 17.529
Registriert seit: May 2009

LV2019 (LV2021)
1995
DE_EN

10×××
Deutschland
Problem beim werte aufnehmen und speichern
Hallo Ostfalia,

Fehlermeldungen? Funktioniert's mit MAX ordentlich? Irgendwelche Einzelheiten außer "hängt sich auf"?

Alle Beiträge dieses Benutzers finden
Diese Nachricht in einer Antwort zitieren to top
18.01.2011, 10:56
Beitrag #8

ostfalia Offline
LVF-Grünschnabel
*


Beiträge: 16
Registriert seit: Aug 2010

2009
2010
de


Deutschland
Problem beim werte aufnehmen und speichern
Hallo GerdW
ersstmal Danke für die Mühe.
Leider kommt überhaupt nix an Fehlermeldungen. Die ausgegebenen Werte sind einfach eingefroren und er macht nix mehr. Wäre ja schön, wenn ich irgendeinen Anhaltspunkt hätte. Ich weiß auch nirgendwie nicht mehr was ich machen soll...Und der Abgabetermin kopmmt immer näher...
Im MAX funktioniert die Aufnahme der Werte auch ohne Probleme
Alle Beiträge dieses Benutzers finden
Diese Nachricht in einer Antwort zitieren to top
18.01.2011, 11:14 (Dieser Beitrag wurde zuletzt bearbeitet: 18.01.2011 11:18 von chris_deus.)
Beitrag #9

chris_deus Offline
LVF-Gelegenheitsschreiber
**


Beiträge: 78
Registriert seit: Aug 2006

2010
2006
en

48565
Deutschland
Problem beim werte aufnehmen und speichern
Ist bei dir unter VI-Properties-Execution der Punkt "Enable automatic error handling" aktiviert?

Wenn nicht, bekommst du auch keine Fehlermeldungen.

Schau dir mit dem Probe-Data Tool mal den Ausgang deines "Write to Text File Function
"-VIs an, wenn die Anwendung läuft.

Webseite des Benutzers besuchen Alle Beiträge dieses Benutzers finden
Diese Nachricht in einer Antwort zitieren to top
18.01.2011, 11:19
Beitrag #10

Martin Heller Offline
LVF-Stammgast
***


Beiträge: 250
Registriert seit: Feb 2010

2011 SP1
2008
EN

5232
Schweiz
Problem beim werte aufnehmen und speichern
' schrieb:Und es gibt in LV2009 einen Aufräumknopf, der reduziert dein BD auf ca. 1/3 der Größe bei gleichzeitig deutlich verbesserter Anordnung...


Der Aufräumknopf inlv86ist so eine Sache. LV kann alles verschieben.....

Da kann man auf die späteren Versionen hoffen.
Alle Beiträge dieses Benutzers finden
Diese Nachricht in einer Antwort zitieren to top
Antwort schreiben 


Möglicherweise verwandte Themen...
Themen Verfasser Antworten Views Letzter Beitrag
  Falsche Werte durch paralleles Einlesen digitaler und analoger Werte daxel 13 15.072 20.08.2013 12:03
Letzter Beitrag: daxel
  Verständnis-Problem beim DAQmx-Erfassungsmodus Eisbär 4 8.540 24.09.2012 18:13
Letzter Beitrag: Lucki
  Bild aufnehmen und Fourier-transformieren Triple 1 4.590 18.05.2011 16:19
Letzter Beitrag: jo0
  Problem Beim Messdatenspeichern tiko 4 5.271 23.11.2010 12:11
Letzter Beitrag: tiko
  Problem beim Triggern waterman 3 5.008 23.10.2010 09:13
Letzter Beitrag: waterman
  Kontinuierliche Datenerfassung m. Echtzeitgraph und Speichern der Werte eMKay 6 13.310 20.10.2010 20:09
Letzter Beitrag: jg

Gehe zu: