05.08.2008, 15:52
(Dieser Beitrag wurde zuletzt bearbeitet: 05.08.2008 17:36 von Lucki.)
|
|
|
|
|
|
06.08.2008, 10:40
|
Mueller
LVF-Grünschnabel

Beiträge: 29
Registriert seit: Mar 2008
2009
2006
de
1036*
Deutschland
|
Probleme mit dem Signalverlaufsdiagramm
@Lucki:
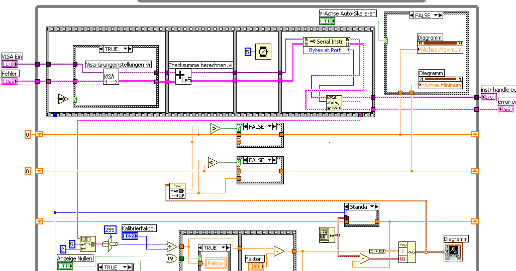
Ich würde ja gerne mal mein komplettes VI Hochladen, jedoch fehlen euch da die Hardwarekomponenten dazu. Deswegen habe ich am Anfang dieser Diskussion ein VI hochgeladen, welches nur schematisch den Ablauf in meinem VI wiedergibt. Deswegen benutze ich auch das Express-VI. Klar kann man sich so etwas ähnliches selber "basteln", aber mir erschien es hier einfacher dieses zu nehmen, da die Messzeit ein wichtiges Kriterium für die spätere Ausführung ist. Autoskaling ist deswegen wichtig, weil sich die Messzeit von Messung zu Messung ändern kann. Aber über den Eigenschaftsknoten "XAchseMaximum" kann man ja eine kleine Routine (wenn man das so nennen kann???) vorschieben, die je nach gewählter Messzeit die X-Achse skaliert.
Ich muss dazu noch sagen, dass ich einige Lokale Variablen benutze, um die Kommunikation zwischen zwei Whileschleifen, die parallel laufen, zu realisieren. Ich mutmaße, dass es dadurch auch zu Verzögerungen kommt. Und wie schnell die Kommunikation zur RS232-Schnittstelle ist weiß ich auch nicht... kann nur sagen, dass die Baud-Rate bei 115200 liegt und Timeout-Value bei 5000! Beim ersten Durchlaufen der Whileschleife wird die VISA-Verbindung aufgebaut... kann schon sein, dass die immer etwas länger dauert und es deswegen solche Ungereimtheiten mit den Schleifendurchläufen gibt.
Hier mal ein Bild zum "VISA-Ablauf" die 5ms-Warten müssen da rein, sonst gibt der Sensor nur Schrott aus:
VI.jpg (Größe: 1,65 MB / Downloads: 311)
Die nicht sichtbaren Abläufe in einem VI kann ich mir auch nur denken, dafür bin ich nicht Programmierer genug!
Und noch zum 2er-Plot: ich meinte es so, wenn der Datentyp zum Signalverlaufsdiagramm in "Signalverlauf (DBL)" vorliegt.
Aber so wie der Anzeige im Diagramm ist, ist sie schon gut! Aber wenn ich halt noch ein wenig Signalverarbeitung betreibe, währe es schön, wenn man zwei der Plots gleichzeitig darstellen könnte! z.B. den laufenden Mittelwert, mit einer Sampelrate von ca. 20-30 Punkten, dass würde den Verlauf noch schön glätten!
|
|
|
|
|
06.08.2008, 11:17
|
IchSelbst
LVF-Guru
    
Beiträge: 3.708
Registriert seit: Feb 2005
11, 14, 15, 17, 18
-
DE
97437
Deutschland
|
Probleme mit dem Signalverlaufsdiagramm
' schrieb:Hier mal ein Bild zum "VISA-Ablauf" die 5ms-Warten müssen da rein, sonst gibt der Sensor nur Schrott aus:
Auch ich würde sagen: An dieser Stelle muss eine Wartezeit rein. Und zwar als Warten, nicht als Metronom. Ich gehe davon aus, dass die Gegenseite praktisch "gepollt" wird.
ABER:
Ich würde das Bearbeiten der VISA-Schnittstelle nicht in der selben Schleife tun wie das Darstellen im Graphen. Ich würde da eine parallele Schleife (sogar SubVI) nehmen - und die Daten per Queue verschicken. Eine Queue wirkt hier wie ein Puffer. Ist die Graphikausgabe zu langsam, kann das Auslesen der VISA-Schnittstelle aber trotzdem mit der Gewünschten Geschwindigkeit gehen.
Jeder, der zur wahren Erkenntnis hindurchdringen will, muss den Berg Schwierigkeit alleine erklimmen (Helen Keller).
|
|
|
|
|
18.08.2008, 11:06
|
Mueller
LVF-Grünschnabel

Beiträge: 29
Registriert seit: Mar 2008
2009
2006
de
1036*
Deutschland
|
Probleme mit dem Signalverlaufsdiagramm
So... da bin ich noch mal... erst mal danke für eure Hilfe... aber jetzt hab ich ein neues Problem:
Meine Messung (über RS-232 mit Visa-Verbindung) nimmt jetzt ca. 30 Werte pro Sekunde. Da ist für mich völlig ausreichend!
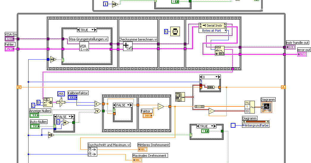
Nun hab ich eine Option in mein VI eingebaut, dass der Benutzer die Skalierung der X-Achse selber wählen kann, einfach über Eigenschaftsknoten "YAchse.Maximum" und "YAchse.Minimum". Um halt bei mehreren Messungen die ausgeworfenen Diagramme besser vergleichen zu können.
Also hab ich auch "Autom.Skalierung" abgeschaltet, weil sich das sonst nicht mit dem Eigenschaftsknoten "YAchse.Maximum" und "YAchse.Minimum" vertägt. Um diese Funktion bei belieben trotzdem zu haben, habe ich dies selber "programmiert".
Mit dem VI "Signalverlauf-Minimum und Maximum" welches die Werte gibt für "YAchse.Maximum" und "YAchse.Minimum". Am besten schaut mal in das angefügte Bild, da sieht man es.
Skalierung.jpg (Größe: 1,59 MB / Downloads: 281)
Nun erhalte ich nur noch ca. 15 Werte pro Sekunde. Frist dies Option mit dem Eigenschaftsknoten so viel Ressourcen? Kann ich mir gar nicht vorstellen? Wenn ich die X-Achse skaliere, was mein VI halt auch schon macht, kommt es ja nicht zu diesem Defizit!?
Kann mir jemand sagen wie ich das umgehen kann oder schon mal woran das liegt?
Danke....
|
|
|
|
|
18.08.2008, 14:40
|
Mueller
LVF-Grünschnabel

Beiträge: 29
Registriert seit: Mar 2008
2009
2006
de
1036*
Deutschland
|
Probleme mit dem Signalverlaufsdiagramm
Und wo ich gerade am Fragenstellen bin:
Kann man im Signalverlaufsdiagramm eine Markierung einfügen? Also, dass während der Messung ein vertikaler Strich eingefügt wird? Oder sich die Farbe des Plots ändert ab einen definierten Punkt?
Mit dem Methodenknoten "Plotfarbe" ändert sich nur der gesamte Plot.
Ab hier im Forum nur was zum Signalverlaufsgrafen gefunden...
|
|
|
|
|
18.08.2008, 15:44
|
IchSelbst
LVF-Guru
    
Beiträge: 3.708
Registriert seit: Feb 2005
11, 14, 15, 17, 18
-
DE
97437
Deutschland
|
Probleme mit dem Signalverlaufsdiagramm
' schrieb:Meine Messung (über RS-232 mit Visa-Verbindung) nimmt jetzt ca. 30 Werte pro Sekunde.
Schön, schön.
D.h. aber auch, 30mal pro Sekunde wird der Graph (siehe unten rechts) refreshed.
Zitat:Da ist für mich völlig ausreichend!
Du beziehst diese Aussage bestimmt auf das Samplen der Daten. Nicht aus das Anzeigen der Daten. Zum Datenanzeigen reicht eine Rate von 4/sec.
Zitat:Kann ich mir gar nicht vorstellen?
Aber ich!
Zitat:Wenn ich die X-Achse skaliere, was mein VI halt auch schon macht, kommt es ja nicht zu diesem Defizit!?
Wenn du mittles Propertys scalierst ist das was anderes, als wenn das Graph-Element automatisch scaliert.
Zitat:Kann mir jemand sagen wie ich das umgehen kann oder schon mal woran das liegt?
Samplen und Anzeigen programmtechnisch trennen.
In einer While-Schleife samplest du Daten und schickt die per Queue an eine zweite While-Schleife, die diese Daten nur anzeigt. Beide While-Schleifen laufen parallel!
Jeder, der zur wahren Erkenntnis hindurchdringen will, muss den Berg Schwierigkeit alleine erklimmen (Helen Keller).
|
|
|
|
18.08.2008, 18:56
(Dieser Beitrag wurde zuletzt bearbeitet: 19.08.2008 08:35 von Lucki.)
|
|
|
|
|
|
19.08.2008, 08:02
|
Mueller
LVF-Grünschnabel

Beiträge: 29
Registriert seit: Mar 2008
2009
2006
de
1036*
Deutschland
|
Probleme mit dem Signalverlaufsdiagramm
Ok.... danke für die Antworten... aber kann mir jemand das VI in LabVIEW Version 8.0 konvertieren???
Danke...
|
|
|
|
|
19.08.2008, 08:36
|
Lucki
Tech.Exp.2.Klasse
Beiträge: 7.699
Registriert seit: Mar 2006
LV 2016-18 prof.
1995
DE
01108
Deutschland
|
Probleme mit dem Signalverlaufsdiagramm
' schrieb:aber kann mir jemand das VI in LabVIEW Version 8.0 konvertieren???
Ist gemacht, siehe oben
|
|
|
|
| |