Hallo,
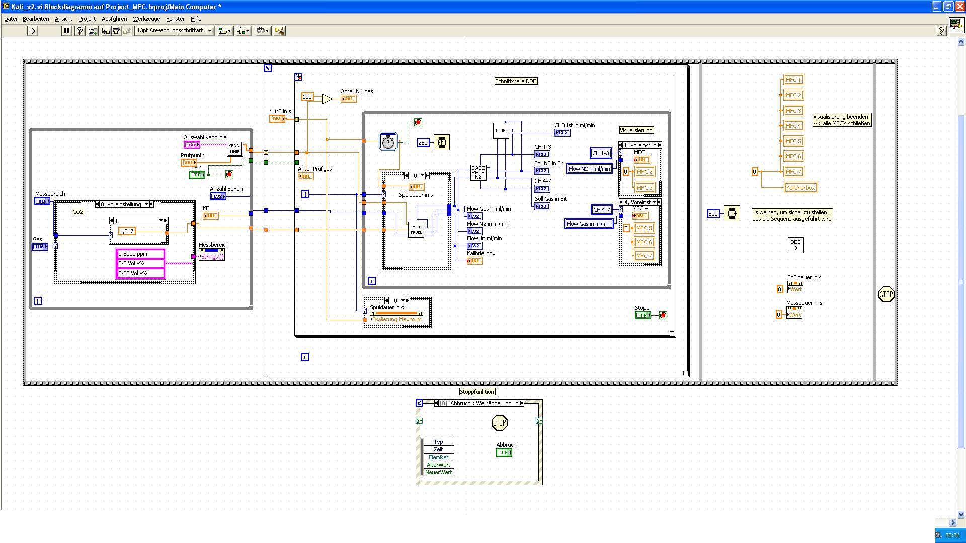
ich habe das Problem, dass mein Programm hin und wieder einfriert. Es bleibt einfach stehen und ich kann mir nicht erklären woran das liegt. Manchmal läuft es auch komplett durch. Aber nicht immer.
Wenn es eingefroren ist und klicke auf das Programmfenster, dann läuft es weiter, aber nicht an der Stelle an der es scheinbar eingefroren ist.
Es wäre nicht so schlimm wenn im Hintergrund das Programm vollständig funktionieren würde. Tut es aber nicht, die Kommunikation wird auch unterbrochen.
Oder kann es auch sein, dass die Visualisierung nur eingefriert und im Hintergrund das Programm noch läuft? Wie könnte ich dem entgegenwirken?
Ich hoffe ihr könnt ihr weiterhelfen. Wahrscheinlich ist es "nur" ne Kleinigkeit. Hoffe ich zumindest.
mfg

Hauptprogramm:
Kali_v4.vi (Größe: 178,85 KB / Downloads: 343)
SubVI's
Case_Pruef_N2_2.vi (Größe: 21,25 KB / Downloads: 308)
DDE_N2_read_0.vi (Größe: 16,5 KB / Downloads: 298)
[attachm
nt=57490:DDE_N2_read.vi]
DDE_N2_write_0.vi (Größe: 15,54 KB / Downloads: 270)
DDE_N2_write.vi (Größe: 27,64 KB / Downloads: 277)
[attachmen
=57493:DDE_PRUEF_read_0.vi]
DDE_PRUEF_read.vi (Größe: 18,89 KB / Downloads: 310)
DDE_PRUEF_write_0.vi (Größe: 17,02 KB / Downloads: 304)
[atta
hment=57496:DDE_PRUEF_write.vi]
IST_N2.vi (Größe: 15,89 KB / Downloads: 287)
IST_Pruef.vi (Größe: 15,94 KB / Downloads: 280)
Kennlinie.vi (Größe: 13,5 KB / Downloads: 277)
MFC_messen.vi (Größe: 24,49 KB / Downloads: 294)
MFC_spuelen.vi (Größe: 24,64 KB / Downloads: 284)
Soll_N2.vi (Größe: 15,98 KB / Downloads: 289)
Soll_Pruef.vi (Größe: 15,96 KB / Downloads: 268)