INFO: Dieses Forum nutzt Cookies...
Cookies sind für den Betrieb des Forums unverzichtbar. Mit der Nutzung des Forums erklärst Du dich damit einverstanden, dass wir Cookies verwenden.

Es wird in jedem Fall ein Cookie gesetzt um diesen Hinweis nicht mehr zu erhalten. Desweiteren setzen wir Google Adsense und Google Analytics ein.


Antwort schreiben 

Reset nach Stop in der whileschleife



Wenn dein Problem oder deine Frage geklärt worden ist, markiere den Beitrag als "Lösung",
indem du auf den "Lösung" Button rechts unter dem entsprechenden Beitrag klickst. Vielen Dank!

22.12.2010, 12:09 (Dieser Beitrag wurde zuletzt bearbeitet: 22.12.2010 12:22 von applefan.)
Beitrag #1

applefan Offline
LVF-Neueinsteiger


Beiträge: 8
Registriert seit: Nov 2010

2010 und 2009
2010
de


Deutschland
Reset nach Stop in der whileschleife
Hallo an alle,
ich habe da ein kleines Problem. Ich habe ein Vi welches acht Magnetventile ansteuert und ein paar selbstgemachte Symbole (Ursprung war immer eine LED) an und ausschaltet. Wenn ich jetzt während des Programmablaufes (weil ich zum Beispiel optisch einen Fehler entdecke) das Programm stoppe, stoppt zwar der Ablauf des Vis aber die Ventile und LEDs die zum Zeitpunkt des stoppens an waren bleiben an. Ich möchte aber das wann immer ich die Stop-Taste drücke alles wieder in den Ursprungszustand zurück versetzt wird, d.h. alle Ventile und LEDs aus. Kann mir da jemand helfen?
Gruß Thomas


Angehängte Datei(en)
Sonstige .vi  NAF_Synthese__LV_2010_.vi (Größe: 203,57 KB / Downloads: 359)
Alle Beiträge dieses Benutzers finden
Diese Nachricht in einer Antwort zitieren to top
Anzeige
22.12.2010, 12:42 (Dieser Beitrag wurde zuletzt bearbeitet: 22.12.2010 12:48 von NWOmason.)
Beitrag #2

NWOmason Offline
Simultator
*****


Beiträge: 1.078
Registriert seit: Dec 2010

2012.SP1
2008
EN

93047
Deutschland
Reset nach Stop in der whileschleife
Leider kann ich das Blockdiagramm nicht öffnen. Da kriege ich immer einen schweren internen Fehler in "Image2.cpp". Häng doch mal kurz nen Screenshot vom Blockdiagramm an.


Grundsätzlich kannst du doch einfach ein kleines VI schreiben, dass dir nach dem drücken der Stop-Taste alle Leds usw wieder auf false setzt? Bezeihungsweise auch ans Programmende setzen.

Beste Grüße,
NWO



@Edit:
So ungefähr in diese Richtung:

Lv10


Angehängte Datei(en)
Sonstige .vi  Stop.und.Aus.vi (Größe: 8,27 KB / Downloads: 552)

9 von 10 Stimmen in meinem Kopf sagen: Ich bin nicht verrückt,
die andere summt die Melodie von Tetris
.

NI schrieb:To use the abort button is like using a tree to stop a car!

(20.01.2012 11:02 )NWOmason schrieb:  Getting Started with NI LabVIEW Student Training
http://zone.ni.com/devzone/cda/tut/p/id/7466

Introduction to NI LabVIEW - Learn LabVIEW Basics
http://www.ni.com/gettingstarted/labviewbasics/

Top 5 der Empfehlungen für LabVIEW-Einsteiger
http://www.ni.com/newsletter/51735/de/
Alle Beiträge dieses Benutzers finden
Diese Nachricht in einer Antwort zitieren to top
22.12.2010, 13:17
Beitrag #3

applefan Offline
LVF-Neueinsteiger


Beiträge: 8
Registriert seit: Nov 2010

2010 und 2009
2010
de


Deutschland
Reset nach Stop in der whileschleife
Hallo NWO,
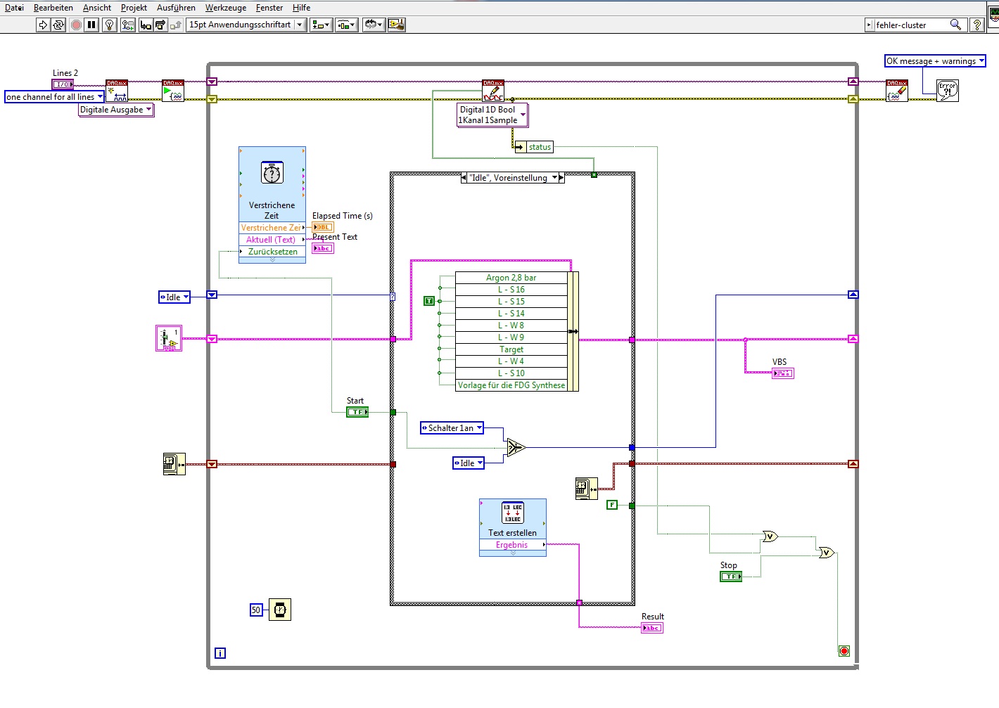
erstmal danke werde deine Methode gleich testen. Habe ein Vi angehängt ohne Hardwareverknüpfung und ein .jpeg vom Blockdiagramm, vielleicht schaust du ja noch einmal rein
Gruß Thomas


Angehängte Datei(en) Thumbnail(s)
   

Sonstige .vi  NAF__LV_2010_.vi (Größe: 166,09 KB / Downloads: 314)
Alle Beiträge dieses Benutzers finden
Diese Nachricht in einer Antwort zitieren to top
22.12.2010, 13:24
Beitrag #4

applefan Offline
LVF-Neueinsteiger


Beiträge: 8
Registriert seit: Nov 2010

2010 und 2009
2010
de


Deutschland
Reset nach Stop in der whileschleife
Hallo NWO,
hab es gerade probiert. Die LEDs gehen bei deiner Version aus, aber die Schalter bleiben an, d.h. für mich das die Ventile die angeschaltet sind auch angeschaltet bleiben. Ich möchte aber eben den gesamten Ablauf wieder in den START-Zustand haben - also alles aus.
Gruß Thomas
Alle Beiträge dieses Benutzers finden
Diese Nachricht in einer Antwort zitieren to top
22.12.2010, 13:27 (Dieser Beitrag wurde zuletzt bearbeitet: 22.12.2010 13:29 von NWOmason.)
Beitrag #5

NWOmason Offline
Simultator
*****


Beiträge: 1.078
Registriert seit: Dec 2010

2012.SP1
2008
EN

93047
Deutschland
Reset nach Stop in der whileschleife
Hallo Thomas,

ich würde einfach den Stop-Schalter an die Schleife durchverdrahten. Hinter der Schleife einen Case einfügen, der bei True alle Werte wieder auf False setzt.


Habe mein Beispiel mal kurz an die Gegebenheiten angepasst.


Beste grüße,
NWO

Lv10


Angehängte Datei(en)
Sonstige .vi  Stop.und.Aus.3.vi (Größe: 9,12 KB / Downloads: 508)

9 von 10 Stimmen in meinem Kopf sagen: Ich bin nicht verrückt,
die andere summt die Melodie von Tetris
.

NI schrieb:To use the abort button is like using a tree to stop a car!

(20.01.2012 11:02 )NWOmason schrieb:  Getting Started with NI LabVIEW Student Training
http://zone.ni.com/devzone/cda/tut/p/id/7466

Introduction to NI LabVIEW - Learn LabVIEW Basics
http://www.ni.com/gettingstarted/labviewbasics/

Top 5 der Empfehlungen für LabVIEW-Einsteiger
http://www.ni.com/newsletter/51735/de/
Alle Beiträge dieses Benutzers finden
Diese Nachricht in einer Antwort zitieren to top
22.12.2010, 13:56
Beitrag #6

chrissyPu Offline
LVF-Stammgast
***


Beiträge: 467
Registriert seit: Jun 2006

2014 PDS
2006
DE_EN

64283
Deutschland
Reset nach Stop in der whileschleife
Hallo,

folgendes Vorgehen würde ich empfehlen:
- Standardwerte für Schalter etc. definieren
- Zum Start des VIs die Methode Reinitialize to Default Value (gibt's auch fürs gesamte VI) aufrufen.

Am Anfang deshalb, weil man dann im weiteren Programmablauf von definierten Zuständen ausgehen kann. Wenns beim debuggen schön aussehen soll, kannst Du den Block ja nochmal einfügen...
Webseite des Benutzers besuchen Alle Beiträge dieses Benutzers finden
Diese Nachricht in einer Antwort zitieren to top
Anzeige
22.12.2010, 14:03
Beitrag #7

applefan Offline
LVF-Neueinsteiger


Beiträge: 8
Registriert seit: Nov 2010

2010 und 2009
2010
de


Deutschland
Reset nach Stop in der whileschleife
Hi NWO,
das funktioniert leider nur in der Simulation. Ich habe mich nach deinem ersten Vorschlag natürlich selbst ein weiter probiert. Ich habe eine Sequenz genommen und meinen Cluster aus der Whileschleife als lokale Variable in eine zweite Sequenz getan, Konstante angehängt und alle LEDs und Ventile auf False gesetzt. So weit so gut, es wird beim Stop alles abgeschaltet aber leider werden die Ventile (Hardware am NI9472) nicht ausgeschaltet.
Gruß Thomas
Alle Beiträge dieses Benutzers finden
Diese Nachricht in einer Antwort zitieren to top
22.12.2010, 14:09
Beitrag #8

jg Offline
CLA & CLED
LVF-Team

Beiträge: 15.864
Registriert seit: Jun 2005

20xx / 8.x
1999
EN

Franken...
Deutschland
Reset nach Stop in der whileschleife
Hast du auch alle DOs im per DAQmx wieder auf False gesetzt? Das musst du schon selber machen, wenn du einen Task stoppst, dann bleibt ein Ausgang in seinem letzten Zustand.
Grundprinzip, alles was nicht automatisch geht, muss man selber machen.
Deinen Cluster kannst du auch per InvokeNode am Ende auf Default-Werte setzen:
   
Gruß, Jens

Wer die erhabene Weisheit der Mathematik tadelt, nährt sich von Verwirrung. (Leonardo da Vinci)

!! BITTE !! stellt mir keine Fragen über PM, dafür ist das Forum da - andere haben vielleicht auch Interesse an der Antwort!

Einführende Links zu LabVIEW, s. GerdWs Signatur.
Alle Beiträge dieses Benutzers finden
Diese Nachricht in einer Antwort zitieren to top
22.12.2010, 14:17
Beitrag #9

NWOmason Offline
Simultator
*****


Beiträge: 1.078
Registriert seit: Dec 2010

2012.SP1
2008
EN

93047
Deutschland
Reset nach Stop in der whileschleife
Natürlich müssen die digitalen Ausgänge auch noch ausgeschalten werden. Ich habe mich jetzt mal nur auf die Anzeigeelemente bezogen. Sorry, da war ich vielleicht auch etwas ungenau. Schreib doch einfach einmalig ein False an jeden Ausgang beim Beenden.

Beste Grüße,
NWO

9 von 10 Stimmen in meinem Kopf sagen: Ich bin nicht verrückt,
die andere summt die Melodie von Tetris
.

NI schrieb:To use the abort button is like using a tree to stop a car!

(20.01.2012 11:02 )NWOmason schrieb:  Getting Started with NI LabVIEW Student Training
http://zone.ni.com/devzone/cda/tut/p/id/7466

Introduction to NI LabVIEW - Learn LabVIEW Basics
http://www.ni.com/gettingstarted/labviewbasics/

Top 5 der Empfehlungen für LabVIEW-Einsteiger
http://www.ni.com/newsletter/51735/de/
Alle Beiträge dieses Benutzers finden
Diese Nachricht in einer Antwort zitieren to top
30
Antwort schreiben 


Möglicherweise verwandte Themen...
Themen Verfasser Antworten Views Letzter Beitrag
  Nur ein SubVI in Whileschleife soll verzögert werden mikadm 2 4.244 12.08.2020 14:54
Letzter Beitrag: mikadm
  Eine Reset-Taste auf mehrere Registerkarte ARaj 11 12.092 18.11.2015 18:43
Letzter Beitrag: Lucki
  Stop eines VIs aus drei Schleifen Lab_fänger 3 4.823 14.10.2015 06:56
Letzter Beitrag: Lucki
  Reset wenn Save gedrückt baggio2008 9 9.143 24.04.2015 15:32
Letzter Beitrag: baggio2008
  reset Array auf index 0_Error 1082 GT123 5 6.354 14.05.2014 14:10
Letzter Beitrag: jg
  Reset Button mit anderen Eingaben verknuepfen Nela 1 3.837 25.04.2014 12:09
Letzter Beitrag: Lucki

Gehe zu: