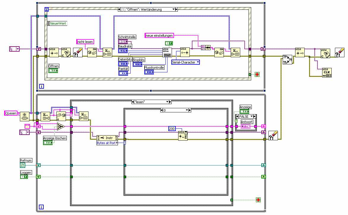
Seriell-erweiterte Einstellungen |
Wenn dein Problem oder deine Frage geklärt worden ist, markiere den Beitrag als "Lösung",
indem du auf den "Lösung" Button rechts unter dem entsprechenden Beitrag klickst. Vielen Dank!
|
|
|
| Möglicherweise verwandte Themen... | |||||
| Themen | Verfasser | Antworten | Views | Letzter Beitrag | |
| Seriell eingelesene Daten konvertieren | -cosmo- | 13 | 14.344 |
17.03.2017 16:36 Letzter Beitrag: jg |
|
| VISA write Seriell | el1-rh | 12 | 84.537 |
17.12.2014 09:32 Letzter Beitrag: GerdW |
|
| Zeitversetze Werte seriell an Relaisbox übermitteln | sawtj194 | 5 | 7.998 |
28.09.2012 08:19 Letzter Beitrag: Lucki |
|
| Probleme mit Lindy USB - Seriell Konverter | lg | 4 | 8.213 |
22.11.2011 13:34 Letzter Beitrag: Lucki |
|
| Visa: Seriell Rs232 to USB | lebig | 4 | 10.017 |
18.10.2011 06:27 Letzter Beitrag: Y-P |
|
| Verwendung eines USB/Seriell-Umsetzers | Herby07 | 9 | 8.886 |
28.09.2011 20:54 Letzter Beitrag: Herby07 |
|






