INFO: Dieses Forum nutzt Cookies...
Cookies sind für den Betrieb des Forums unverzichtbar. Mit der Nutzung des Forums erklärst Du dich damit einverstanden, dass wir Cookies verwenden.

Es wird in jedem Fall ein Cookie gesetzt um diesen Hinweis nicht mehr zu erhalten. Desweiteren setzen wir Google Adsense und Google Analytics ein.


Antwort schreiben 

Signalverlauf X Achse in Sekunden ?



Wenn dein Problem oder deine Frage geklärt worden ist, markiere den Beitrag als "Lösung",
indem du auf den "Lösung" Button rechts unter dem entsprechenden Beitrag klickst. Vielen Dank!

26.09.2013, 13:16
Beitrag #1

Silencer Offline
LVF-Grünschnabel
*


Beiträge: 10
Registriert seit: Aug 2012

2011
2012
DE



Signalverlauf X Achse in Sekunden ?
Hallo Leute,

ich habe jetzt gefühlte 100000 Beiträge durchgelesen, und finde nur Lösungsansätze in die genau entgegengerichtete Richtung.

Naja zum Problem, ich will einen Signalberlauf darstellen der Sekundenweise von 0 bis ca 300-500 Sekunden läuft und alle 10 Sec. einen Teilstrich auf der X Achse darstellt.
So wie auf dem Bild

Ich hab die fragestellung noch niergens so gesehen nur immer mit Zeit / Datumsstempel




Gruß
Mike


Angehängte Datei(en) Thumbnail(s)
   
Alle Beiträge dieses Benutzers finden
Diese Nachricht in einer Antwort zitieren to top
Anzeige
26.09.2013, 13:18
Beitrag #2

GerdW Offline
______________
LVF-Team

Beiträge: 17.536
Registriert seit: May 2009

LV2019 (LV2021)
1995
DE_EN

10×××
Deutschland
RE: Signalverlauf X Achse in Sekunden ?
Hallo Mike,

schau dir mal die X-Axis-Properties eines Graphen ganz genau an...

Alle Beiträge dieses Benutzers finden
Diese Nachricht in einer Antwort zitieren to top
26.09.2013, 13:34
Beitrag #3

Silencer Offline
LVF-Grünschnabel
*


Beiträge: 10
Registriert seit: Aug 2012

2011
2012
DE



RE: Signalverlauf X Achse in Sekunden ?
Ich mach seit heute Morgen nichts anderes Big Grin


Was genau meinst Du ?


Angehängte Datei(en) Thumbnail(s)
   
Alle Beiträge dieses Benutzers finden
Diese Nachricht in einer Antwort zitieren to top
26.09.2013, 13:40
Beitrag #4

GerdW Offline
______________
LVF-Team

Beiträge: 17.536
Registriert seit: May 2009

LV2019 (LV2021)
1995
DE_EN

10×××
Deutschland
RE: Signalverlauf X Achse in Sekunden ?
Hallo Silencer,

ich rede von Eigenschaftsknoten! "X-Achse"->"Bereich"->...

Alle Beiträge dieses Benutzers finden
Diese Nachricht in einer Antwort zitieren to top
26.09.2013, 13:48 (Dieser Beitrag wurde zuletzt bearbeitet: 26.09.2013 13:53 von Trinitatis.)
Beitrag #5

Trinitatis Offline
LVF-Guru
*****


Beiträge: 1.694
Registriert seit: May 2008

7.1 / 8.0 /2014-1, 18
2002
DE

18055
Deutschland
RE: Signalverlauf X Achse in Sekunden ?
Hallo Silencer,


normaler Weise ist das Problem, die X-Achse auf Zeitstempel zu formatieren, das möchtest du aber offensichtlich gar nicht. Ich verstehe nicht so recht, was dein Problem mit dem Graphen zu tun hat. Du musst doch nur dafür sorgen, dass du alle 10 sec einen Messwert aufnimmst und ihn in einem XY-Graph darstellen. Die X-Achse in Sek. ergibt sich doch dann von selbst.


Gruß, marko
Edit:
Ich glaub´, jetzt hab´ich´s verstanden - dein Problem ist die Teilung auf 10s-Abschnitte.

Also: Eigenschaft: X-Achse --> Bereich --> Schrittweite
Alle Beiträge dieses Benutzers finden
Diese Nachricht in einer Antwort zitieren to top
26.09.2013, 22:31 (Dieser Beitrag wurde zuletzt bearbeitet: 27.09.2013 08:44 von Lucki.)
Beitrag #6

Lucki Offline
Tech.Exp.2.Klasse
LVF-Team

Beiträge: 7.699
Registriert seit: Mar 2006

LV 2016-18 prof.
1995
DE

01108
Deutschland
RE: Signalverlauf X Achse in Sekunden ?
Beim Gitternetz kannst Du in den Eigenschaften nur "Grob" und "Fein" wählen, ansonsten wird das Gitternetz von LV automatisch festgelegt, abhängig von der Größe das Diagramms und dem Skalenbereich. Da mußt also an diesen beiden Parametern herumfummeln, bis Du das gewünschte 10s-Gitternetz erhälst.
Mit Eigenschaftsknoten das Gitternetz zu beeinflussen, wie Marko vorschlägt - das habe ich noch nicht versucht. Geht das beim SV-Diag wirklich?


Angehängte Datei(en) Thumbnail(s)
   
Alle Beiträge dieses Benutzers finden
Diese Nachricht in einer Antwort zitieren to top
Anzeige
27.09.2013, 05:31
Beitrag #7

Silencer Offline
LVF-Grünschnabel
*


Beiträge: 10
Registriert seit: Aug 2012

2011
2012
DE



RE: Signalverlauf X Achse in Sekunden ?
Hey Leute und Danke für die schnelle Hilfe,

@Trinitatis:
Ich will nicht alle 10s einen Messwert aufnehmen, es soll alle 1s oder 500ms ein Wert aufgenommen werden aber alle 10s eine Markierung auf der X-Skala ...10....20...30...
wird sonst schnell eng Blush


Gruß


Angehängte Datei(en) Thumbnail(s)
   
Alle Beiträge dieses Benutzers finden
Diese Nachricht in einer Antwort zitieren to top
27.09.2013, 09:19
Beitrag #8

Lucki Offline
Tech.Exp.2.Klasse
LVF-Team

Beiträge: 7.699
Registriert seit: Mar 2006

LV 2016-18 prof.
1995
DE

01108
Deutschland
RE: Signalverlauf X Achse in Sekunden ?
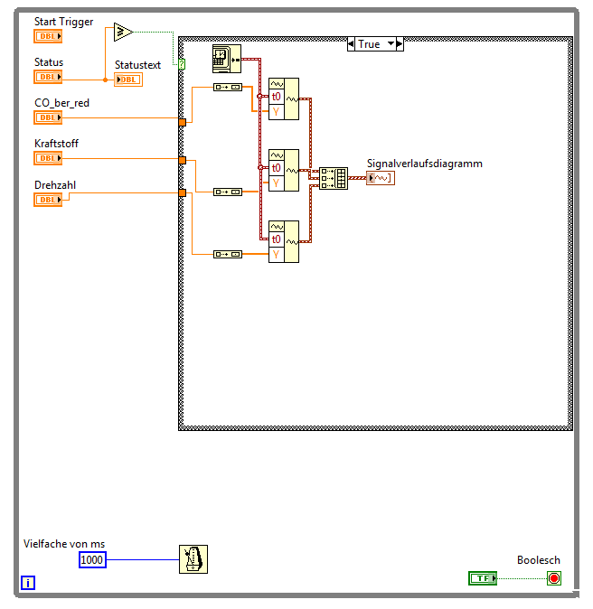
Zwar hat Du meinen Beitrag überlesen, erst jetzt ein BD geliefert, und das nur als Bild - drei Sünden auf einmal sind etwas viel.
Aber trotzdem hier ein VI mit allem was Dein Herz begehrt:

11.0 .vi  SVDiag.vi (Größe: 11,16 KB / Downloads: 410)
Alle Beiträge dieses Benutzers finden
Diese Nachricht in einer Antwort zitieren to top
27.09.2013, 11:39
Beitrag #9

Trinitatis Offline
LVF-Guru
*****


Beiträge: 1.694
Registriert seit: May 2008

7.1 / 8.0 /2014-1, 18
2002
DE

18055
Deutschland
RE: Signalverlauf X Achse in Sekunden ?
(26.09.2013 22:31 )Lucki schrieb:  Mit Eigenschaftsknoten das Gitternetz zu beeinflussen, wie Marko vorschlägt - das habe ich noch nicht versucht. Geht das beim SV-Diag wirklich?

hab´ich gerade ausprobiert - geht auch.


Gruß, Marko
Alle Beiträge dieses Benutzers finden
Diese Nachricht in einer Antwort zitieren to top
27.09.2013, 12:38 (Dieser Beitrag wurde zuletzt bearbeitet: 27.09.2013 12:42 von Lucki.)
Beitrag #10

Lucki Offline
Tech.Exp.2.Klasse
LVF-Team

Beiträge: 7.699
Registriert seit: Mar 2006

LV 2016-18 prof.
1995
DE

01108
Deutschland
RE: Signalverlauf X Achse in Sekunden ?
(27.09.2013 11:39 )Trinitatis schrieb:  hab´ich gerade ausprobiert - geht auch.
Danke, da werde ich das in meine "hirngespeicherte Werkzeugsammlung" mit aufnehmen.

@Silencer
Eine andere Methode ist die Verwendung des X-Offsets. Ist einfacher, allerdings habe ich da mal schlechte Erfahrungen damit gemacht. Aber jetzt geht es.
Bei VIs im Vergleich:
   
Alle Beiträge dieses Benutzers finden
Diese Nachricht in einer Antwort zitieren to top
Antwort schreiben 


Möglicherweise verwandte Themen...
Themen Verfasser Antworten Views Letzter Beitrag
  NI USB 6003 - Zeitachse xy-Graph in Sekunden DaveEAC 3 6.029 05.08.2021 07:57
Letzter Beitrag: Achim
  Signalverlaufsdiagramm X Achse in fortlaufenden Sekunden goetzi 1 5.495 16.12.2015 13:38
Letzter Beitrag: GerdW
  Signalverlaufsgraph - X Achse abgelaufene Sekunden TobSTAR 7 7.390 20.03.2015 10:54
Letzter Beitrag: Lucki
  X-Achse in Sekunden !? CarpPredator 6 7.053 28.12.2014 18:02
Letzter Beitrag: GerdW
  Digitalen Signalverlauf mit Analogwert auf der X-Achse BobbyBau91 2 5.119 10.12.2013 12:55
Letzter Beitrag: BobbyBau91
  Signalverlauf Skalierung der X-Achse DerKleine 2 5.329 26.10.2013 12:19
Letzter Beitrag: GerdW

Gehe zu: